GM Service Manual Online
For 1990-2009 cars only

Tools Required

    • J 28467-B Universal Engine Support Fixture
    • J 41803 Engine Support Fixture
    • J 33432-A Transverse Spring Compressor

Removal Procedure

  1. Remove the generator from the accessory mounting bracket. Refer to Generator Replacement in Engine Electrical.
  2. Remove the washer pump/reservoir. Refer to Washer Pump/Reservoir Replacement in Wipers/Washer Systems.

  3. Object Number: 581199  Size: SH
  4. Remove the engine coolant temperature switch electrical connector and reposition.
  5. Remove the front headlamp electrical connector and reposition.
  6. Install J 41803 andJ 28467-B and support the engine.
  7. Raise and support the vehicle. Refer to Lifting and Jacking the Vehicle in General Information.
  8. Remove the tire and wheel assemblies. Refer to Tire and Wheel Removal and Installation in Tires and Wheels.

  9. Object Number: 82236  Size: SH
  10. Remove the steering linkage outer tie rod end stud nuts (3). Refer to Rack and Pinion Outer Tie Rod End Replacement in Power Steering Systems.

  11. Object Number: 581266  Size: SH
  12. Disconnect the shock absorber solenoid electrical connector, if equipped.

  13. Object Number: 581252  Size: SH
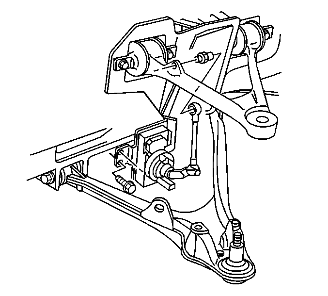
  14. Disconnect the real time damping (RTD) sensor links.
  15. Remove the stabilizer shaft from the vehicle. Refer to Stabilizer Shaft Replacement .
  16. Disconnect the intermediate shaft lower coupling from the steering gear. Refer to Intermediate Steering Shaft Replacement in Steering Wheel and Column-Tilt.
  17. Remove the bolts from the electronic brake control module/brake pressure modulator valve (EBCM/BPMV) bracket. Refer to Brake Pressure Modulator Valve Bracket Replacement in Antilock Brake System.
  18. Support and reposition the EBCM/BPMV and bracket away from the crossmember.

  19. Object Number: 65352  Size: SH
  20. Remove the power steering gear mounting bolts.
  21. Remove the power steering fluid cooler from the crossmember.
  22. Lift the power steering gear off of the crossmember and support.

  23. Object Number: 65337  Size: SH
  24. Using the J 33432-A , remove the transverse spring from the vehicle. Refer to Front Transverse Spring Replacement .

  25. Object Number: 65335  Size: SH
  26. Disconnect the lower shock absorber bolts from the lower control arms.

  27. Object Number: 65339  Size: SH
  28. Remove the lower control arm bolts from the crossmember.
  29. Place a transmission jack under the crossmember.
  30. Remove the engine mount lower nuts. Refer to the following procedures:
  31. •  Engine Mount Replacement - Left Side in Engine Mechanical - 5.7 L.
    •  Engine Mount Replacement - Right Side in Engine Mechanical - 5.7 L.

    Object Number: 581404  Size: SH
  32. Disconnect the wheel speed sensor wiring harness from the crossmember.

  33. Object Number: 581567  Size: SH
  34. Disconnect the electrical harness from the clips on the crossmember.
  35. Disconnect the brake pipe from the clips on the crossmember.

  36. Object Number: 581372  Size: SH
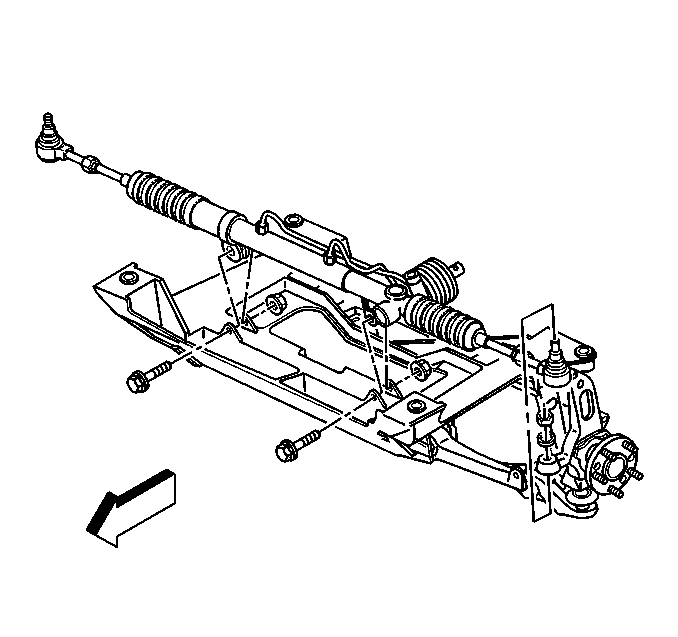
  37. Remove the crossmember mounting nuts.
  38. Lower the crossmember out of the vehicle by removing the transmission jack from under the crossmember.

Installation Procedure


    Object Number: 581372  Size: SH
  1. Raise the crossmember to the vehicle.
  2. 1.1. Align the crossmember dowel pins to the frame rails.
    1.2. Align the engine mount studs.

    Notice: Use the correct fastener in the correct location. Replacement fasteners must be the correct part number for that application. Fasteners requiring replacement or fasteners requiring the use of thread locking compound or sealant are identified in the service procedure. Do not use paints, lubricants, or corrosion inhibitors on fasteners or fastener joint surfaces unless specified. These coatings affect fastener torque and joint clamping force and may damage the fastener. Use the correct tightening sequence and specifications when installing fasteners in order to avoid damage to parts and systems.

  3. Install new crossmember mounting nuts.
  4. Tighten
    Tighten the new crossmember mounting nuts to 110 N·m (81 lb ft).

  5. Install the engine mount lower nuts. Refer to one of the following procedures:
  6. •  Engine Mount Replacement - Left Side in Engine Mechanical
    •  Engine Mount Replacement - Right Side in Engine Mechanical

    Object Number: 581404  Size: SH
  7. Fasten the wheel speed sensor wiring harness retaining clips to the crossmember.
  8. Fasten the brake pipe to the retaining clips on the crossmember.

  9. Object Number: 581567  Size: SH
  10. Connect the electrical harness to the clips on the crossmember.
  11. Connect the brake pipe to the clips on the crossmember.

  12. Object Number: 65337  Size: SH
  13. Install the transverse spring with theJ 33432-A connected, to the crossmember. Refer to Front Transverse Spring Replacement .

  14. Object Number: 65333  Size: SH
  15. Install the lower control arm to the crossmember. Refer to Lower Control Arm Replacement .

  16. Object Number: 65335  Size: SH
  17. Install the shock absorbers to the lower control arms.
  18. Tighten
    Tighten the shock absorber lower mounting nuts to 28 N·m (21 lb ft).


    Object Number: 65352  Size: SH
  19. Install the power steering gear to the crossmember.
  20. Tighten
    Tighten the power steering gear mounting bolts to 100 N·m (74 lb ft).

  21. Install the bolts to the brake pressure modulator valve bracket. Refer to Brake Pressure Modulator Valve Bracket Replacement in Antilock Brake System.
  22. Connect the intermediate shaft to the steering gear. Refer to Intermediate Steering Shaft Replacement in Steering Wheel and Column.

  23. Object Number: 581252  Size: SH
  24. Install the steering linkage outer tie rod ends to the steering knuckles. Refer to Rack and Pinion Outer Tie Rod End Replacement in Power Steering Systems.
  25. Connect the RTD sensor links to the upper control arm, if equipped.

  26. Object Number: 581266  Size: SH
  27. Connect the shock absorber solenoid electrical connector, if equipped.
  28. Install the stabilizer shaft to the vehicle. Refer to Stabilizer Shaft Replacement .
  29. Install the tire and wheel assemblies. Refer to Tire and Wheel Removal and Installation in Tires and Wheels.
  30. Lower the vehicle.
  31. Remove J 41803 andJ 28467-B from the engine.
  32. Install the generator. Refer to Generator Replacement in Engine Electrical.
  33. Install the washer pump/reservoir. Refer to Washer Pump/Reservoir Replacement in Wipers/Washer Systems.

  34. Object Number: 581199  Size: SH
  35. Install the engine coolant temperature switch electrical connector.
  36. Install the front headlamp electrical connector.
  37. Connect the negative battery cable.
  38. Tighten
    Tighten the negative battery cable to 15 N·m (11 lb ft).

  39. Perform a vehicle front end alignment. Refer to Wheel Alignment Measurement in Wheel Alignment.