GM Service Manual Online
For 1990-2009 cars only
Figure 1:

Cockpit View


Object Number: 698492  Size: LF
(1)Outside Rearview Mirror-Driver
(2)Fog Lamp/Rear Compartment Lid Release Switch (Domestic), Fog Lamp Switch (Export)
(3)Dimmer Switch
(4)Dimmer/Head Up Display (HUD) Switch
(5)Instrument Panel Cluster (IPC)
(6)Vanity Mirror Lamp-Left
(7)Driver Information Center (DIC) Switch-Right
(8)Hazard Switch
(9)Radio
(10)HVAC Control Module
(11)Vanity Mirror Lamp-Right
(12)Door Switch-Passenger
(13)Outside Rearview Mirror-Passenger
(14)Footwell Courtesy Lamp-Right
(15)Fuel Door Lock Release Switch (Domestic), Rear Compartment Lid/Fuel Door Lock Release Switch (Export)
(16)Traction/Suspension Control Switch
(17)Auxiliary Power Outlet Connector
(18)Cigar Lighter
(19)Horn Switch
(20)Seat Control Module (SCM)-Driver (W/Memory Seats), Seat Relay Center-Driver (W/O Memory Seats)
(21)Seat Adjuster Switch-Driver
(22)Footwell Courtesy Lamp-Left
(23)Door Switch-Driver
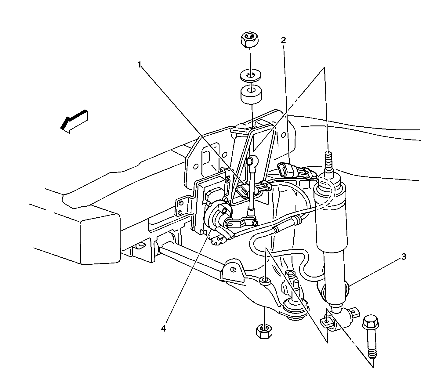
Figure 2:

Shock Absorber Solenoid - LF and Suspension Position Sensor - LF (RF Similar)


Object Number: 727010  Size: LF
(1)C103
(2)C101
(3)Shock Absorber Solenoid - LF
(4)Suspension Position Sensor - LF
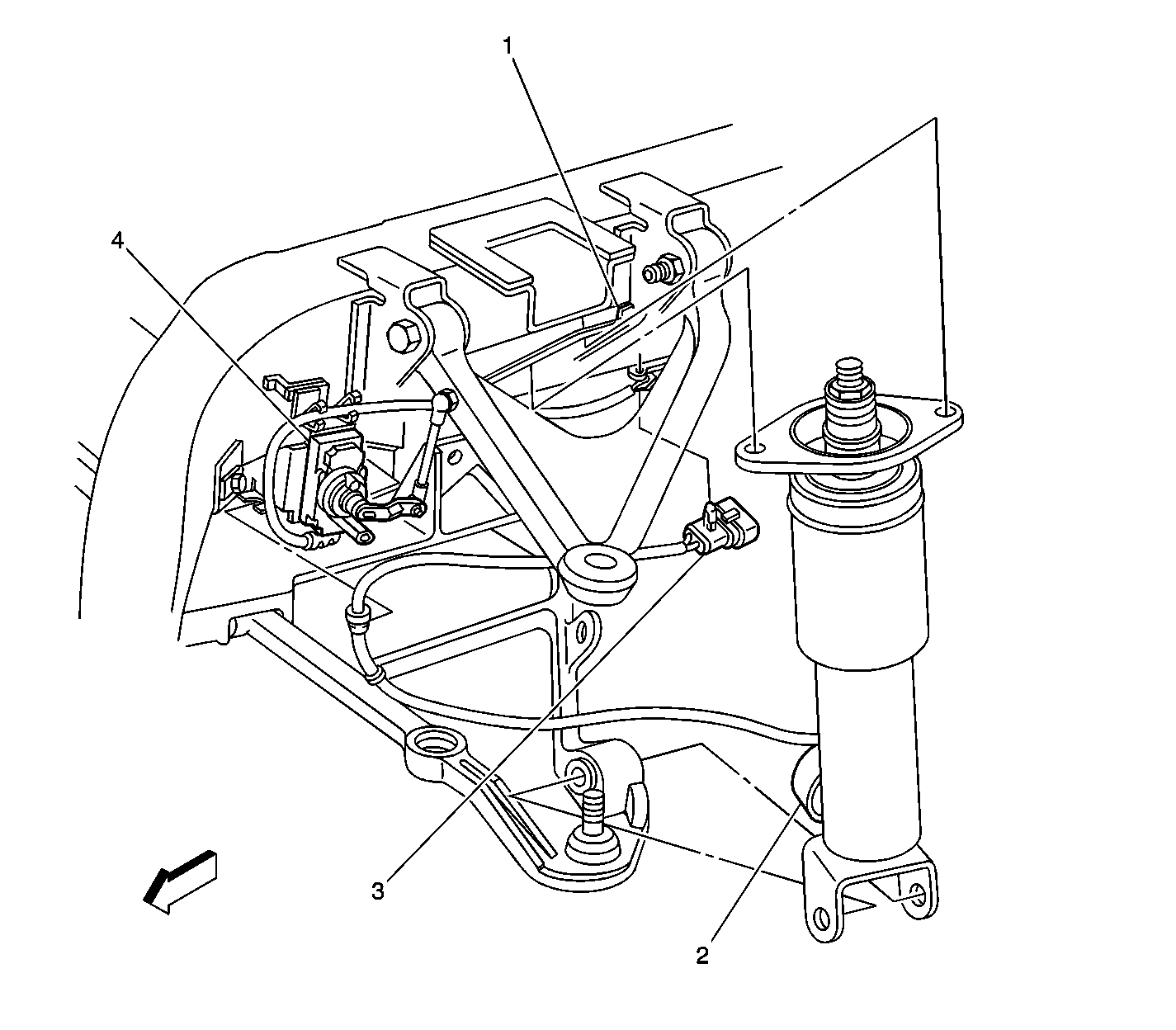
Figure 3:

Shock Absorber Solenoid - LR and Suspension Position Sensor - LR (RR Similar)


Object Number: 727011  Size: LF
(1)C401
(2)Shock Absorber Solenoid - LR
(3)C403
(4)Suspension Position Sensor - LR