GM Service Manual Online
For 1990-2009 cars only

Shock Absorber Replacement W/O F55

Removal Procedure


    Object Number: 581266  Size: SH
  1. Raise and support the vehicle. Refer to Lifting and Jacking the Vehicle in General Information.
  2. Remove the tire and wheel assembly. Refer to Tire and Wheel Removal and Installation in Tires and Wheels.
  3. Disconnect the rear shock absorber electronic suspension control electrical (ESC) connector, if equipped.

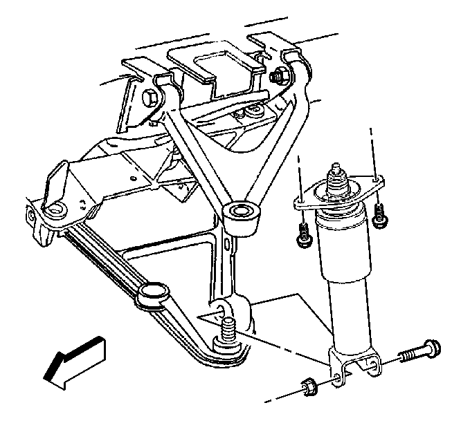
  4. Object Number: 65329  Size: SH
  5. Remove the lower mounting bolt retaining the shock absorber to the lower control arm.
  6. Remove the shock upper mounting bolts.
  7. Remove the tie rod from the control arm. Refer to Rack and Pinion Outer Tie Rod End Replacement .
  8. Remove the shock absorber from the lower control arm and shock tower.
  9. Remove the upper insulator retainer and insulator from the shock absorber.

Installation Procedure


    Object Number: 65329  Size: SH
  1. Install the upper insulator and insulator retainer to the shock absorber.
  2. Install the shock absorber to the shock tower and to the lower control arm.
  3. Install the tie rod from the control arm. Refer to Rack and Pinion Outer Tie Rod End Replacement .
  4. Notice: Refer to Fastener Notice in the Preface section.

  5. Install the upper shock absorber mounting bolts.
  6. Tighten
    Tighten the upper mounting bolts to 30 N·m (22 lb ft).

    Notice: To avoid breaking the mounting bolt that attaches the shock absorber to the lower control arm, tighten the bolt. Do NOT tighten the nut.

  7. Install the lower shock absorber mounting bolt.
  8. Tighten
    Tighten the shock absorber lower mounting nut to 145 N·m (107 lb ft).


    Object Number: 581266  Size: SH
  9. Connect the shock absorber ESC electrical connector, if equipped.
  10. Install the tire and wheel assembly. Refer to Tire and Wheel Removal and Installation in Tires and Wheels.
  11. Lower the vehicle.