GM Service Manual Online
For 1990-2009 cars only

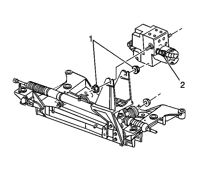
Removal Procedure

Notice: To prevent equipment damage, never connect or disconnect the wiring harness connection from the EBCM with the ignition switch in the ON position.


    Object Number: 707000  Size: SH
  1. Turn the ignition switch to the OFF position.
  2. Disconnect the EBCM harness connector.
  3. Remove the two insulator nuts (1).
  4. Lift the EBCM/BPMV out of the bracket high enough to allow clearance to remove the insulator mounting bolt and the EBCM.

  5. Object Number: 143452  Size: SH
  6. Remove the insulator mounting bolt from the EBCM.
  7. Remove the four EBCM to BPMV bolts.
  8. Separate the EBCM from the BPMV by gently pulling apart until separated. Be careful not to damage seal.

Installation Procedure


    Object Number: 143452  Size: SH
  1. Clean the BPMV gasket surface with alcohol using a clean rag.
  2. Install the EBCM to the BPMV.
  3. Notice: Use the correct fastener in the correct location. Replacement fasteners must be the correct part number for that application. Fasteners requiring replacement or fasteners requiring the use of thread locking compound or sealant are identified in the service procedure. Do not use paints, lubricants, or corrosion inhibitors on fasteners or fastener joint surfaces unless specified. These coatings affect fastener torque and joint clamping force and may damage the fastener. Use the correct tightening sequence and specifications when installing fasteners in order to avoid damage to parts and systems.

    Important: If the insulator nut was removed it must be replaced with a new insulator nut (3).

    Tighten
    Tighten the four mounting bolts to 3 N·m (27 lb in), then tighten to 6 N·m (53 lb in).

  4. Install the front EBCM insulator mounting bolt.
  5. Tighten
    Tighten the EBCM insulator mounting bolt to 14 N·m (10 lb ft).


    Object Number: 707000  Size: SH
  6. Install the EBCM/BPMV into the bracket.
  7. Install the two insulator nuts (1).
  8. Tighten
    Tighten the three insulator nuts to 10 N·m (89 lb in).

  9. Connect the EBCM harness connector.
  10. Important: Both sides of the EBCM harness connector must be engaged with lever before closing.

  11. Turn the ignition switch to the ON position, engine off.
  12. Perform the Diagnostic System Check - ABS .