Power Steering Return Hose Replacement FE
Removal Procedure
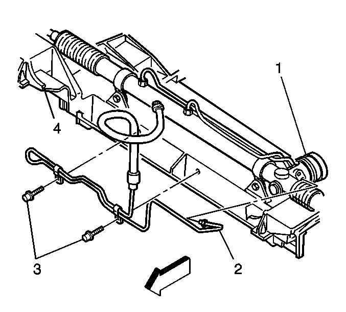
- Remove the power steering return hose (2) from the power steering fluid reservoir.
- Raise the vehicle on a hoist. Refer to
Lifting and Jacking the Vehicle.
- Remove the power steering return hose (2) from the power steering gear (1).
- Remove the power steering return hose mounting bolts (3) from the crossmember (4).
- Remove the power steering return hose (2) from the vehicle.
Installation Procedure
- Install the power steering return hose (2) into the vehicle.
Notice: Use the correct fastener in the correct location. Replacement fasteners
must be the correct part number for that application. Fasteners requiring
replacement or fasteners requiring the use of thread locking compound or sealant
are identified in the service procedure. Do not use paints, lubricants, or
corrosion inhibitors on fasteners or fastener joint surfaces unless specified.
These coatings affect fastener torque and joint clamping force and may damage
the fastener. Use the correct tightening sequence and specifications when
installing fasteners in order to avoid damage to parts and systems.
- Install the power steering return hose mounting bolts (3) to the crossmember (4).
Tighten
Tighten the bolts to 11 N·m (97 lb in).
- Install the power steering return hose (2) to the power steering gear (1).
Tighten
Tighten the fitting to 27 N·m (20 lb ft).
- Lower the vehicle.
- Install the power steering return hose (2) to the power steering fluid reservoir.
- Bleed the power steering system. Refer to
Power Steering System Bleeding.