GM Service Manual Online
For 1990-2009 cars only

Tools Required

J 39400-A Halogen Leak Detector

Removal Procedure

  1. Recover the refrigerant from the A/C system. Refer to Refrigerant Recovery and Recharging .
  2. Remove the battery heat shield. Refer to Battery Heat Shield Replacement in Engine Electrical.
  3. Remove the intake manifold. Refer to Intake Manifold Replacement in Engine Mechanical.
  4. Disconnect the hose clamp and hose from the RH air injection check valve. If equipped

  5. Object Number: 63229  Size: SH
  6. Remove the RH air injection check valve to LH cylinder head bolt. If equipped
  7. Remove the RH air injection check valve to RH cylinder head bolts. If equipped
  8. Remove the RH air injection pipe. If equipped

  9. Object Number: 621749  Size: SH
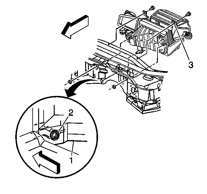
  10. Remove the nut retaining the heater pipe bracket to the cowl.
  11. Reposition the heater pipe bracket.

  12. Object Number: 621745  Size: SH
  13. Remove the heater pipe to heater core retaining bolt.
  14. Important: Be sure to cap or plug the open heater pipe assembly and the heater core to prevent contamination.

  15. Disconnect the heater pipe assembly from the heater core.
  16. • Allow any remaining coolant to drain
    • Discard the sealing washers
    • Cap or plug the heater pipe assembly and the heater core to prevent contamination

    Object Number: 621748  Size: SH
  17. Remove the accumulator hose to evaporator retaining bolt.
  18. Important: Cap or tape the open accumulator hose, evaporator tube - rear and the evaporator immediately.

  19. Disconnect the accumulator hose and the evaporator tube - rear from the evaporator.
  20. • Discard the O-ring seals
    • Cap or tape the hose end, the tube end and the evaporator to prevent contamination.

    Object Number: 621744  Size: SH
  21. Remove the HVAC module drain tube from the HVAC module.

  22. Object Number: 95727  Size: SH
  23. Remove the console. Refer to Console Replacement in Instrument Panel, Gauges and Console.
  24. Remove the IP accessory trim plate. Refer to Instrument Panel Accessory Trim Plate Replacement in Instrument Panel, Gauges and Console.
  25. Remove the IP compartment. Refer to Instrument Panel Compartment Replacement in Instrument Panel, Gauges and Console.
  26. Remove the RH lower insulator panel. Refer to Instrument Panel Insulator Panel Replacement - Right Side in Instrument Panel, Gauges and Console.
  27. Remove the knee bolster trim panel. Refer to Driver Knee Bolster Panel Replacement in Instrument Panel, Gauges and Console.
  28. Remove the LH lower insulator panel. Refer to Instrument Panel Insulator Panel Replacement - Left Side in Instrument Panel, Gauges and Console.
  29. Remove the IP upper trim pad. Refer to Instrument Panel Upper Trim Pad Replacement in Instrument Panel, Gauges and Console.
  30. Remove the instrument panel cluster (IPC) to steering column bracket retaining screws.
  31. Reposition the IPC to allow room for the HVAC module to be removed.

  32. Object Number: 95655  Size: SH
  33. Remove the LH side window defogger outlet duct - lower.
  34. 24.1. Remove the push-in retainer.
    24.2. Use a twisting motion to release the defogger outlet duct - lower from the windshield defroster duct, then from the defogger outlet duct - upper.

    Object Number: 95661  Size: SH
  35. Remove the inside air temperature sensor aspirator duct.
  36. 25.1. Depress the duct retaining tab and remove the duct from the ignition switch housing bracket.
    25.2. Use a twisting motion to release the duct from the duct muffler.

    Object Number: 95644  Size: SH
  37. Disconnect the DRL sensor electrical connector, if equipped.

  38. Object Number: 295297  Size: SH
  39. Disconnect the electrical connector from the LH temperature actuator.

  40. Object Number: 95646  Size: SH
  41. Remove the IP center support bracket and the ignition switch housing bracket. Refer to Instrument Panel Center Support Bracket Replacement in Instrument Panel, Gauges and Console.
  42. Remove the LH floor air outlet duct retaining screws.
  43. Remove the LH floor air outlet duct.

  44. Object Number: 95652  Size: SH
  45. Remove the LH floor air outlet duct - rear.
  46. Rotate the duct 1/4 turn clockwise to release.


    Object Number: 95658  Size: SH
  47. Remove the RH side window defogger outlet duct - lower.
  48. 32.1. Depress the defogger outlet duct - lower retaining tabs and release the duct from the passenger SIR bracket.
    32.2. Use a twisting motion to release the defogger outlet duct - lower from the windshield defroster duct, then from the defogger outlet duct - upper.
  49. Remove the passenger SIR bracket and the passenger knee bolster bracket. Refer to Knee Bolster Bracket Replacement in Instrument Panel, Gauges and Console.

  50. Object Number: 295333  Size: SH
  51. Disconnect the sunload sensor electrical connector.
  52. Disconnect the electrical connector from the RH temperature actuator.

  53. Object Number: 95647  Size: SH
  54. Remove the RH floor air outlet duct retaining screws.
  55. Remove the RH floor air outlet duct.

  56. Object Number: 297307  Size: SH
  57. Reposition the carpet away from the RH side of the driveline tunnel to access the carpet air outlet duct.
  58. Use a rotating motion the release the carpet air outlet duct from the floor air outlet duct - rear.

  59. Object Number: 95654  Size: SH
  60. Remove the RH floor air outlet duct - rear.
  61. Rotate the duct - rear 1/4 turn counterclockwise to release.


    Object Number: 295319  Size: SH
  62. Disconnect the electrical connector from the blower motor control module.
  63. Remove the blower motor. Refer to Blower Motor Replacement .

  64. Object Number: 297262  Size: SH
  65. Disconnect the IP harness vacuum supply line (1) from the HVAC module vacuum harness (2).

  66. Object Number: 295337  Size: SH
  67. Disconnect the electrical connector from the vacuum electric solenoid.

  68. Object Number: 95643  Size: SH
  69. Remove the windshield defroster duct retaining screws.
  70. Remove the windshield defroster duct.

  71. Object Number: 175438  Size: SH
  72. Remove the HVAC module retaining and sealing nuts from the cowl.
  73. Reposition the refrigerant lines slightly, if necessary.

  74. Remove the HVAC module retaining bolts from the IP upper support beam.
  75. Carefully remove the HVAC module from the vehicle.

  76. Object Number: 179036  Size: SH
  77. Remove and discard the HVAC module air inlet, drain and plumbing seals.

Installation Procedure


    Object Number: 179036  Size: SH
  1. Install new air inlet, drain and plumbing seals to the HVAC module.

  2. Object Number: 296213  Size: SH
  3. Carefully install the HVAC module to the vehicle in the following SEQUENCE.
  4.         Important: Ensure that the cut-outs on the dashmat are properly aligned so that the air inlet, drain, and plumbing seals are seated directly against the cowl and not the dashmat.

    2.1. Inspect the dashmat (1) for proper alignment to the cowl. Align if necessary.

    The opening in the dashmat for the HVAC module drain should be aligned so that the drain opening in the cowl is approximately centered in the dash mat opening; allowing ample room for the module drain seal (2) to fully seat against the cowl.

    2.2. ALIGN the heater core joint fitting, the condenser joint fitting, the HVAC module drain and the HVAC module studs to the corresponding openings on the cowl.
    2.3. INSERT the LH stud into the cowl FIRST, then the module drain, then the RH stud.
    2.4. Install the HVAC module LH retaining bolt to the IP upper support beam module net locating hole (3).

    Notice: Use the correct fastener in the correct location. Replacement fasteners must be the correct part number for that application. Fasteners requiring replacement or fasteners requiring the use of thread locking compound or sealant are identified in the service procedure. Do not use paints, lubricants, or corrosion inhibitors on fasteners or fastener joint surfaces unless specified. These coatings affect fastener torque and joint clamping force and may damage the fastener. Use the correct tightening sequence and specifications when installing fasteners in order to avoid damage to parts and systems.

    2.5. Install the HVAC module RH retaining bolt to the IP upper support beam.

    Tighten
    Tighten the bolts to 10 N·m (89 lb in).

            Important: To prevent possible water leaks or wind/road noise from entering the vehicle passenger compartment, DO NOT reuse the old HVAC module retaining and sealing nuts.

    2.6. Install the HVAC module new retaining and sealing nuts.
    2.7. Tighten the HVAC module retaining and sealing nuts.

    Tighten
    Tighten the nuts to 10 N·m (89 lb in).


    Object Number: 95643  Size: SH
  5. Install and align the windshield defroster duct to the HVAC module opening and the IP upper support beam.
  6. Install the windshield defroster duct LH retaining screw (net locating hole).
  7. Install the windshield defroster duct RH retaining screw.
  8. Tighten
    Tighten the screws to 10 N·m (89 lb in).


    Object Number: 295337  Size: SH
  9. Connect the electrical connector to the vacuum electric solenoid.

  10. Object Number: 297262  Size: SH
  11. Connect the IP harness vacuum supply line (1) to the HVAC module vacuum harness (2).

  12. Object Number: 295319  Size: SH
  13. Install the blower motor. Refer to Blower Motor Replacement .
  14. Connect the electrical connector to the blower motor control module.

  15. Object Number: 95654  Size: SH
  16. Position and align the RH floor air outlet duct - rear to the HVAC module, then push firmly and evenly to secure the duct.

  17. Object Number: 297307  Size: SH
  18. Secure the carpet air outlet duct to the RH floor air outlet duct - rear.
  19. Use a rotating motion to secure the carpet air outlet duct to the floor air outlet duct - rear.

  20. Position the front floor carpet to the RH side of the driveline tunnel.

  21. Object Number: 95647  Size: SH
  22. Install the RH floor air outlet duct to the HVAC module.
  23. Install the RH floor air outlet duct retaining screws.
  24. Tighten
    Tighten the screws to 1.6 N·m (14 lb in).


    Object Number: 295333  Size: SH
  25. Connect the electrical connector to the RH temperature actuator.
  26. Connect the sunload sensor electrical connector.

  27. Object Number: 95658  Size: SH
  28. Install the passenger SIR bracket and the passenger knee bolster bracket. Refer to Knee Bolster Bracket Replacement in Instrument Panel, Gauges and Console.
  29. Install the RH side window defogger outlet duct - lower.
  30. 18.1. Use a twisting motion to secure the defogger outlet duct - lower to the defogger outlet duct - upper, then to the windshield defroster duct.
    18.2. Install the defogger outlet duct - lower retaining tabs to the passenger SIR bracket.

    Object Number: 95652  Size: SH
  31. Position and align the LH floor air outlet duct - rear to the HVAC module, then push firmly and evenly to secure the duct.

  32. Object Number: 95646  Size: SH
  33. Install the LH floor air outlet duct to the HVAC module.
  34. Install the LH floor air outlet duct retaining screws.
  35. Tighten
    Tighten the screws to 1.6 N·m (14 lb in).

  36. Install the IP center support bracket and the ignition switch housing bracket. Refer to Instrument Panel Center Support Bracket Replacement in Instrument Panel, Gauges and Console.

  37. Object Number: 295297  Size: SH
  38. Connect the electrical connector to the LH temperature actuator.
  39. Connect the DRL sensor electrical connector, if equipped.

  40. Object Number: 95644  Size: SH
  41. Install the inside air temperature sensor aspirator duct muffler.
  42. Use a twisting motion to secure the duct muffler.


    Object Number: 95661  Size: SH
  43. Install the inside air temperature sensor aspirator duct.
  44. 26.1. Use a twisting motion to secure the duct to the duct muffler.
    26.2. Install the duct retaining tab to the ignition switch housing bracket.

    Object Number: 95655  Size: SH
  45. Install the LH side window defogger outlet duct - lower.
  46. 27.1. Use a twisting motion to secure the defogger outlet duct - lower to the defogger outlet duct - upper, then to the windshield defroster duct.
    27.2. Install the push-in retainer.

    Object Number: 95727  Size: SH
  47. Install the instrument panel cluster (IPC) into position.
  48. Install the IPC to steering column bracket retaining screws.
  49. Tighten
    Tighten the screws to 3.5 N·m (31 lb in).

  50. Install the IP upper trim pad. Refer to Instrument Panel Upper Trim Pad Replacement in Instrument Panel, Gauges and Console.
  51. Install the LH lower insulator panel. Refer to Instrument Panel Insulator Panel Replacement - Left Side in Instrument Panel, Gauges and Console.
  52. Install the knee bolster trim panel. Refer to Driver Knee Bolster Panel Replacement in Instrument Panel, Gauges and Console.
  53. Install the RH lower insulator panel. Refer to Instrument Panel Insulator Panel Replacement - Right Side in Instrument Panel, Gauges and Console.
  54. Install the IP compartment. Refer to Instrument Panel Compartment Replacement in Instrument Panel, Gauges and Console.
  55. Install the IP accessory trim plate. Refer to Instrument Panel Accessory Trim Plate Replacement in Instrument Panel, Gauges and Console.
  56. Install the console. Refer to Console Replacement in Instrument Panel, Gauges and Console.

  57. Object Number: 296218  Size: SH
  58. Install the HVAC module drain tube to the module.
  59. • Ensure that the drain tube is fully seated to the HVAC module.
    • Align the drain tube to contact the cowl as shown (1).

    Object Number: 297232  Size: SH
  60. Remove the cap or tape from the accumulator hose, evaporator tube - rear and the evaporator.
  61. Install new O-rings to the evaperator tube. Refer to O-Ring Replacement

  62. Object Number: 621748  Size: SH
  63. Install the accumulator hose and evaporator tube - rear to the evaporator.
  64. Install the accumulator hose to evaporator retaining bolt.
  65. Tighten
    Tighten the bolt to 16 N·m (12 lb ft).


    Object Number: 621745  Size: SH
  66. Remove the cap or plug from the heater pipe assembly and the heater core.
  67. Install new sealing washers to the heater pipe assmenbly. Refer to Compressor Sealing Washers Replacement
  68. Install the heater pipe assembly to the heater core.
  69. Install the heater pipe assembly retaining bolt.
  70. Tighten
    Tighten the bolt to 16 N·m (12 lb ft).

  71. Install the RH air injection pipe.
  72. Install the RH air injection pipe to RH cylinder head bolts.
  73. Tighten
    Tighten the bolts to 20 N·m (15 lb ft).


    Object Number: 63229  Size: SH
  74. Install the RH air injection check valve to LH cylinder head bolt.
  75. Tighten
    Tighten the bolt to 20 N·m (15 lb ft).

  76. Connect the hose and hose clamp to the RH air injection check valve.

  77. Object Number: 621749  Size: SH
  78. Install the heater pipe bracket into position.
  79. Install the heater pipe bracket retaining nut.
  80. Tighten
    Tighten the nut to 10 N·m (89 lb in).

  81. Install the intake manifold. Refer to Intake Manifold Replacement in Engine Mechanical.
  82. Install the battery heat shield. Refer to Battery Heat Shield Replacement in Engine Electrical.
  83. Evacuate and recharge the A/C system. Refer to Refrigerant Recovery and Recharging .
  84. Leak test the fittings of the component using J 39400-A .