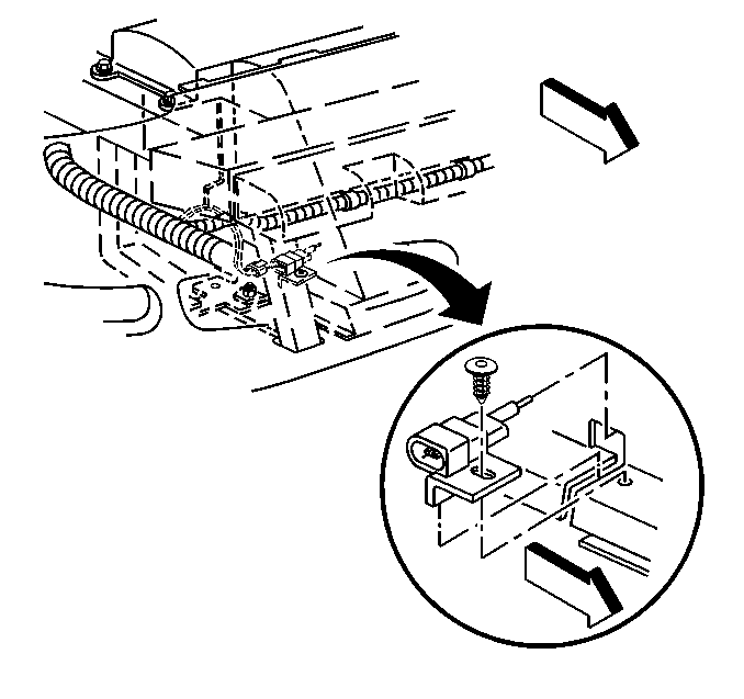
Important: The ambient air temperature sensor must be orientated so that the sensor probe end is inboard and the electrical connector is outboard.