GM Service Manual Online
For 1990-2009 cars only
Makes
🢒
Chevrolet
🢒
2001
🢒
Corvette
🢒
Body and Accessories
🢒
Body Control System
🢒 Keyless Entry Schematics
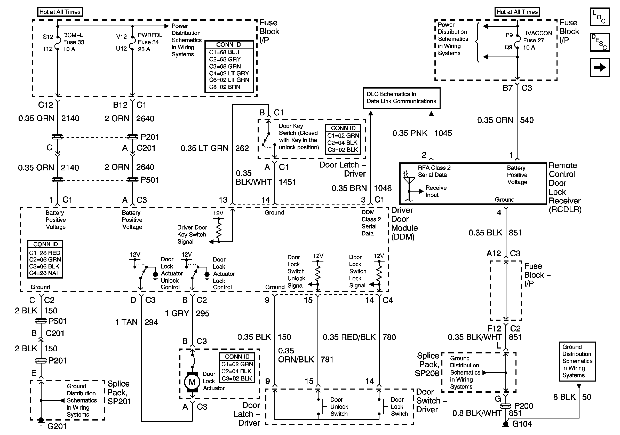
Figure
1:
Left Door
Master Electrical Component List
Keyless Entry System Description and Operation
RH Door
G201
Instrument Panel Electrical Center Bussing (1 of 2)
Star Connectors
Instrument Panel Electrical Center Bussing (1 of 2)
G104
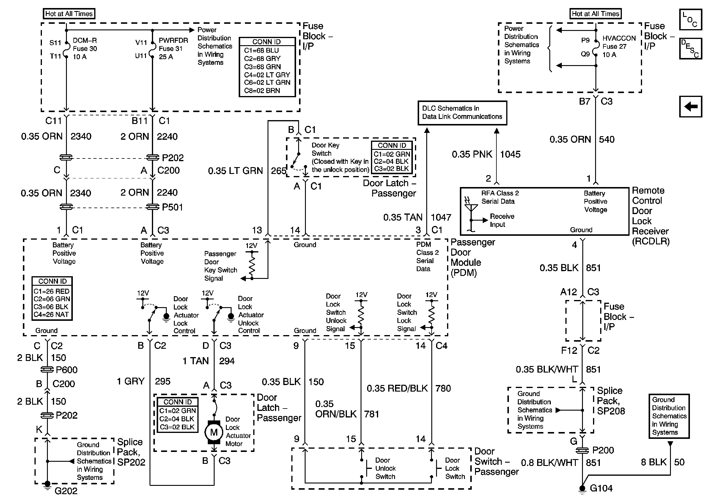
Figure
2:
Right Door
Master Electrical Component List
Keyless Entry System Description and Operation
LH Door
Instrument Panel Electrical Center Bussing (1 of 2)
G202
Star Connectors
Instrument Panel Electrical Center Bussing (1 of 2)
G104