GM Service Manual Online
For 1990-2009 cars only
Figure 1:

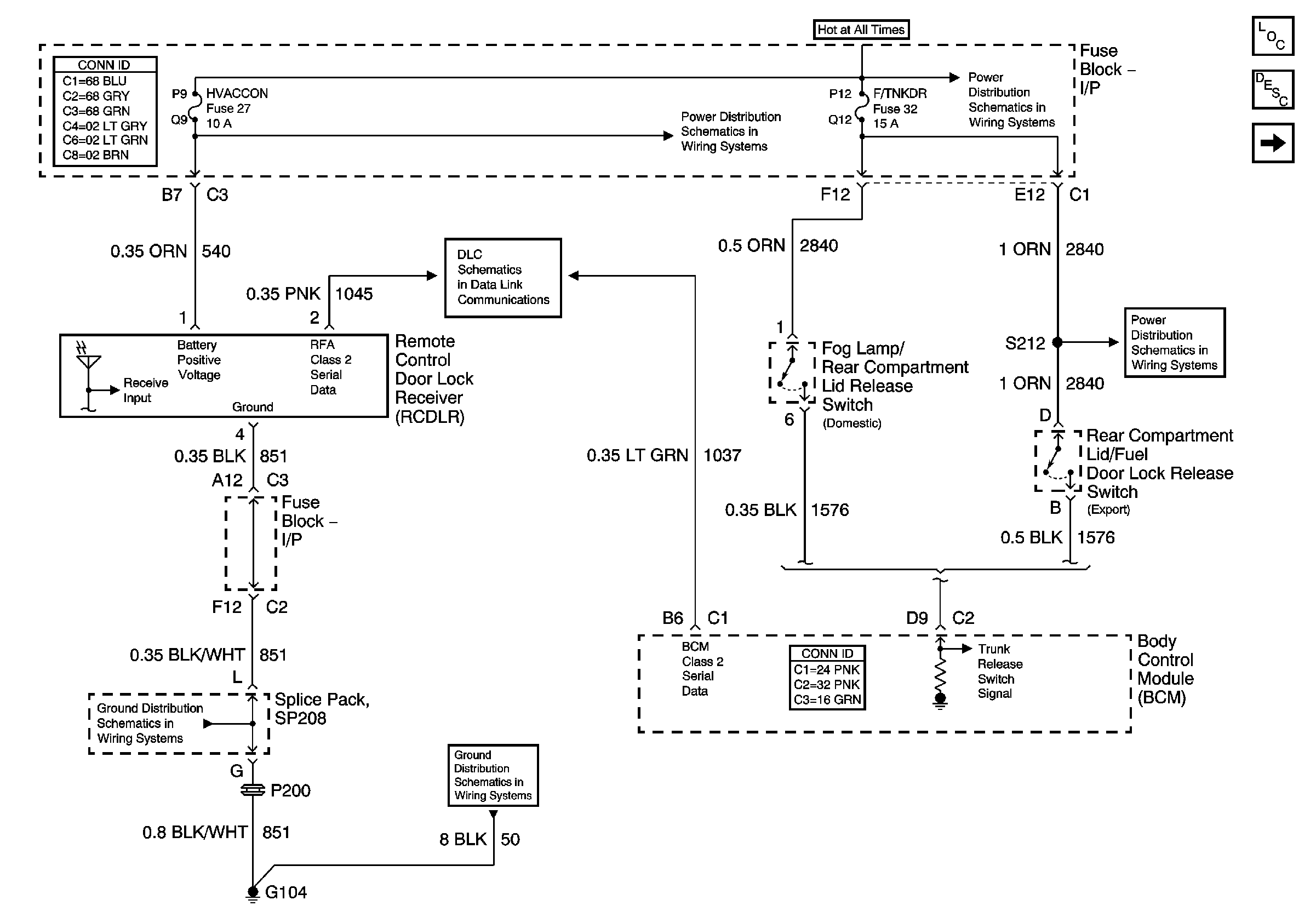
Remote Control Door Lock Receiver and Rear Compartment Lid Release Request


Object Number: 690935  Size: FS
Master Electrical Component List
Luggage Compartment Description and Operation
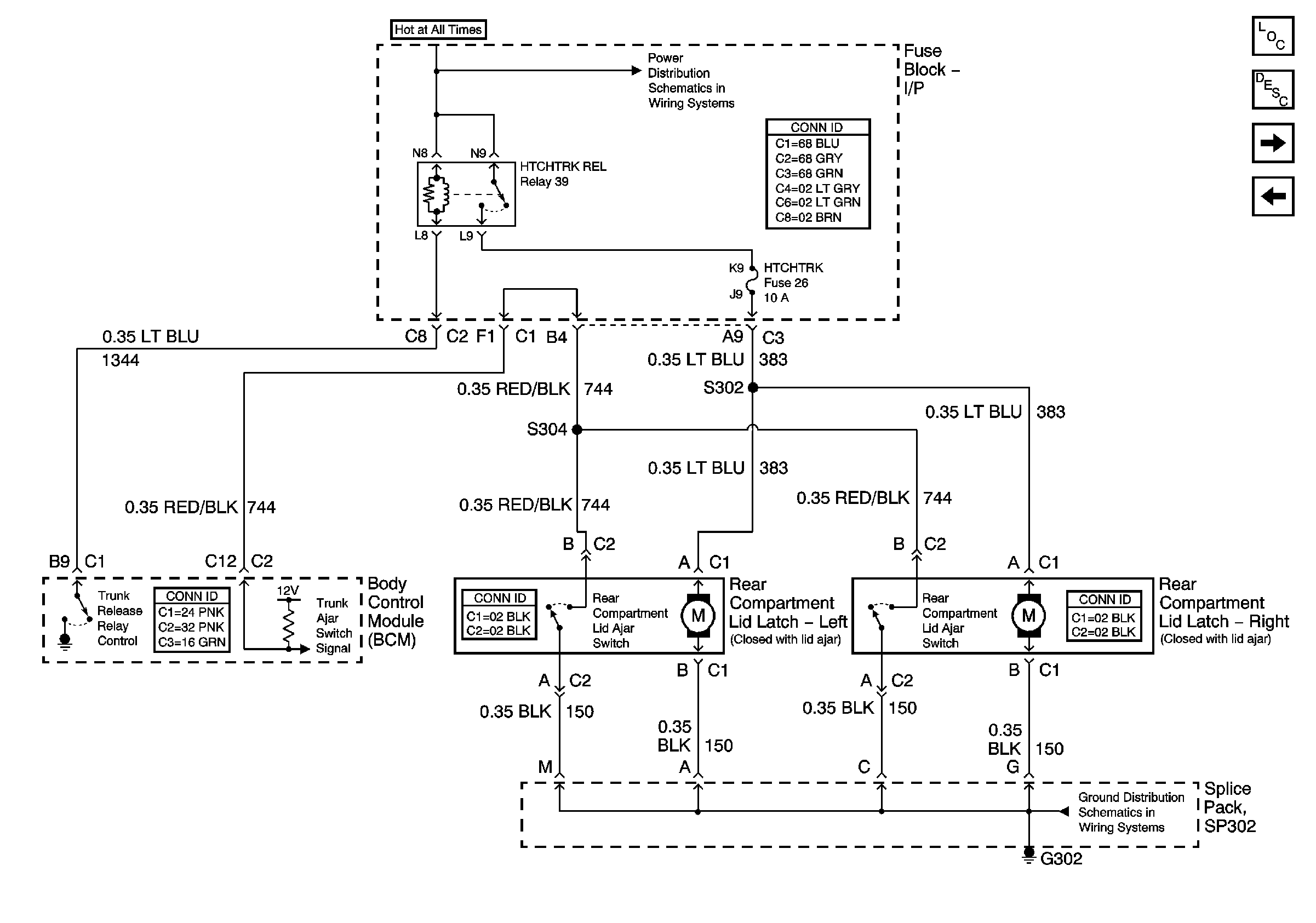
Rear Compartment Lid Release Control and Rear Compartment Lid Ajar Switch (Hardtop/Convertible)
G104
Star Connectors
Instrument Panel Electrical Center Bussing (1 of 2)
Instrument Panel Electrical Center Bussing (1 of 2)
Instrument Panel Electrical Center Fuses 32, 26, 52 and Relay 39
Figure 2:

Rear Compartment Lid Release Control and Rear Compartment Lid Ajar Switch (Hardtop/Convertible)


Object Number: 691030  Size: FS
Master Electrical Component List
Luggage Compartment Description and Operation
Rear Compartment Lid Release Control and Rear Compartment Lid Ajar Switch (Coupe)
Remote Control Door Lock Receiver and Rear Compartment Lid Release Request
Instrument Panel Electrical Center Bussing (1 of 2)
G301, G402 and G302
Figure 3:

Rear Compartment Lid Release Control and Rear Compartment Lid Ajar Switch (Coupe)


Object Number: 691038  Size: FS
Master Electrical Component List
Luggage Compartment Description and Operation
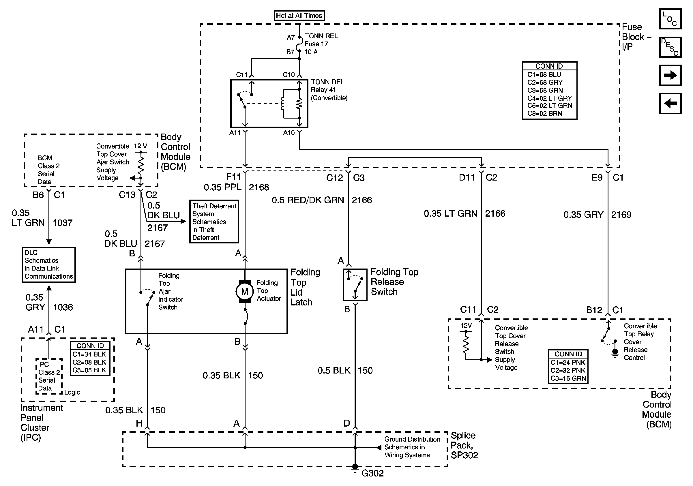
Folding Top Control
Rear Compartment Lid Release Control and Rear Compartment Lid Ajar Switch (Hardtop/Convertible)
Instrument Panel Electrical Center Bussing (1 of 2)
G301, G402 and G302
Figure 4:

Folding Top Control


Object Number: 691043  Size: FS
Master Electrical Component List
Folding Top Cover Description and Operation
Fuel Tank Filler Door Release
Rear Compartment Lid Release Control and Rear Compartment Lid Ajar Switch (Coupe)
Star Connectors
Hood Ajar Switch Signal and Convertible Top Cover Ajar Switch Supply Voltage
G301, G402 and G302
Figure 5:

Fuel Tank Filler Door Release


Object Number: 691046  Size: FS
Master Electrical Component List
Fuel Fill Door Description and Operation
Folding Top Control
Instrument Panel Electrical Center Bussing (1 of 2)
G301, G402 and G302