GM Service Manual Online
For 1990-2009 cars only

Removal Procedure


    Object Number: 141964  Size: SH
  1. Raise the vehicle and suitably support. Refer to Lifting and Jacking the Vehicle in General Information.
  2. Support the radiator.

  3. Object Number: 63733  Size: SH
  4. Remove the center air deflector. Refer to Front Bumper Fascia Air Deflector Replacement in Bumpers.

  5. Object Number: 63701  Size: SH
  6. Remove the right and left fascia close out panels. Refer to Front Bumper Fascia Lower Close Out Panel Replacement in Bumpers.

  7. Object Number: 63693  Size: SH
  8. Remove the bolts attaching the fascia to the right and left skid bar brackets.

  9. Object Number: 141965  Size: SH
  10. Remove the bolt attaching the lower radiator support to the right skid bar bracket and the bolt attaching the support to the left skid bar bracket.

  11. Object Number: 63704  Size: SH
  12. Reposition the left brake caliper cooling duct. Refer to Front Brake Caliper Cooling Duct Replacement in Bumpers.

  13. Object Number: 220788  Size: SH
  14. Remove the tie strap attaching the AIR hose to the skid bar.
  15. Remove the AIR pump bracket attaching bolts.
  16. Reposition the AIR pump.
  17. Reposition the AIR pump electrical harnesses.

  18. Object Number: 63728  Size: SH
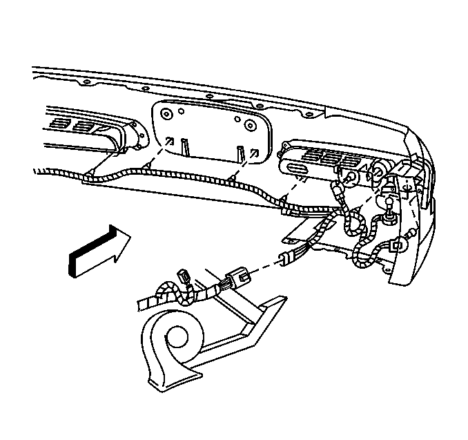
  19. Remove the wire harness from the clip on the right rear side of the skid bar.
  20. Remove the harness connector from the right front side of the skid bar.
  21. Remove the horn bracket with the horns from the skid bar.
  22. Disconnect the horn electrical connection.

  23. Object Number: 141964  Size: SH
  24. Support the skid bar.
  25. Remove the four skid bar to frame attaching bolts.
  26. Lower the skid bar removing the right radiator insulator from the skid bar.
  27. Remove the skid bar.
  28. Transfer parts as necessary.

Installation Procedure


    Object Number: 141968  Size: SH
  1. Install the right insulator to the radiator.

  2. Object Number: 141964  Size: SH
  3. Install the left insulator to the skid bar.
  4. Position the skid bar.
  5. Notice: Use the correct fastener in the correct location. Replacement fasteners must be the correct part number for that application. Fasteners requiring replacement or fasteners requiring the use of thread locking compound or sealant are identified in the service procedure. Do not use paints, lubricants, or corrosion inhibitors on fasteners or fastener joint surfaces unless specified. These coatings affect fastener torque and joint clamping force and may damage the fastener. Use the correct tightening sequence and specifications when installing fasteners in order to avoid damage to parts and systems.

  6. Install the skid bar to the frame with the attaching bolts.
  7. Tighten
    Tighten the skid bar to frame bolts to 50 N·m (36 lb ft).


    Object Number: 141971  Size: SH
  8. Install the right bolt and the left bolt attaching the lower radiator support to the skid bar.
  9. Tighten
    Tighten the lower radiator support to skid bar bolts to 2.5 N·m (22 lb in).


    Object Number: 220788  Size: SH
  10. Install the AIR pump and bracket.
  11. Tighten
    Tighten the AIR pump bracket bolts to 9 N·m (79 lb in).

  12. Tie strap the AIR hose to the skid bar.

  13. Object Number: 63704  Size: SH
  14. Install the left brake caliper cooling duct. Refer to Front Brake Caliper Cooling Duct Replacement in Bumpers.

  15. Object Number: 63728  Size: SH
  16. Connect the electrical connector to the horns.
  17. Install the horns with bracket to the skid bar.
  18. Tighten
    Tighten the horn bracket bolts to 9 N·m (79 lb in).

  19. Install the harness connector to the front of the skid bar.
  20. Install the harness to the clip on the rear of the skid bar.

  21. Object Number: 63693  Size: SH
  22. Install the bolts attaching the fascia to the right and left skid bar brackets.
  23. Tighten
    Tighten the fascia to skid bar bolts to 5 N·m (44 lb in).


    Object Number: 63701  Size: SH
  24. Install the right and left fascia close out panels. Refer to Front Bumper Fascia Lower Close Out Panel Replacement in Bumpers.
  25. Tighten
    Tighten the fascia close out panel bolts to 7 N·m (62 lb in).


    Object Number: 63733  Size: SH
  26. Install the center air deflector.
  27. Tighten
    Tighten the center air deflector bolts to 7 N·m (62 lb in).

  28. Remove the support from the radiator.
  29. Lower the vehicle.