GM Service Manual Online
For 1990-2009 cars only

Removal Procedure

Caution: Disconnect the power window switch when working inside the driver's door. When operated, the Express Down Feature allows the door window to drop very quickly, without stopping, which could cause personal injury.


    Object Number: 63818  Size: SH
  1. Lower the door window.
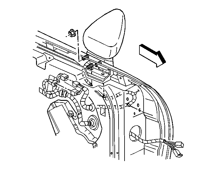
  2. Remove the door trim panel. Refer to Door Trim Panel Replacement .

  3. Object Number: 63833  Size: SH
  4. Remove the door radio speaker assembly.
  5. • Remove the screws mounting the speaker assembly.
    • Disconnect the electrical/audio connector.

    Object Number: 63834  Size: SH
  6. Remove the mirror nut access plugs.

  7. Object Number: 63798  Size: SH
  8. Disconnect the electrical connector(s).
  9. Disconnect the mirror harness from the retainers.
  10. Remove the nuts from the mirror studs.
  11. Remove the mirror with the harness and gasket.

Installation Procedure

Caution: Disconnect the power window switch when working inside the driver's door. When operated, the Express Down Feature allows the door window to drop very quickly, without stopping, which could cause personal injury.


    Object Number: 63798  Size: SH
  1. Position the mirror with the gasket and harness to the door.
  2. Notice: Use the correct fastener in the correct location. Replacement fasteners must be the correct part number for that application. Fasteners requiring replacement or fasteners requiring the use of thread locking compound or sealant are identified in the service procedure. Do not use paints, lubricants, or corrosion inhibitors on fasteners or fastener joint surfaces unless specified. These coatings affect fastener torque and joint clamping force and may damage the fastener. Use the correct tightening sequence and specifications when installing fasteners in order to avoid damage to parts and systems.

  3. Install the nuts to the mirror.
  4. Tighten
    Tighten the mirror nuts to 10 N·m (89 lb in).

  5. Route the harness and secure the harness with the harness retainers.
  6. Connect the electrical connector(s).

  7. Object Number: 63834  Size: SH
  8. Install the mirror nut access plugs.

  9. Object Number: 63833  Size: SH
  10. Install the uppermost screw mounting the radio speaker assembly to the door.
  11. Install the remaining screws in a criss-cross pattern.
  12. Tighten
    Tighten the door speaker assembly screws to 2.5 N·m (22 lb in).

  13. Connect the electrical/audio connector.
  14. Connect the speaker connectors.

  15. Object Number: 63818  Size: SH
  16. Install the door trim panel. Refer to Door Trim Panel Replacement .