GM Service Manual Online
For 1990-2009 cars only

Removal Procedure

Caution: Disconnect the power window switch when working inside the driver's door. When operated, the Express Down Feature allows the door window to drop very quickly, without stopping, which could cause personal injury.

Important: The regulator and the motor are serviced as an assembly.


    Object Number: 63818  Size: SH
  1. Remove the door trim panel. Refer to Door Trim Panel Replacement .

  2. Object Number: 63790  Size: SH
  3. Remove the water deflector.

  4. Object Number: 63833  Size: SH
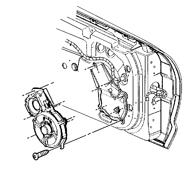
  5. Remove the radio speaker assembly from the door.
  6. 3.1. Disconnect the electrical/audio connector.
    3.2. Remove the speaker retaining screws.

    Object Number: 63834  Size: SH
  7. Remove the plugs from the window clamp sight access holes.

  8. Object Number: 63801  Size: SH
  9. Remove the door window. Refer to Door Window Replacement .

  10. Object Number: 63808  Size: SH
  11. Disconnect the regulator motor electrical connector.

  12. Object Number: 63803  Size: SH
  13. Remove the front plug from under the bottom of the door.

  14. Object Number: 63807  Size: SH
  15. Mark the location of the regulator to aid in reassembly.
  16. Remove the nuts from the regulator lower channel studs.
  17. Remove the nuts from the regulator motor studs.
  18. Remove the regulator rose bud clip from the door.
  19. Remove the nuts from the upper regulator channel studs.
  20. Fold the regulator and remove the regulator through the door inner opening.

Installation Procedure

Caution: Disconnect the power window switch when working inside the driver's door. When operated, the Express Down Feature allows the door window to drop very quickly, without stopping, which could cause personal injury.


    Object Number: 63807  Size: SH
  1. Adjust the regulator jack screws to match the old regulator if replacing the regulator.
  2. Fold the regulator and insert the folded regulator into the door with the motor forward.

  3. Object Number: 419052  Size: SH
  4. Position the motor studs through the door inner panel.
  5. Notice: Use the correct fastener in the correct location. Replacement fasteners must be the correct part number for that application. Fasteners requiring replacement or fasteners requiring the use of thread locking compound or sealant are identified in the service procedure. Do not use paints, lubricants, or corrosion inhibitors on fasteners or fastener joint surfaces unless specified. These coatings affect fastener torque and joint clamping force and may damage the fastener. Use the correct tightening sequence and specifications when installing fasteners in order to avoid damage to parts and systems.

  6. Install the nuts to the motor studs.
  7. Tighten
    Tighten the window regulator motor nuts to 10 N·m (89 lb in).


    Object Number: 419054  Size: SH
  8. Install the regulator channel studs through the holes in the door.
  9. Install the nuts to the regulator channel studs in the following order:
  10. 6.1. Upper forward
    6.2. Lower forward
    6.3. Upper rearward
    6.4. Lower rearward
  11. Install the regulator rose bud clip to the door.
  12. Tighten the window regulator channel stud nuts.
  13. Tighten
    Tighten the regulator channel stud nuts to 10 N·m (89 lb in).


    Object Number: 63808  Size: SH
  14. Connect the electrical connector to the motor.

  15. Object Number: 63823  Size: SH
  16. Reconnect the window switch and raise the regulator to the full up position.

  17. Object Number: 63801  Size: SH
  18. Install the window. Refer to Door Window Replacement .
  19. Adjust the window to align with door opening.

  20. Object Number: 63834  Size: SH
  21. Install the plugs in the window clamp sight access holes.

  22. Object Number: 63833  Size: SH
  23. Install the uppermost screw mounting the speaker assembly to the door.
  24. Install the remaining screws in a criss-cross pattern.
  25. Tighten
    Tighten the door speaker assembly screws to 3 N·m (27 lb in).

  26. Connect the electrical/audio connector.

  27. Object Number: 63790  Size: SH
  28. Install the water deflector.

  29. Object Number: 63818  Size: SH
  30. Install the door trim panel. Refer to Door Trim Panel Replacement .
  31. Check the window fit, adjust as necessary. Refer to Door Window Major Height Adjustment or Door Window Tip-In Adjustment or Door Window Minor Height Adjustment .
  32. Install the access plugs into the bottom of the door.