GM Service Manual Online
For 1990-2009 cars only

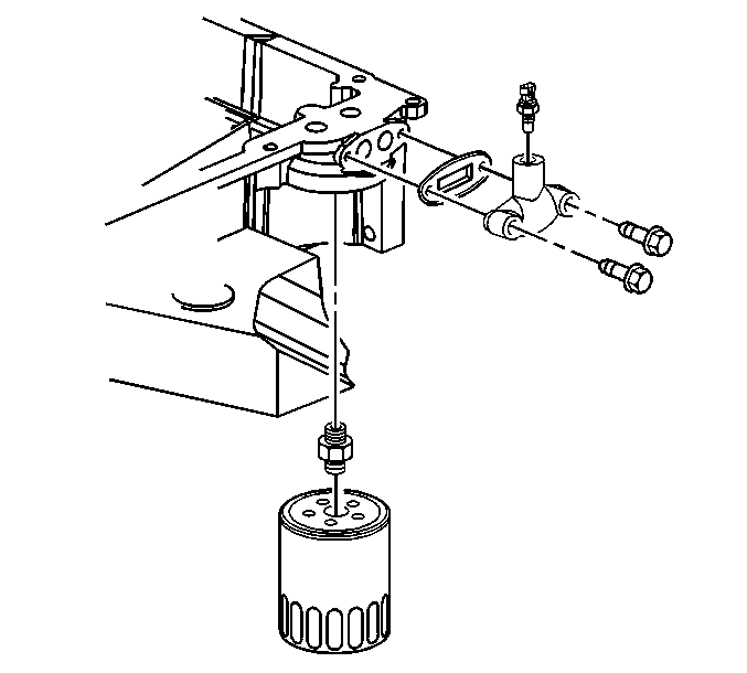
Removal Procedure


    Object Number: 697015  Size: SH
  1. Raise the vehicle. Refer to Lifting and Jacking the Vehicle in General Information.
  2. Remove the engine oil temperature gage sensor.

Installation Procedure


    Object Number: 697015  Size: SH

    Notice: Use the correct fastener in the correct location. Replacement fasteners must be the correct part number for that application. Fasteners requiring replacement or fasteners requiring the use of thread locking compound or sealant are identified in the service procedure. Do not use paints, lubricants, or corrosion inhibitors on fasteners or fastener joint surfaces unless specified. These coatings affect fastener torque and joint clamping force and may damage the fastener. Use the correct tightening sequence and specifications when installing fasteners in order to avoid damage to parts and systems.

  1. Install the engine oil temperature gage sensor.
  2. Tighten
    Tighten the engine oil temperature gage sensor to 23 N·m (17 lb ft).

  3. Lower the vehicle.