GM Service Manual Online
For 1990-2009 cars only
Makes
🢒
Chevrolet
🢒
2001
🢒
Corvette
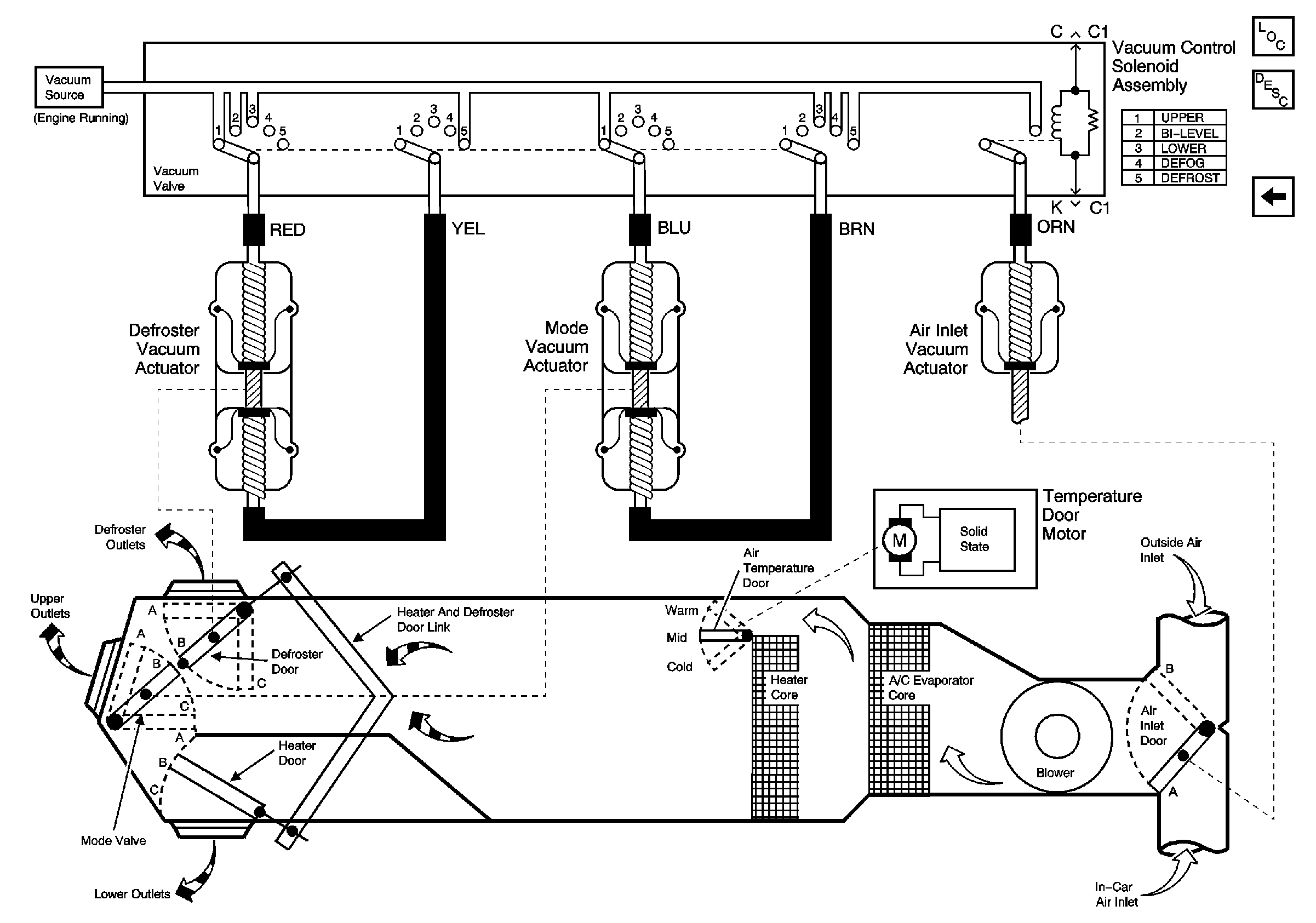
🢒 Air Delivery/Temperature Controls (Vacuum Routing)
Air Delivery/Temperature Controls (Vacuum Routing)
Air Delivery/Temperature Controls - Vacuum Routing
Master Electrical Component List
Air Delivery Description and Operation
Air Delivery/Temperature Controls