GM Service Manual Online
For 1990-2009 cars only
Makes
🢒
Chevrolet
🢒
2001
🢒
Corvette
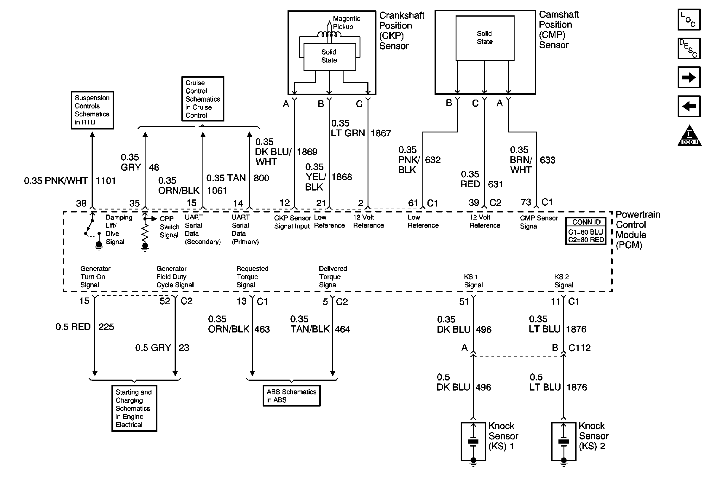
🢒 Crankshaft Position (CKP), Camshaft Position (CMP) and Front and Rear Knock Sensors
Crankshaft Position (CKP), Camshaft Position (CMP) and Front and Rear Knock Sensors
Crankshaft Position (CKP), Camshaft Position (CMP) and Front and Rear Knock Sensors
Master Electrical Component List
Powertrain Control Module Description
Heated Oxygen Sensors
Manifold Absolute Pressure (MAP), Engine Coolant Temperature(ECT) and Vehicle Speed Sensors and Engine Speed Output
OBD II Symbol Description Notice
ESC and Traction/Suspension Control Switch
Cruise Control Switch, Throttle Actuator Control Motor and Cruise Control Release Switch
Starter
Traction Control Request, DLC, Torque and Steering Position Signals