GM Service Manual Online
For 1990-2009 cars only
Makes
🢒
Chevrolet
🢒
2001
🢒
Corvette
🢒 Convertible
Convertible
Convertible
Master Electrical Component List
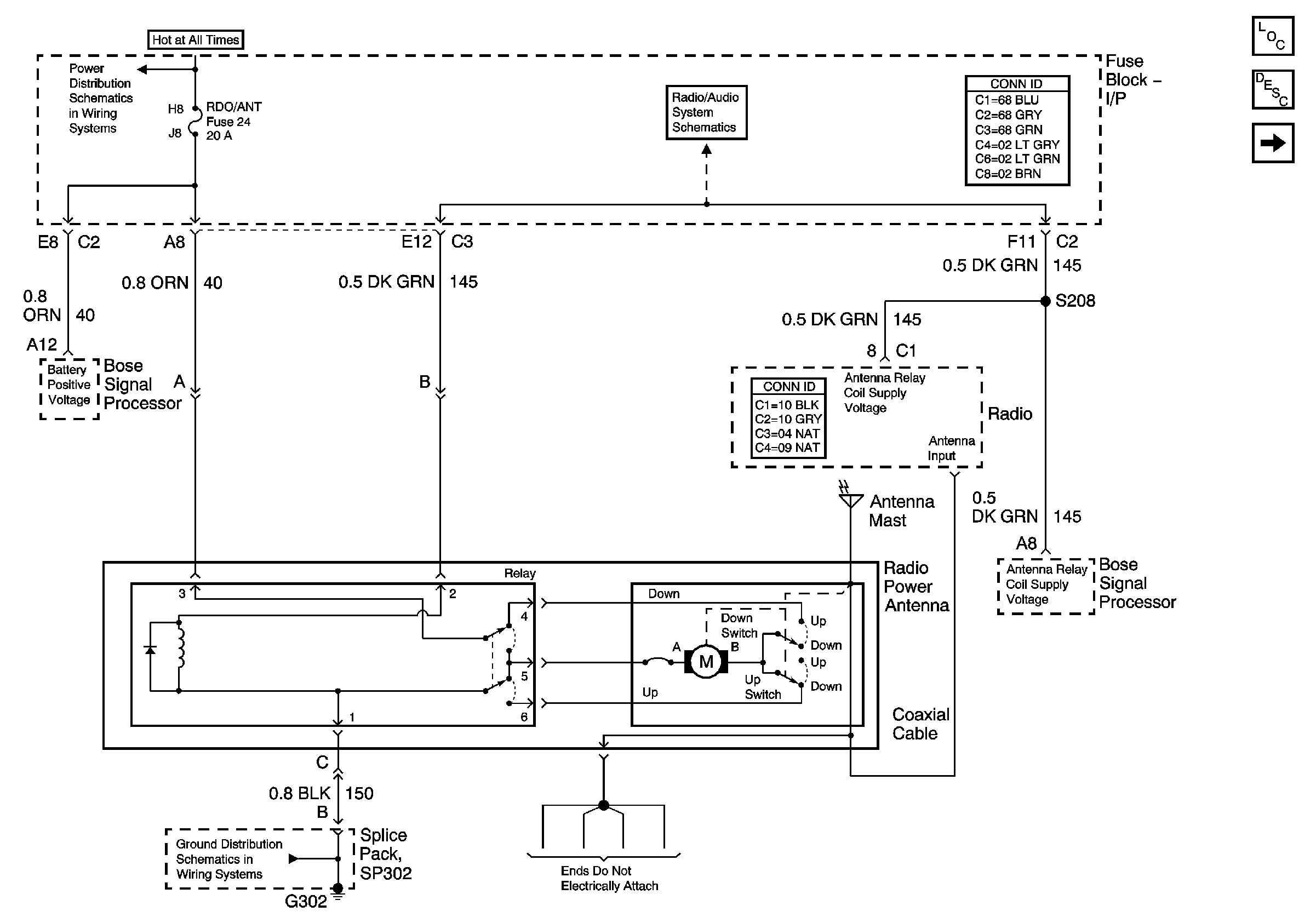
Radio/Audio System Description and Operation
Coupe/Hardtop
Instrument Panel Electrical Center Bussing (1 of 2)
G301, G402 and G302
Bose Relay Control