GM Service Manual Online
For 1990-2009 cars only
Makes
🢒
Chevrolet
🢒
2002
🢒
Corvette
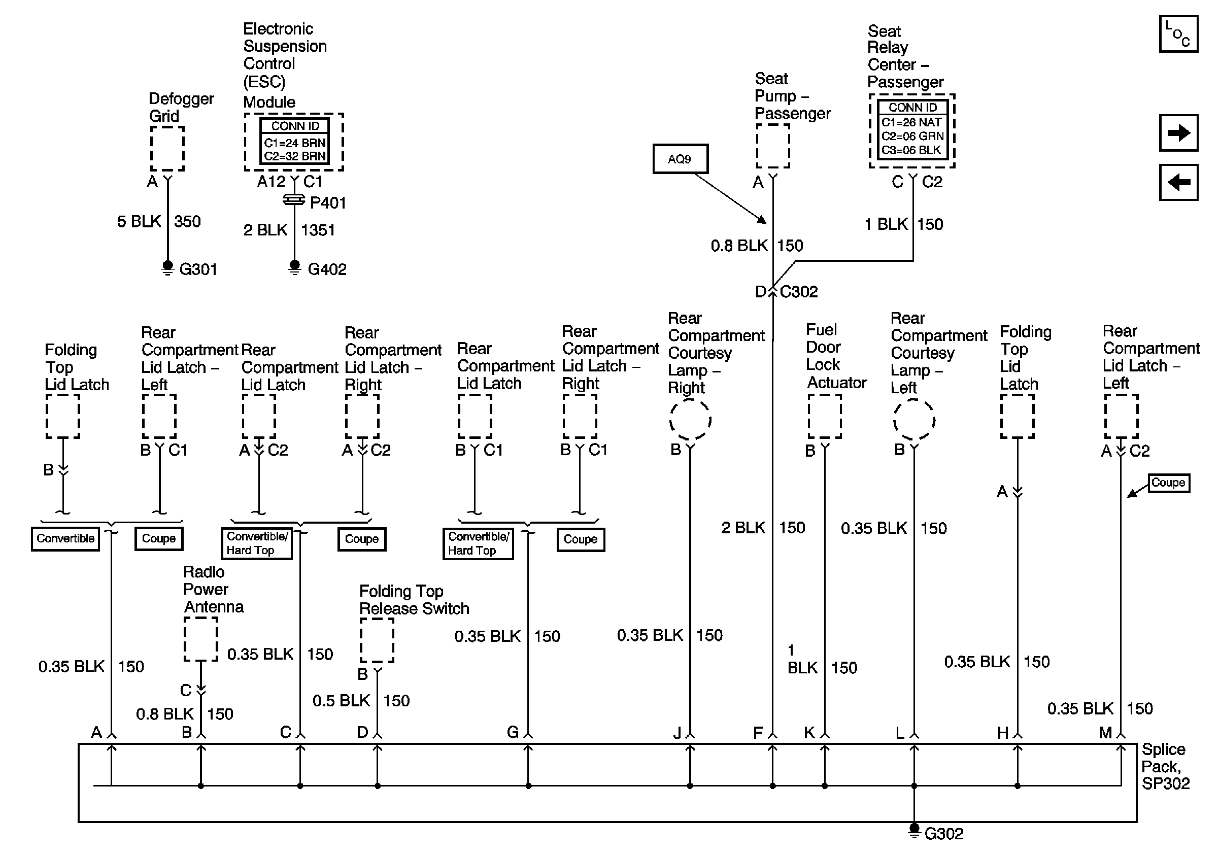
🢒 G301, G402 and G302
G301, G402 and G302
G301, G402 and G302
Master Electrical Component List
G401
G205