GM Service Manual Online
For 1990-2009 cars only
Makes
🢒
Chevrolet
🢒
2002
🢒
Corvette
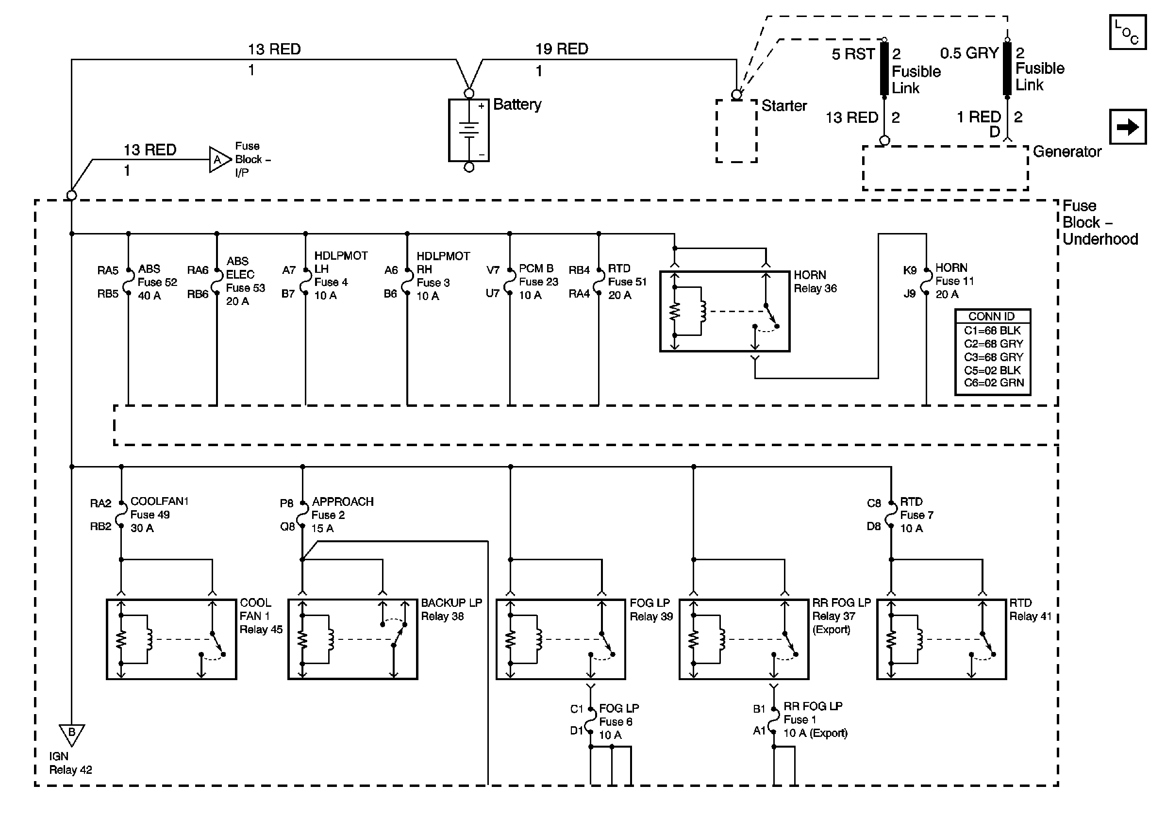
🢒 Underhood Electrical Center Bussing (1 of 2)
Underhood Electrical Center Bussing (1 of 2)
Fuse Block -- Underhood Bussing (1 of 2)
Master Electrical Component List
Underhood Electrical Center Bussing (2 of 2)
Instrument Panel Electrical Center Bussing (1 of 2)
Underhood Electrical Center Bussing (2 of 2)