GM Service Manual Online
For 1990-2009 cars only
Makes
🢒
Chevrolet
🢒
2002
🢒
Corvette
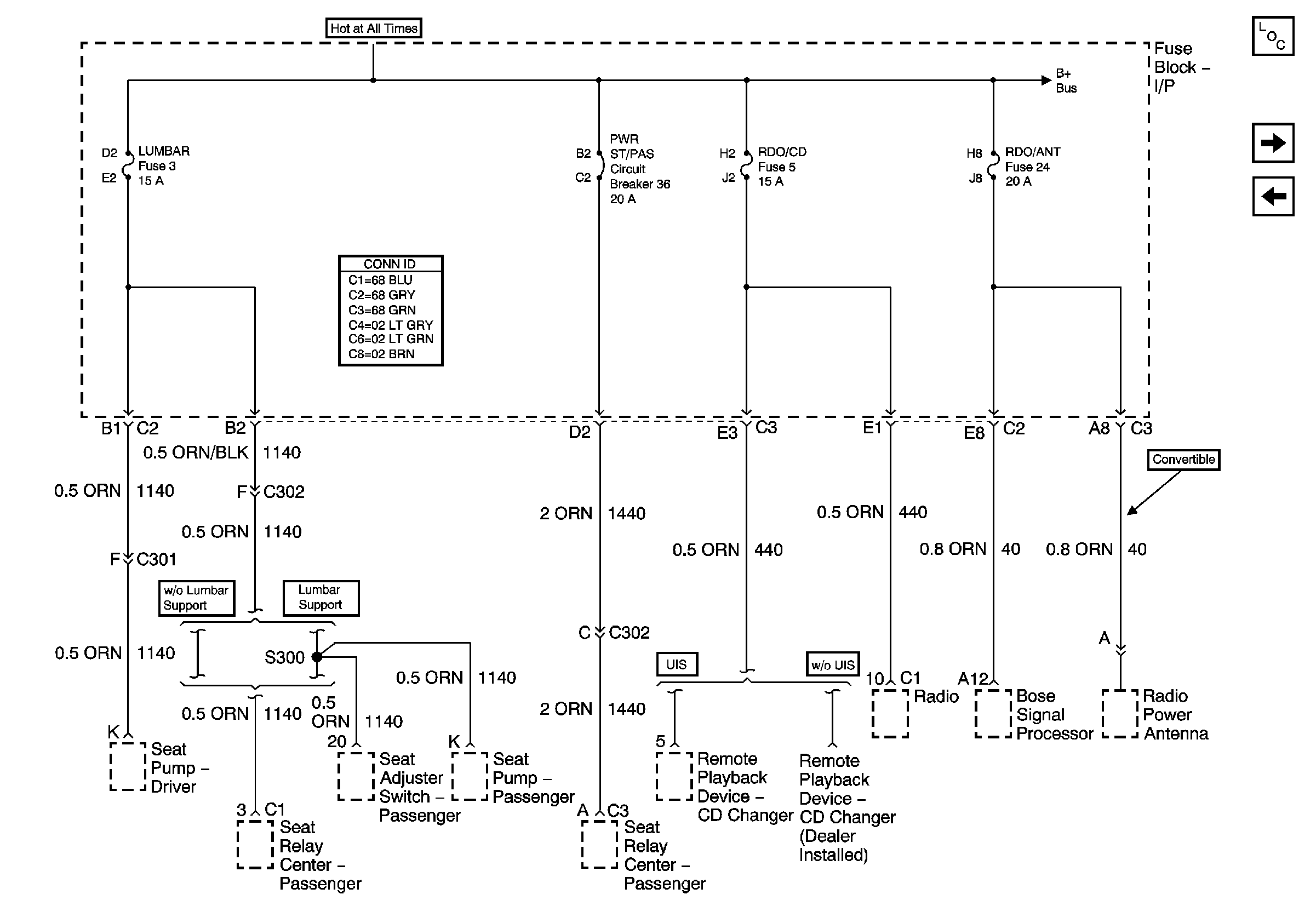
🢒 Instrument Panel Electrical Center Fuses 3, 5, 24 and Circuit Breaker36
Instrument Panel Electrical Center Fuses 3, 5, 24 and Circuit Breaker36
Fuse Block -- I/P Fuses 3, 5, 24 and Circuit Breaker 36
Master Electrical Component List
Instrument Panel Electrical Center Fuses 51, 27, 8, 1 and 7
Instrument Panel Electrical Center Fuses 33, 34, 30, 31, 4 and Circuit Breaker 35