GM Service Manual Online
For 1990-2009 cars only
Makes
🢒
Chevrolet
🢒
2002
🢒
Corvette
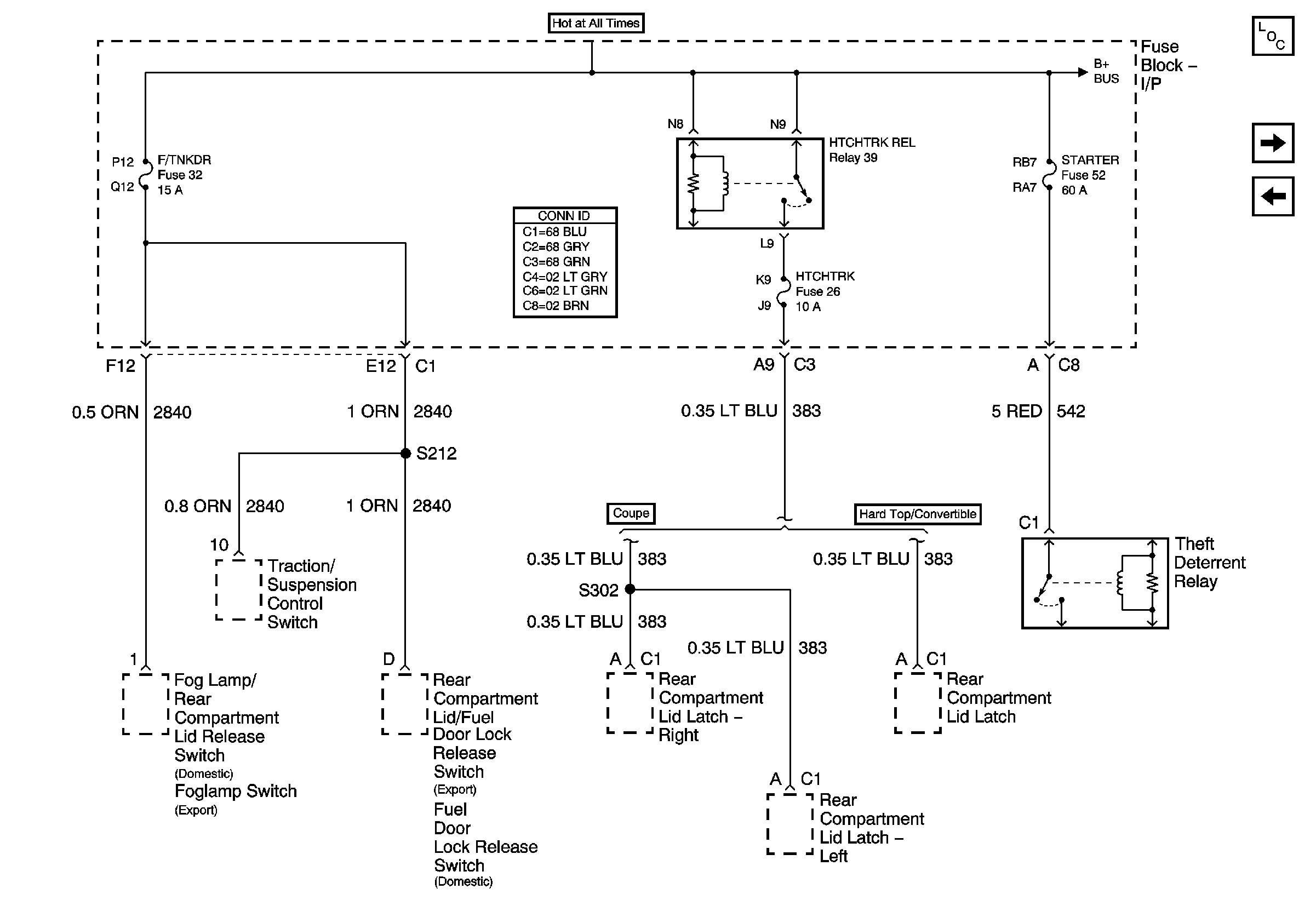
🢒 Instrument Panel Electrical Center Fuses 32, 26, 52 and Relay 39
Instrument Panel Electrical Center Fuses 32, 26, 52 and Relay 39
Fuse Block -- I/P Fuses 32, 26, 52 and Relay 39
Master Electrical Component List
Instrument Panel Electrical Center Fuses 2, 25, 23 and Relay 37
Instrument Panel Electrical Center Fuses 51, 27, 8, 1 and 7