GM Service Manual Online
For 1990-2009 cars only
Makes
🢒
Chevrolet
🢒
2002
🢒
Corvette
🢒 Engine Data Sensors - MAF and Extended Brake Switch
Engine Data Sensors - MAF and Extended Brake Switch
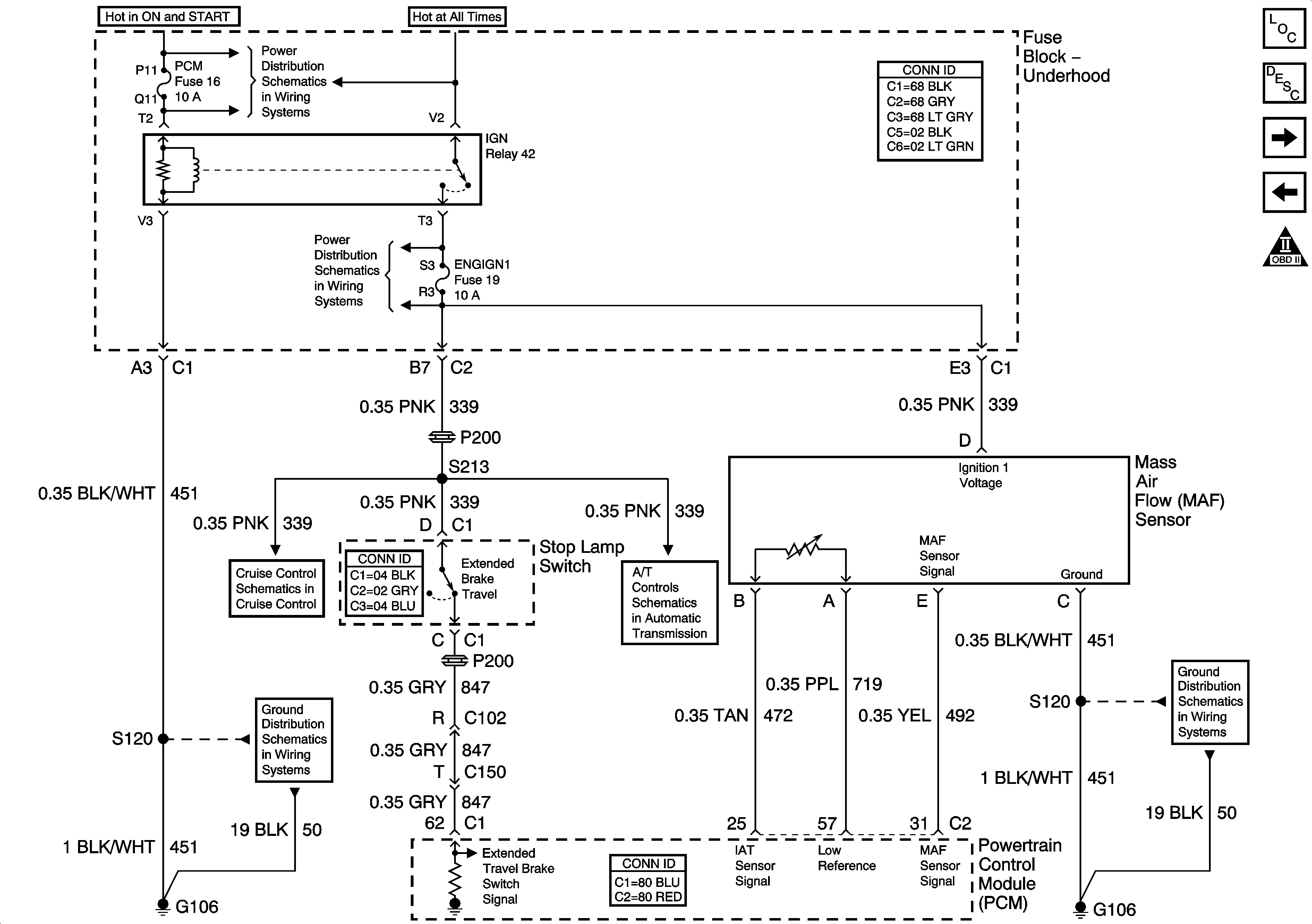
Engine Data Sensors -- MAF and Extended Brake Travel Switch
Master Electrical Component List
Air Intake System Description
Engine Data Sensors - HO2S
Engine Data Sensors - Pressure, Temperature and VSS
Engine Controls Schematic Icons
Underhood Electrical Center Fuses 14, 13, 16, 15, 5 and Relays 43,44, 35 and 42
Underhood Electrical Center Bussing (2 of 2)
Power, Ground and Stoplamp Switch
G106 and G105
Torque Convertor Clutch (TCC) Control Switch
G106 and G105