GM Service Manual Online
For 1990-2009 cars only
Makes
🢒
Chevrolet
🢒
2002
🢒
Corvette
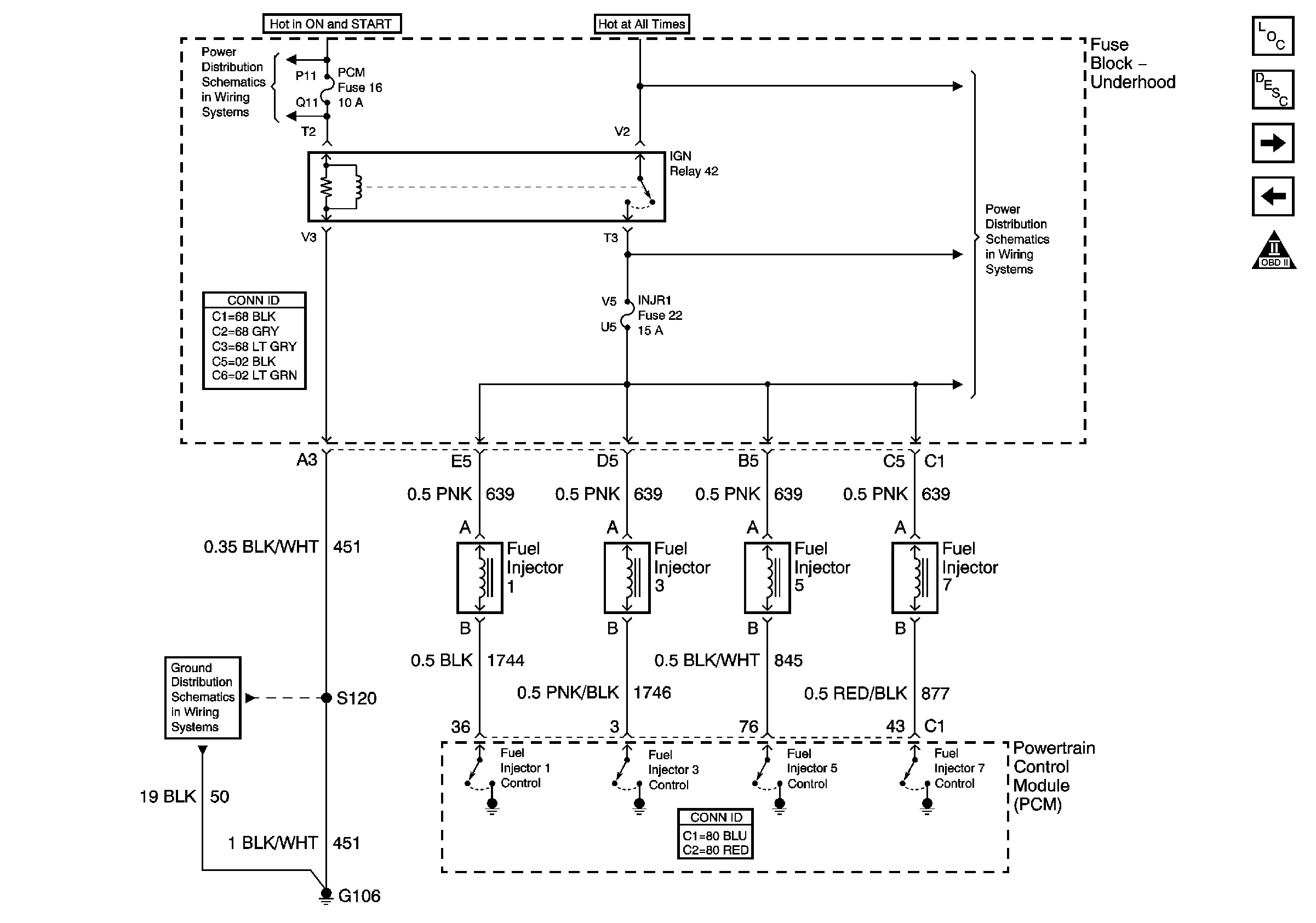
🢒 Fuel Controls - Fuel Injectors 1,3,5,7
Fuel Controls - Fuel Injectors 1,3,5,7
Fuel Controls -- Fuel Injectors 1,3,5,7
Master Electrical Component List
Fuel System Description
Fuel Controls - Fuel Injectors 2,4,6,8
Fuel Controls - Fuel Pump Controls
Engine Controls Schematic Icons
G106 and G105
Underhood Electrical Center Fuses 14, 13, 16, 15, 5 and Relays 43,44, 35 and 42
Underhood Electrical Center Bussing (2 of 2)