GM Service Manual Online
For 1990-2009 cars only
Makes
🢒
Chevrolet
🢒
2004
🢒
Corvette
🢒 Generator
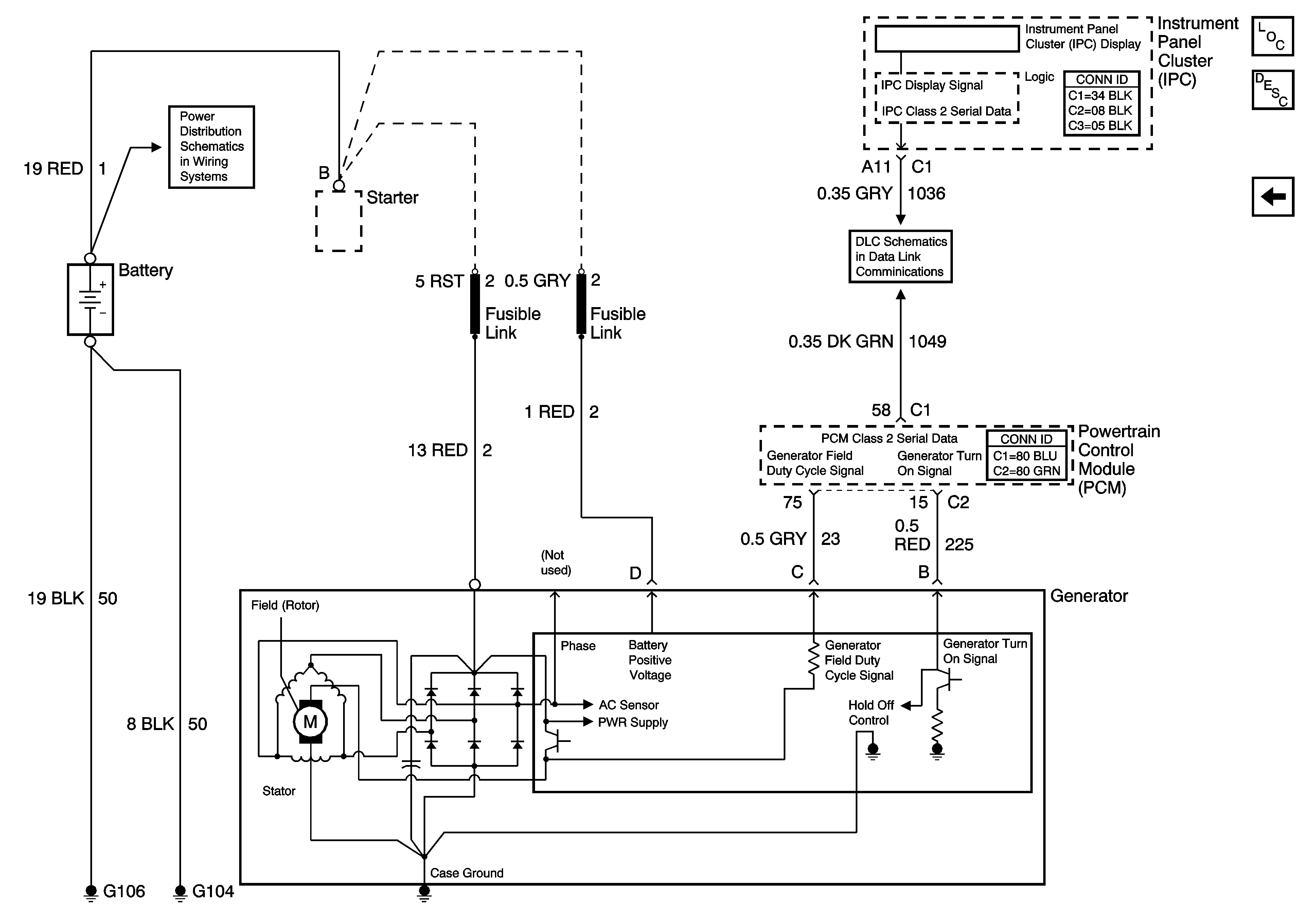
Generator
Generator
Master Electrical Component List
Charging System Description and Operation
Starter
Star Connectors
Fuse Block-Underhood Bussing 1 of 2