GM Service Manual Online
For 1990-2009 cars only
Makes
🢒
Chevrolet
🢒
2004
🢒
Corvette
🢒 Fuse Block-I/P Fuses 51, 27, 8, 1 and 7
Fuse Block-I/P Fuses 51, 27, 8, 1 and 7
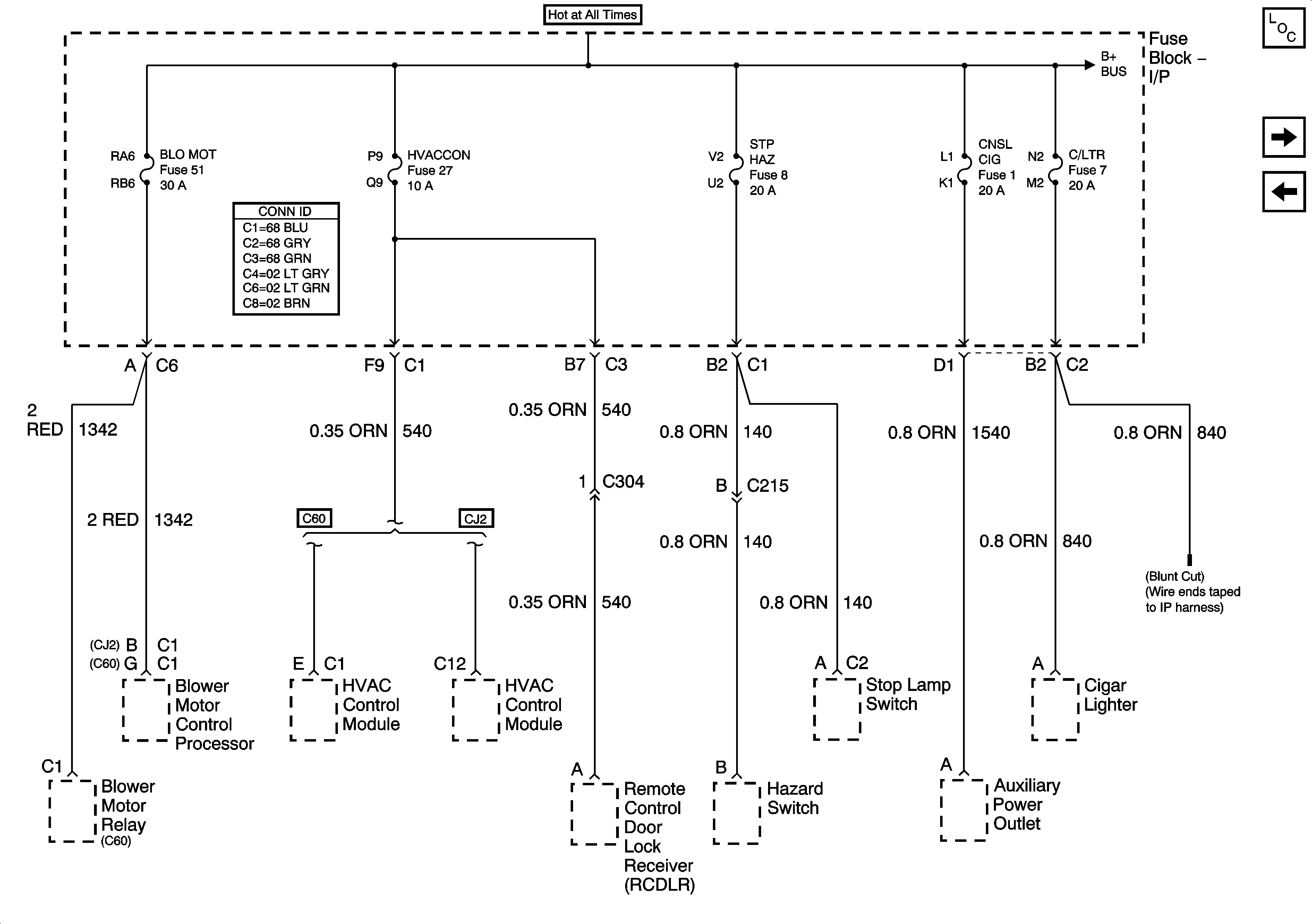
Fuse Block -- I/P Fuses 51, 27, 8, 1 and 7
Master Electrical Component List
Fuse Block-I/P Fuses 32, 26, 52 and Relay 39
Fuse Block-I/P Fuses 3, 5, 24 and Circuit Breaker 36