GM Service Manual Online
For 1990-2009 cars only
Makes
🢒
Chevrolet
🢒
2004
🢒
Corvette
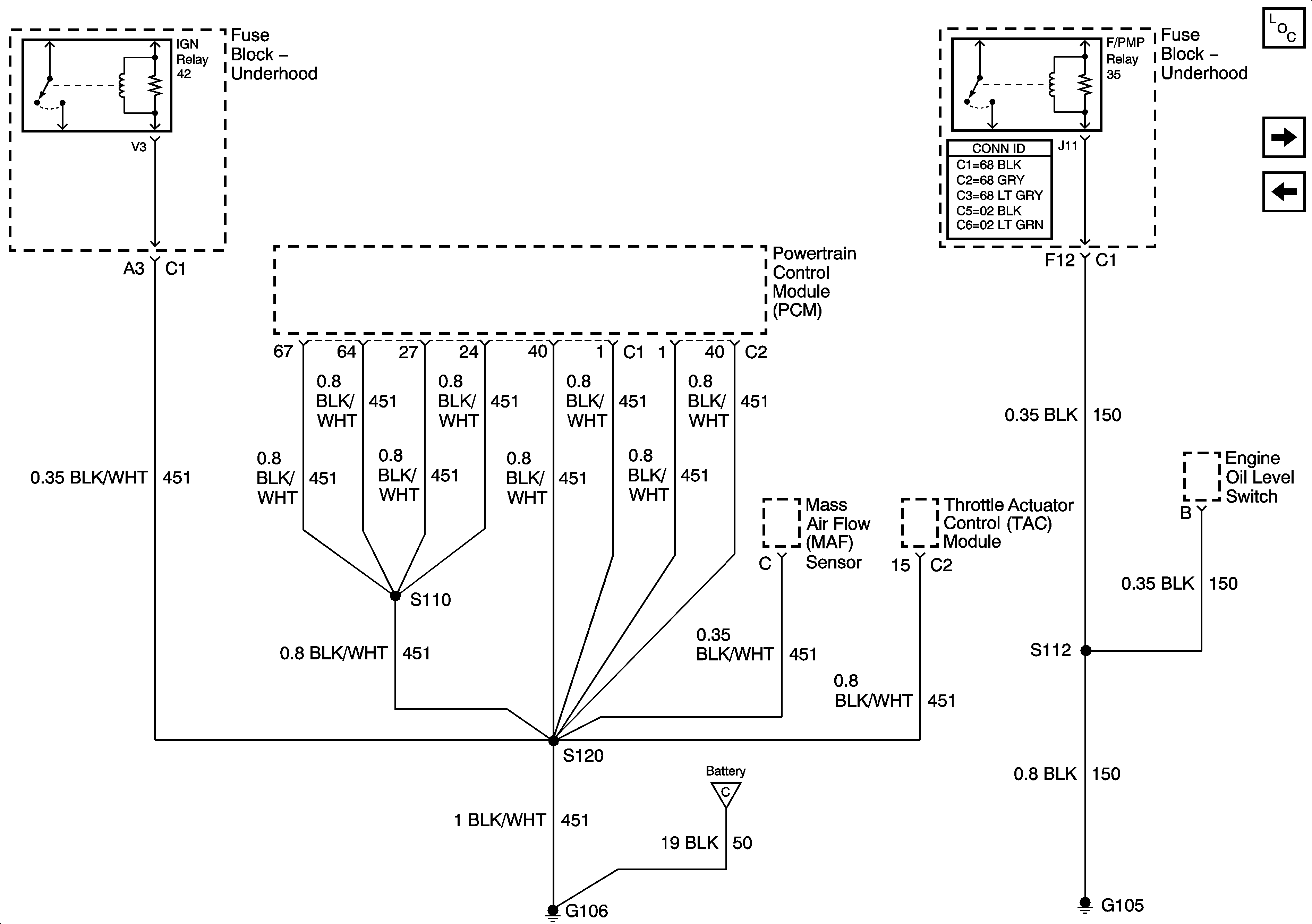
🢒 G106 and G105
G106 and G105
G106 and G105
Master Electrical Component List
G107, G108 and G103
G104
G104