GM Service Manual Online
For 1990-2009 cars only

Tools Required

J 42055 Transmission Support Fixture

Removal Procedure


Object Number: 321407  Size: SH

Notice: Failure to follow the proper removal and installation procedures may result in damage to the engine crankshaft thrust bearing.

Notice: When tilting down the rear of the driveline, observe the clearance between the rear of the engine and the composite dash panel. Do not allow the engine to rest unsupported against the composite dash panel, or vehicle damage may result.

Notice: When lowering and removing the rear of the driveline, observe the clearance between the rear of the transaxle assembly and the underbody to prevent damage.

    Caution: Refer to Battery Disconnect Caution in the Preface section.

  1. Disconnect the negative battery cable. Refer to Battery Negative Cable Disconnection and Connection in Engine Electrical.
  2. Raise and suitably support the vehicle. Refer to Lifting and Jacking the Vehicle in General Information.
  3. Remove the rear tire and wheel assemblies. Refer to Tire and Wheel Removal and Installation in Tires and Wheels.
  4. Remove the intermediate pipe assembly. Refer to Intermediate Pipe Replacement in Engine Exhaust.

  5. Object Number: 1713450  Size: SH
  6. Tie off the LH muffler assembly to the underbody to support the muffler out of the way.
  7. Remove the RH muffler assembly. Refer to Exhaust Muffler Replacement - Right Side in Engine Exhaust.
  8. Remove the driveline tunnel closeout panel. Refer to Floor Panel Tunnel Panel Reinforcement Replacement in Propeller Shaft.

  9. Object Number: 71469  Size: SH
  10. Using a flat-bladed screwdriver, remove the rear bellhousing access plug.
  11. Important: The following step must be performed to assure proper torque converter balance during installation.

  12. Matchmark the transmission flexplate to the transmission torque converter through the access hole in the rear bellhousing.
  13. Remove the transmission flexplate to transmission torque converter bolts. Refer to Flexplate to Torque Converter Bolts .

  14. Object Number: 173638  Size: SH
  15. Remove the two plug bolts from the front of driveline support assembly.
  16. Notice: Refer to Fastener Notice in the Preface section.

    Important: The propeller input shaft front bearing positioning bolts are intended to remain torqued to specification and in place UNTIL INSTRUCTED in the installation procedure.

    Important: Failure to use the minimum length fastener specified will prevent proper retention of the propeller input shaft front bearing during disassembly or installation.

  17. Install two bolts, M10 - 1.5 X 55 mm, or longer, in place of the plug bolts.
  18. (The long bolts are located to maintain the propeller input shaft front bearing in original position during removal and installation.)

    Tighten
    Tighten the propeller input shaft front bearing positioning bolts to 35 N·m (26 lb ft).


    Object Number: 71455  Size: SH
  19. Using a flat-bladed screwdriver, remove the engine flywheel housing access plug.

  20. Object Number: 173641  Size: SH
  21. Loosen the propeller shaft hub clamp bolt  (1).
  22. Rotate the engine at the flywheel, if necessary for alignment.


    Object Number: 71443  Size: SH
  23. Remove the nuts retaining the transmission shift cable bracket to the transmission.

  24. Object Number: 173669  Size: SH
  25. Disconnect the transmission shift control cable from the transmission shift lever.
  26. Unsnap to release the cable.

  27. Position the transmission shift cable and bracket aside.

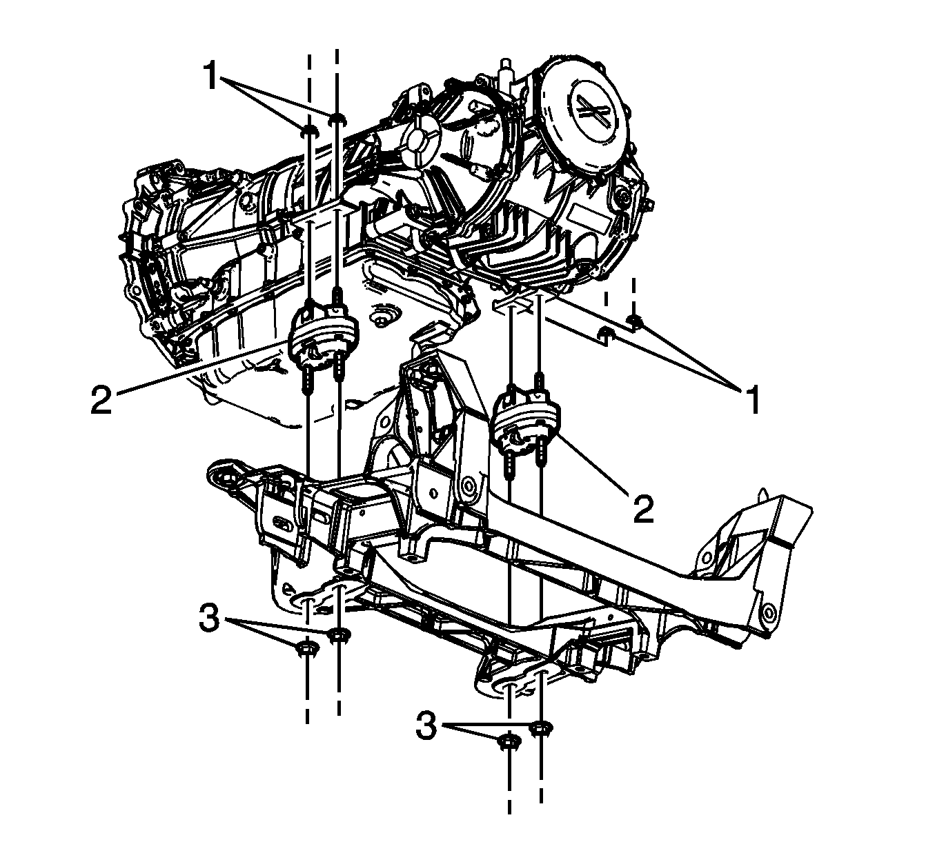
  28. Object Number: 180606  Size: SH
  29. Remove the rear transverse spring. Refer to Rear Transverse Spring Replacement in Rear Suspension.
  30. Support the lower control arm with a straight jack.
  31. Disconnect the outer tie rod end from the suspension knuckle. Refer to Tie Rod Replacement in Rear Suspension.
  32. Remove the shock absorber lower mounting bolt.
  33. Disconnect the lower ball joint from the suspension knuckle. Refer to Knuckle Replacement in Rear Suspension.
  34. Remove the straight jack from the control arm.
  35. Repeat steps 21 through 25 for the other side of the vehicle.

  36. Object Number: 1714135  Size: SH
  37. Assemble the J 42055 .
  38. Install the J 42055 to a transmission jack.
  39. Position and firmly secure the J 42055  (1) with the transmission jack to the transmission.
  40. Disconnect the wiring harness and brake pipe clip retainers from the rear suspension crossmember.
  41. Remove the differential to transmission lower nut.

  42. Object Number: 1710439  Size: SH
  43. Remove the transaxle mount to rear crossmember nuts (3).

  44. Object Number: 1714138  Size: SH
  45. Position a transmission jack under the rear suspension crossmember and firmly secure the crossmember to the jack.
  46. Using ONLY HAND TOOLS, remove the rear suspension crossmember retaining nuts.

  47. Object Number: 180638  Size: SH
  48. With the aid of an assistant, slowly lower the rear suspension crossmember away from the vehicle frame rails and remove the crossmember.

  49. Object Number: 1710439  Size: SH
  50. Remove the transaxle mount bracket to differential nuts (1).
  51. Remove the transaxle mount (2).

  52. Object Number: 1714139  Size: SH
  53. Using a pry bar, CAREFULLY release the axle shafts from the differential.
  54. Tie off the axle shafts to the underbody to support the shafts out of the way.
  55. The LH muffler assembly pipe toward the rear offers a good location to help support the LH axle shaft  (1).


    Object Number: 71407  Size: SH
  56. Release the retainer  (1) securing (and positioning) the wiring harness to the L-shaped brackets along the driveline support assembly, then slide the harness up out of the brackets and position out of the way.

  57. Object Number: 180649  Size: SH
  58. SLOWLY lower the driveline approximately 5 cm (2 in), while simultaneously adjusting the angle of tilt, in order to access the electrical connectors.
  59. Disconnect the vehicle speed sensor (VSS) electrical connector.

  60. Object Number: 71409  Size: SH
  61. Disconnect the wiring harness retainer from the stud at the differential rear cover.
  62. Disconnect the wiring harness retainer clip from the top of the differential.

  63. Object Number: 173659  Size: SH
  64. Disconnect the transmission harness 20-way connector.
  65. Depress both tabs on the connector and pull straight up; do not pry the connector.


    Object Number: 205288  Size: SH
  66. Disconnect the park/neutral position switch electrical connectors.
  67. Remove the bolt retaining the transmission wiring harness to the LH side of the transmission case.

  68. Object Number: 196198  Size: SH
  69. SLOWLY lower the driveline, while simultaneously adjusting the angle of tilt, and observe the relationship between the top rear of the differential and the lowest part of the rear compartment panel floor (the center storage compartment between the frame rails). The differential should not be lowered more than approximately EVEN with the specified body point of reference.
  70. (The engine positive crankcase ventilation (PCV) pipes which route along the rear of the engine intake manifold will likely contact the dash panel.)

  71. Release the wiring harness from the harness retainer along the top of the transmission.
  72. Check to be sure that the wiring harness is free from the driveline being removed.

  73. Object Number: 1503871  Size: SH
  74. Disconnect the transmission oil cooler rear pipes from the junction fittings at the engine flywheel housing, then cap the pipes and plug the junction fittings to prevent contamination. Refer to Transmission Fluid Cooler Hose/Pipe Quick-Connect Fitting Disconnection and Connection .

  75. Object Number: 196199  Size: SH
  76. Using a block of wood to protect the engine oil pan, place a straight jack under the rear of the engine oil pan to support the engine from stressing the composite dash panel.
  77. Remove the five driveline support assembly to engine flywheel housing bolts.

  78. Object Number: 71406  Size: SH
  79. Carefully bend the wiring harness bracket away from the driveline, toward the driveline tunnel wall in order to make a clear removal path for the driveline.

  80. Object Number: 196200  Size: SH

    Important: The aid of an assistant will be necessary for the remaining steps.

  81. Have an assistant insert a flat bladed screwdriver, or similar tool, between the edge of the driveline support assembly and the engine flywheel housing, then begin to pry the driveline loose from the engine.

  82. Object Number: 71466  Size: SH
  83. Have an assistant guide the front of the driveline during the removal of the driveline from the vehicle.
  84. SLOWLY lower the driveline, while simultaneously adjusting the angle of tilt and pulling the driveline away from the engine UNTIL the propeller input shaft at the front of the driveline support assembly just clears the engine flywheel housing.
  85. SLOWLY lower the driveline completely out of the vehicle.

  86. Object Number: 196196  Size: SH
  87. Position the chainfall, or equivalent, of a lift device in a way which will protect the transmission oil cooler rear pipes and the rear exhaust hangers located on the driveline support assembly.
  88. Using the lift device, raise the driveline to relieve the weight from the transmission jack.
  89. Disconnect the J 42055 from the transmission jack ONLY, the J 42055 will provide stability to the driveline components while working on a bench.
  90. Position the driveline on a workbench with the lift device still attached.
  91. Support the driveline support assembly and the differential for additional balance.
  92. Remove the lift device from the driveline.

  93. Object Number: 1503850  Size: SH
  94. Disconnect the transmission oil cooler rear pipes from the fittings on the transmission, then cap the pipes and plug the transmission fittings to prevent contamination. Refer to Transmission Fluid Cooler Hose/Pipe Quick-Connect Fitting Disconnection and Connection .

  95. Object Number: 71442  Size: SH
  96. Remove the transmission to driveline support assembly bolts/studs.
  97. Insert a flat bladed screwdriver, or similar tool, between the edge of the driveline support assembly and the transmission, then begin to pry the driveline support assembly loose from the transmission.
  98. Slowly slide the driveline support assembly away from the transmission while supporting the transmission torque converter.
  99. Using a strap positioned from side to side, secure the transmission torque converter to the transmission.

  100. Object Number: 71505  Size: SH
  101. Remove the differential to transmission bolts and nuts.
  102. Important: Use care when separating the differential from the transmission to not damage the transmission output shaft seal in the differential plate.

  103. SLOWLY slide the differential from the transmission.

  104. Object Number: 71504  Size: SH
  105. Remove the differential plate from the differential.
  106. Remove the transmission from the J 42055 , if necessary.

Installation Procedure

Notice: Failure to follow the proper removal and installation procedures may result in damage to the engine crankshaft thrust bearing.


    Object Number: 194916  Size: SH
  1. Install the transmission to the J 42055 , if removed.
  2. Install the differential plate to the transmission, use care not to damage the transmission output seal in the rear of the plate.
  3. Position the differential plate seal flush with the transmission case.

  4. Object Number: 71505  Size: SH
  5. SLOWLY slide the differential to the transmission.
  6. Notice: Refer to Fastener Notice in the Preface section.

  7. Install the differential to transmission bolts and nuts.
  8. Tighten
    Tighten the differential to transmission bolts and nuts to 50 N·m (37 lb ft).


    Object Number: 71442  Size: SH
  9. Remove the strap retaining the transmission torque converter.
  10. Slowly slide the driveline support assembly to the transmission, while supporting the transmission torque converter.
  11. Install the transmission to driveline support assembly bolts/studs.
  12. Tighten
    Tighten the transmission to driveline support assembly bolts/studs to 50 N·m (37 lb ft).


    Object Number: 1503850  Size: SH
  13. Remove the caps from the rear of the transmission oil cooler rear pipes and remove the plugs from the fittings on the transmission. Refer to Transmission Fluid Cooler Hose/Pipe Quick-Connect Fitting Disconnection and Connection .

  14. Object Number: 196196  Size: SH
  15. Position the chainfall, or equivalent, of a lift device in a way which will protect the transmission oil cooler rear pipes and the rear exhaust hangers located on the driveline support assembly.
  16. Important: The aid of an assistant will be necessary for the following steps until the driveline is installed into the vehicle.

  17. Using the lift device, raise the driveline off the workbench and position the driveline with the J 42055 onto a transmission jack.
  18. Connect the J 42055 to the transmission jack.

  19. Object Number: 71466  Size: SH
  20. Remove the lift device from the driveline.
  21. Position the driveline under the vehicle.
  22. Begin to raise the driveline at the approximate angle used during removal.
  23. Position the wiring harness along the driveline support assembly and LOOSELY install the harness into the harness retaining slots.
  24. Have an assistant guide the front of the driveline so the propeller input shaft is just to the rear of the engine flywheel housing, then raise the driveline to the PROPER HEIGHT and the PROPER ANGLE to install to the engine.
  25. Important: Use care not to use too much force to install the propeller input shaft into the propeller shaft hub. The propeller input shaft front bearing positioning system is designed to withstand an insertion force not greater than 582 N (130 lb).

  26. Have an assistant begin to insert the propeller input shaft into the propeller shaft hub while maintaining the proper angle of the driveline, if necessary use a screwdriver to rotate the shaft slightly to bring the splines into alignment.

  27. Object Number: 196198  Size: SH
  28. SLOWLY seat the driveline to the engine flywheel housing while maintaining the proper angle of the driveline.

  29. Object Number: 71406  Size: SH
  30. Reposition the wiring harness bracket from near the driveline tunnel wall to align with the appropriate driveline support assembly bolt hole.

  31. Object Number: 196199  Size: SH
  32. Install the five driveline support assembly to engine flywheel housing bolts.
  33. Tighten
    Tighten the driveline support assembly to engine flywheel housing bolts to 50 N·m (37 lb ft).

  34. Install the wiring harness to the wiring harness retainer along the top of the transmission.
  35. SLOWLY raise the driveline to approximately 5 cm (2 in) BELOW the final installed height.

  36. Object Number: 1503871  Size: SH
  37. Remove the caps from the front of the transmission oil cooler rear pipes and remove the plugs from the junction fittings at the engine flywheel housing. Refer to Transmission Fluid Cooler Hose/Pipe Quick-Connect Fitting Disconnection and Connection .

  38. Object Number: 205288  Size: SH
  39. Install the transmission wiring harness to LH side of transmission case retaining bolt.
  40. Tighten
    Tighten the transmission wiring harness to LH side of transmission case retaining bolt to 2.5 N·m (22 lb in).

  41. Connect the park/neutral position switch electrical connectors.

  42. Object Number: 173661  Size: SH
  43. Connect the transmission harness 20-way connector.
  44. Align the arrows on each half of the connector and insert straight down.


    Object Number: 71409  Size: SH
  45. Connect the wiring harness clip to the top of the differential.
  46. Connect the wiring harness retainer to the stud at the differential rear cover.

  47. Object Number: 180649  Size: SH
  48. Connect the vehicle speed sensor (VSS) electrical connector.
  49. Slowly raise the driveline to final installation height.
  50. Remove the jack which supported the engine.
  51. Remove the tie-off retainers from the axle shafts.
  52. CAREFULLY align and seat the axle shafts to the differential.

  53. Object Number: 1710439  Size: SH
  54. Install the transaxle mount (2) to the differential.
  55. Install the transaxle mount nuts (1).
  56. Tighten
    Tighten the transaxle mount nuts to 50 N·m (37 lb ft).


    Object Number: 180638  Size: SH
  57. With the aid of an assistant, begin to raise the rear suspension crossmember (still firmly attached to a transmission jack), to the vehicle frame rails.
  58. Guide the rear suspension crossmember alignment pins into the alignment holes in the vehicle frame rails, and guide the transaxle mount studs into the mounting holes in the crossmember, then raise the crossmember to seat to the frame rails.

  59. Object Number: 1714138  Size: SH
  60. Using ONLY HAND TOOLS, install NEW rear suspension crossmember mounting nuts.
  61. Tighten
    Tighten the rear suspension crossmember mounting nuts to 110 N·m (81 lb ft).

  62. Remove the transmission jack from the rear suspension crossmember.
  63. Release the J 42055 from the transmission, then remove the J 42055 and transmission jack.

  64. Object Number: 1710439  Size: SH
  65. Install the transaxle mount to rear suspension crossmember nuts (3).
  66. Tighten
    Tighten the nuts to 50 N·m (37 lb ft).

  67. Install the differential to transmission lower nut.
  68. Tighten
    Tighten the differential to transmission lower nut to 50 N·m (37 lb ft).

  69. Connect the wiring harness and brake pipe clip retainers to the rear suspension crossmember.

  70. Object Number: 180606  Size: SH
  71. Support the lower control arm with a straight jack.
  72. Connect the lower ball joint to the suspension knuckle. Refer to Knuckle Replacement in Rear Suspension.
  73. Install the shock absorber lower mounting bolt.
  74. Tighten
    Tighten the rear shock absorber lower mounting bolt to 220 N·m (162 lb ft).

  75. Connect the outer tie rod end to the suspension knuckle. Refer to Tie Rod Replacement in Rear Suspension.
  76. Remove the straight jack from the suspension control arm.
  77. Repeat steps 45 through 49 for the other side of the vehicle.
  78. Install the rear transverse spring. Refer to Rear Transverse Spring Replacement in Rear Suspension.

  79. Object Number: 71407  Size: SH
  80. Carefully pull the wiring harness down into the L-shaped brackets along the driveline support assembly, align the harness retainer (locator) (1) to the hole in the forward bracket, then secure in place.

  81. Object Number: 173669  Size: SH
  82. Install the transmission shift cable and bracket into position.
  83. Connect the transmission shift cable to the transmission shift lever.
  84. Press to secure the cable.


    Object Number: 71443  Size: SH
  85. Install the nuts retaining the transmission shift cable bracket to the transmission.
  86. Tighten
    Tighten the transmission shift cable bracket retaining nuts to 20 N·m (15 lb ft).


    Object Number: 71469  Size: SH

    Important: The following step must be performed to assure proper torque converter balance during installation.

  87. Align the transmission flexplate to the transmission torque converter using the matchmark made prior to removal.
  88. Install the transmission flexplate to transmission torque converter bolts. Refer to Flexplate to Torque Converter Bolts .
  89. Install the rear bellhousing access plug.

  90. Object Number: 173641  Size: SH
  91. HAND-TIGHTEN the propeller shaft hub clamp bolt  (1) until FINGER-TIGHT.

  92. Object Number: 173638  Size: SH
  93. Remove the propeller input shaft front bearing positioning bolts (M10 - 1.5 X 55 mm) from the driveline support assembly.
  94. Install the two plug bolts to the front of the driveline support assembly.
  95. Tighten
    Tighten the driveline support assembly front plug bolts to 50 N·m (37 lb ft).


    Object Number: 180595  Size: SH
  96. Install the driveline tunnel closeout panel. Refer to Floor Panel Tunnel Panel Reinforcement Replacement in Propeller Shaft.
  97. Remove the tie-off retainer from the LH muffler assembly.
  98. Install the RH muffler assembly. Refer to Exhaust Muffler Replacement - Right Side in Engine Exhaust.
  99. Install the intermediate pipe assembly. Refer to Intermediate Pipe Replacement in Engine Exhaust.
  100. Install the rear tire and wheel assemblies. Refer to Tire and Wheel Removal and Installation in Tires and Wheels.
  101. Lower the vehicle.
  102. Connect the negative battery cable.
  103. Tighten
    Tighten the negative battery cable bolt to 15 N·m (11 lb ft).

  104. Program the transmitters. Refer to Transmitter Programming in Keyless Entry.
  105. Important: The following steps MUST be performed in order to provide proper alignment of the propeller shaft hub, the propeller input shaft and the propeller input shaft front bearing.


    Object Number: 173641  Size: SH
  106. Start and run the engine at idle until normal operating temperatures are reached.
  107. Idle or drive for at least 10 minutes.

  108. Turn off the engine and allow the powertrain to cool to ROOM temperature.
  109. Raise the vehicle.
  110. Tighten the propeller shaft hub clamp bolt (1).
  111. Tighten
    Tighten the propeller shaft hub clamp bolt to 130 N·m (96 lb ft).


    Object Number: 71455  Size: SH
  112. Install the engine flywheel housing access plug.
  113. Flush the transmission oil cooler. Refer to Transmission Fluid Cooler Flushing and Flow Test .
  114. Lower the vehicle.
  115. Fill the transmission to the proper level with DEXRON® VI transmission fluid. Refer to Transmission Fluid Check .
  116. Important: It is recommended that transmission adaptive pressure (TAP) information be reset.

    Resetting the TAP values using a scan tool will erase all learned values in all cells. As a result, The ECM, PCM or TCM will need to relearn TAP values. Transmission performance may be affected as new TAP values are learned.

  117. Reset the TAP values. Refer to Transmission Adaptive Functions .