GM Service Manual Online
For 1990-2009 cars only
Makes
🢒
Chevrolet
🢒
2006
🢒
Corvette
🢒 G301
G301
G301
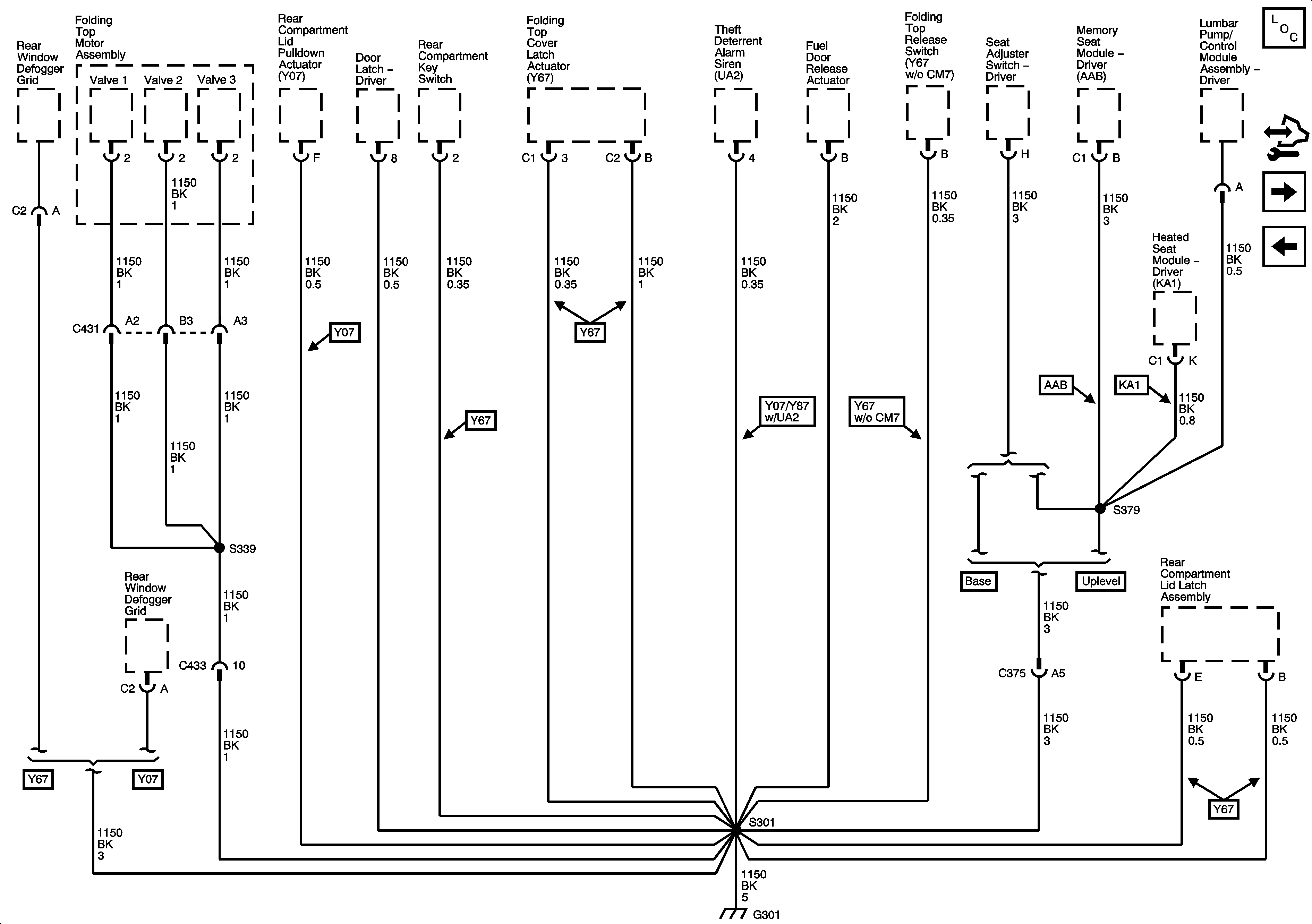
Master Electrical Component List
Control Module References
G302, G401, and G402
G202, 2 of 2