GM Service Manual Online
For 1990-2009 cars only
Makes
🢒
Chevrolet
🢒
2006
🢒
Corvette
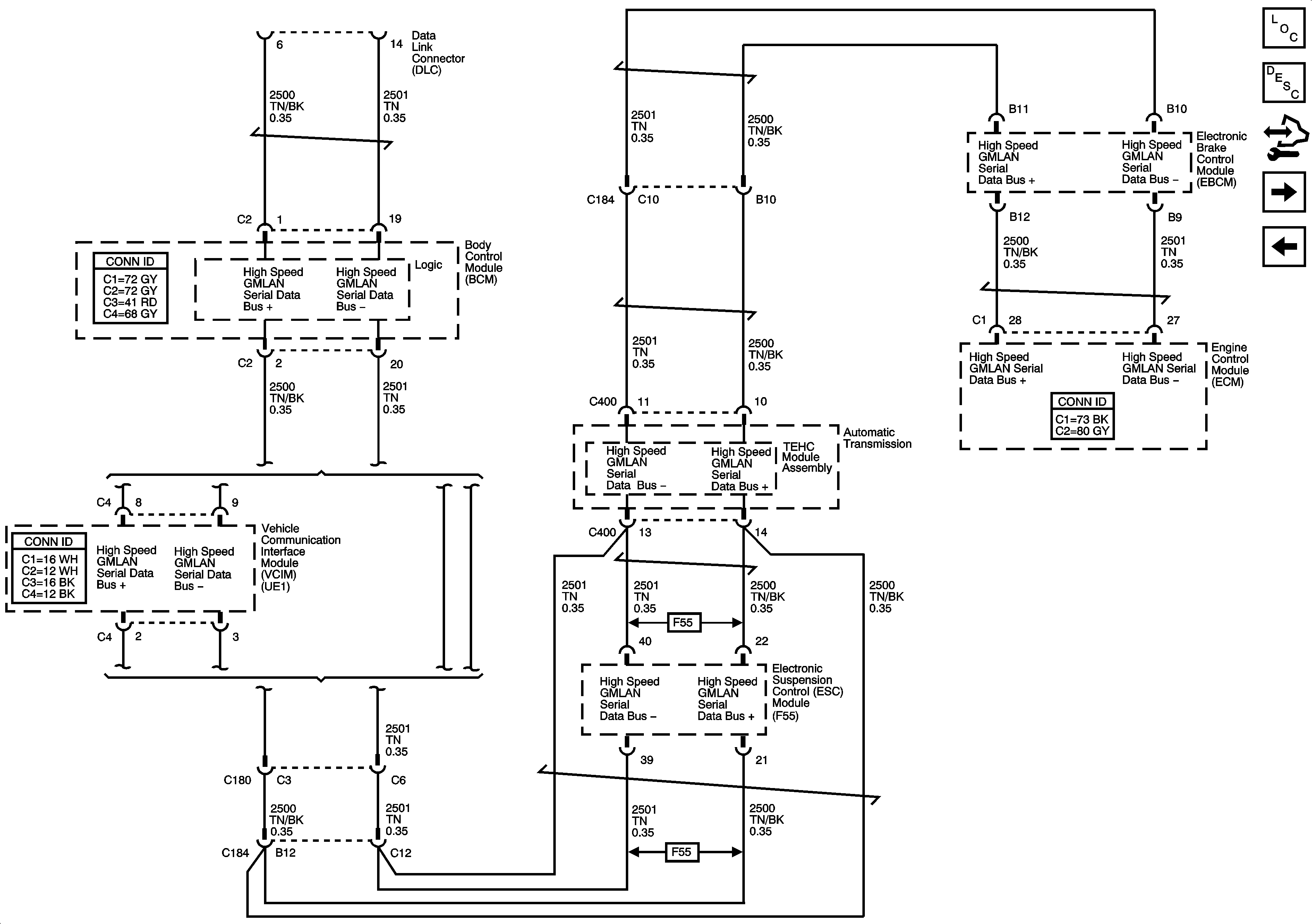
🢒 GMLAN - A/T
GMLAN - A/T
GMLAN - A/T
Master Electrical Component List
Data Link Communications Description and Operation
Control Module References
GMLAN - M/T
Class 2
Computer/Integrating Systems Schematic Icons