GM Service Manual Online
For 1990-2009 cars only
Makes
🢒
Chevrolet
🢒
2006
🢒
Corvette
🢒 Japan (UZD)
Japan (UZD)
Japan (UZD)
Master Electrical Component List
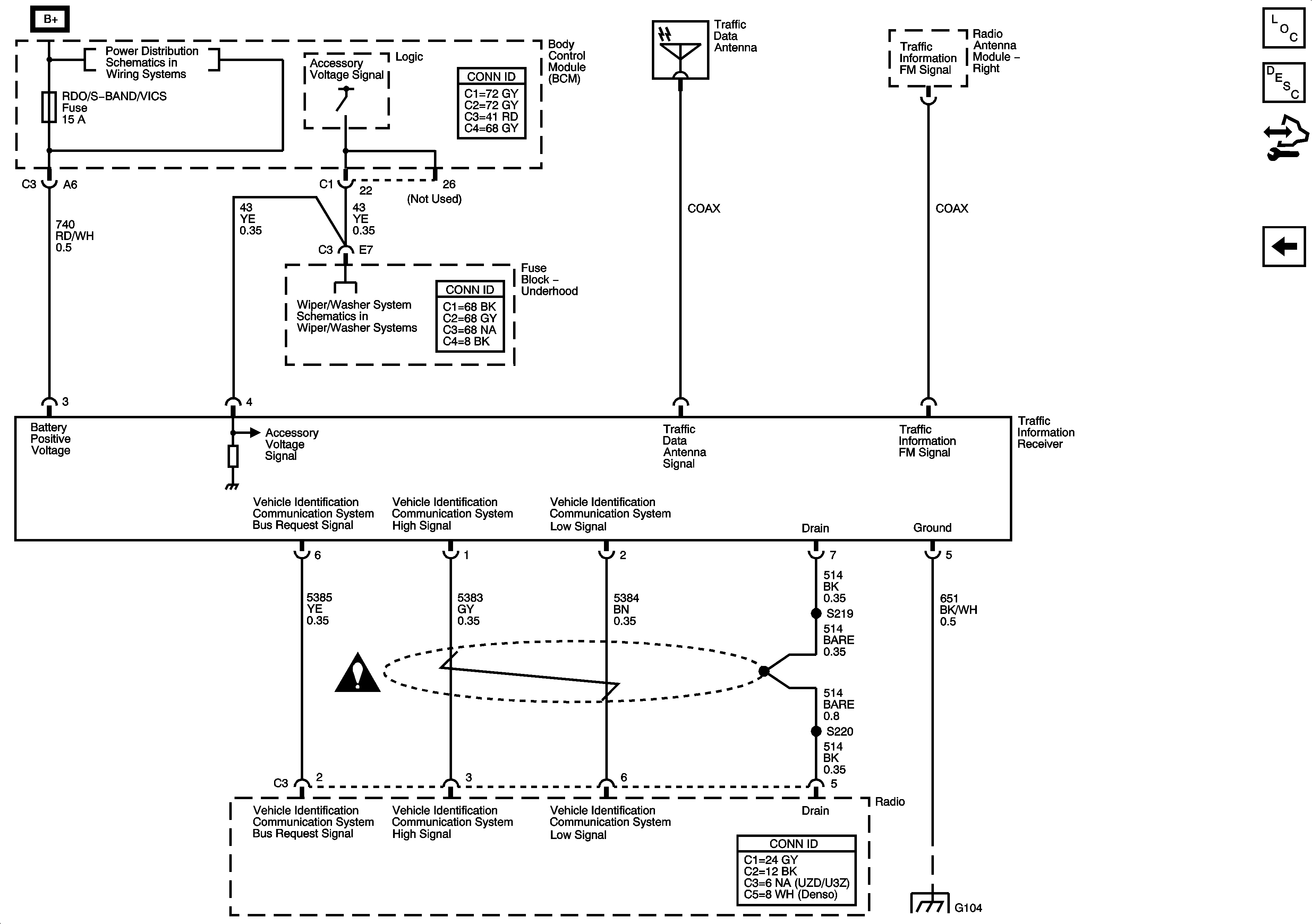
Navigation System Description and Operation
Control Module References
Except Japan
Fuse Block - Underhood BATT3 and STOP/B/U/LAMPS Fuses, BCM Fuses: BTSI SOL/COL LOCK, RDO/S-BAND/VICS, REAR FOG/ALDL/TOP SW, REVERSE LAMPS and TONNEAU RELSE and BCK/UP LAMP and STOP LAMP Relays
Ground, Power and Wiper Motor
Navigation System Schematic Icons
G104, G106, and G303