GM Service Manual Online
For 1990-2009 cars only

Battery Positive and Negative Cable Replacement 6.0L

Removal Procedure

  1. Disconnect the negative cable lead from the battery. Refer to Battery Negative Cable Disconnection and Connection.

  2. Object Number: 1705066  Size: SH
  3. Disconnect the positive cable lead (2) from the battery.
  4. Remove the battery positive cable to fuse/relay center nut (6) and disconnect the cable (5) from the stud.
  5. Remove the battery ground cable nut (4) and disconnect the cable (3) from the stud.
  6. Raise and support the vehicle. Refer to Lifting and Jacking the Vehicle.

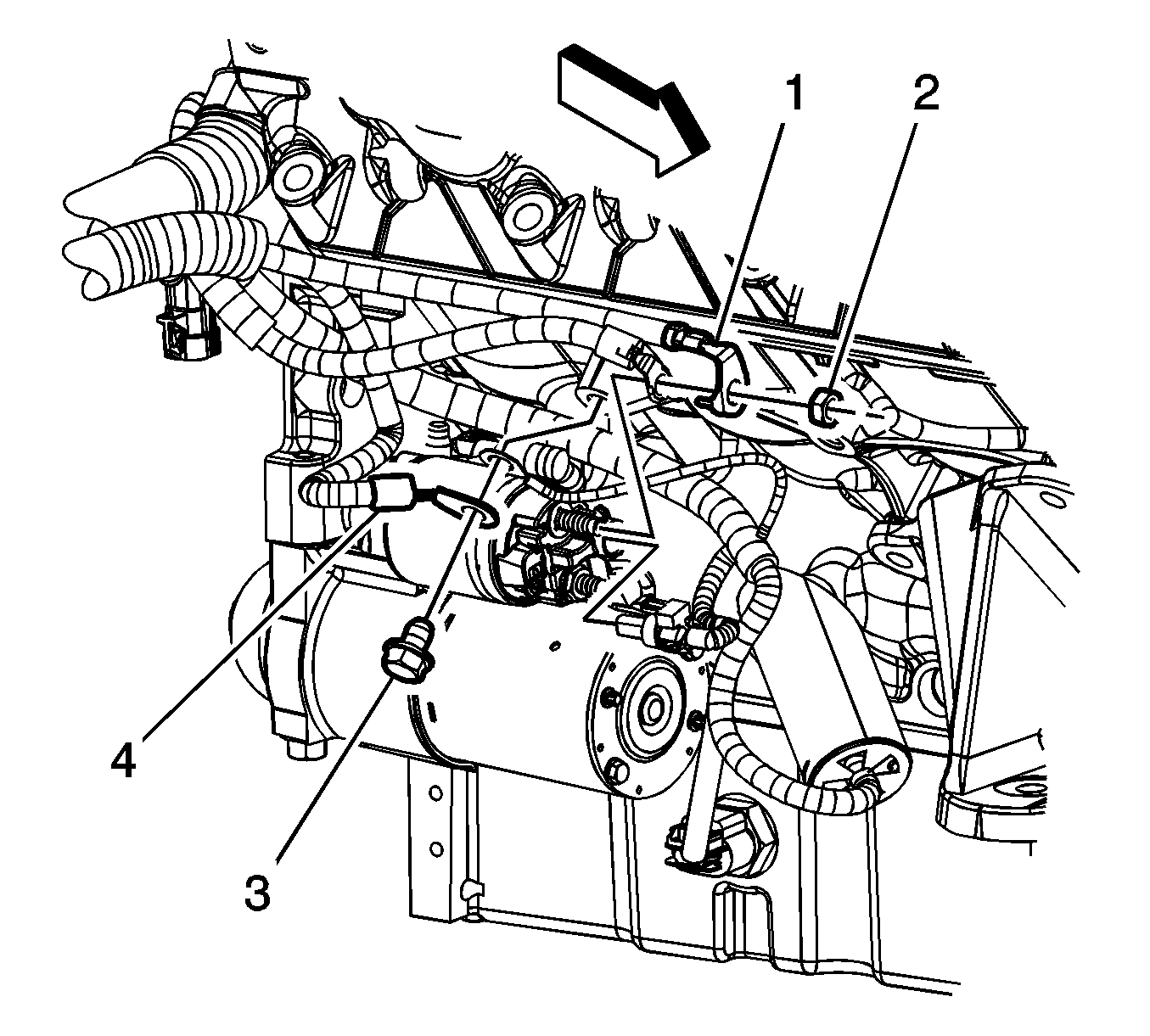
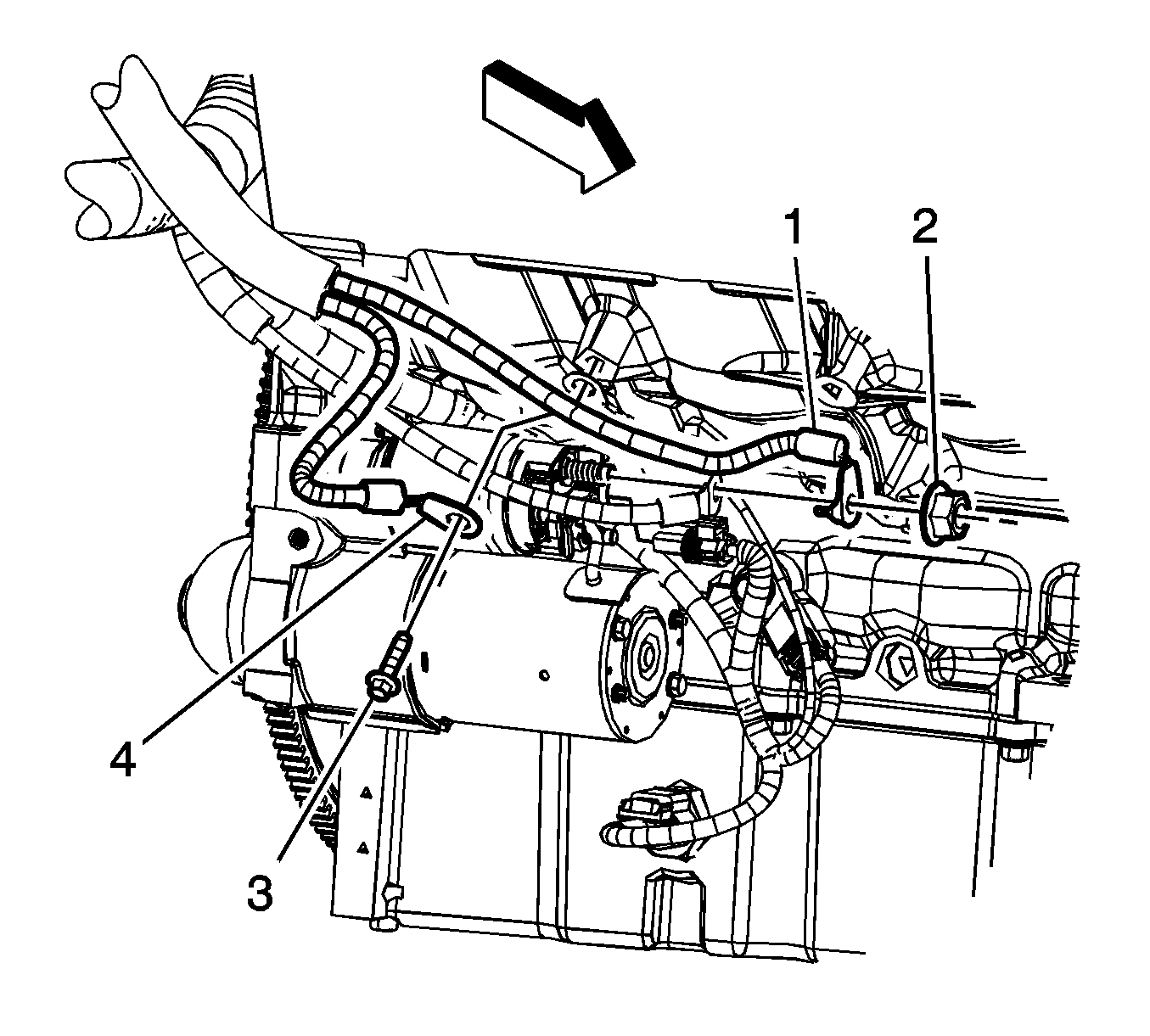
  7. Object Number: 1705068  Size: SH
  8. Remove the battery positive/negative cable to engine bolt (3).
  9. Remove the positive battery cable to starter solenoid nut and disconnect the cable (1) from the stud.
  10. Remove the battery positive/negative cable from the vehicle.

Installation Procedure

  1. Position the battery positive/negative cable to the vehicle.
  2. Notice: Refer to Fastener Notice in the Preface section.


    Object Number: 1705068  Size: SH
  3. Install the positive battery cable (1) to the stud and install the positive battery cable to starter solenoid nut (2).
  4. Tighten
    Tighten the positive battery cable to starter solenoid nut to 10 N·m (89 lb in).

  5. Position the negative battery cable (4) and install the battery positive/negative cable to engine bolt.
  6. Tighten
    Tighten the battery positive/negative cable to engine bolt to 40 N·m (30 lb ft).

  7. Lower the vehicle.

  8. Object Number: 1705066  Size: SH
  9. Position the battery ground cable (3) and install the battery ground cable nut (4).
  10. Tighten
    Tighten the battery ground cable nut to 8 N·m (71 lb in).

  11. Position the battery positive cable (5) to the stud and install the battery positive cable to fuse/relay center nut (6).
  12. Tighten
    Tighten the battery positive cable to fuse/relay center nut to 10 N·m (89 lb in).

  13. Connect the positive cable lead (2) to the battery.
  14. Tighten
    Tighten the battery positive cable to battery nut to 8 N·m (71 lb in).

  15. Connect the negative cable lead to the battery. Refer to Battery Negative Cable Disconnection and Connection.

Battery Positive and Negative Cable Replacement 7.0L

Removal Procedure

  1. Disconnect the negative battery cable. Refer to Battery Negative Cable Disconnection and Connection.

  2. Object Number: 1704664  Size: SH
  3. Remove the battery positive cable nut (1) and remove the battery positive/negative cable lead (2).

  4. Object Number: 1704671  Size: SH
  5. Remove the battery positive/negative cable bolt (1) and release the wiring harness retainers (3).
  6. Raise and support the vehicle. Refer to Lifting and Jacking the Vehicle.

  7. Object Number: 1704668  Size: SH
  8. Remove the battery positive/negative cable bolt (3) from the engine block.
  9. Remove the battery positive/negative cable nut (2) from the starter solenoid.
  10. Remove the battery positive/negative cable from the vehicle.

Installation Procedure

  1. Position the battery positive/negative cable into the vehicle.
  2. Notice: Refer to Fastener Notice in the Preface section.


    Object Number: 1704668  Size: SH
  3. Install the battery positive/negative cable nut (2) to the starter solenoid.
  4. Tighten
    Tighten the battery positive/negative cable nut to 10 N·m (89 lb in).

  5. Install the battery positive/negative cable bolt (3) to the engine block.
  6. Tighten
    Tighten the battery positive/negative cable to engine block bolt to 40 N·m (30 lb ft).

  7. Lower the vehicle.

  8. Object Number: 1704671  Size: SH
  9. Install the battery positive/negative cable bolt (1) and attach the wiring harness retainers (3).
  10. Tighten
    Tighten the battery positive/negative cable to frame rail bolt to 25 N·m (18 lb ft).


    Object Number: 1704664  Size: SH
  11. Install the battery positive cable nut (1).
  12. Tighten
    Tighten the battery positive cable nut to 10 N·m (89 lb in).

  13. Connect the negative battery cable. Refer to Battery Negative Cable Disconnection and Connection.