GM Service Manual Online
For 1990-2009 cars only
Makes
🢒
Chevrolet
🢒
2007
🢒
Corvette
🢒
Suspension
🢒
Tire Pressure Monitoring
🢒 Tire Pressure Monitoring System Schematics
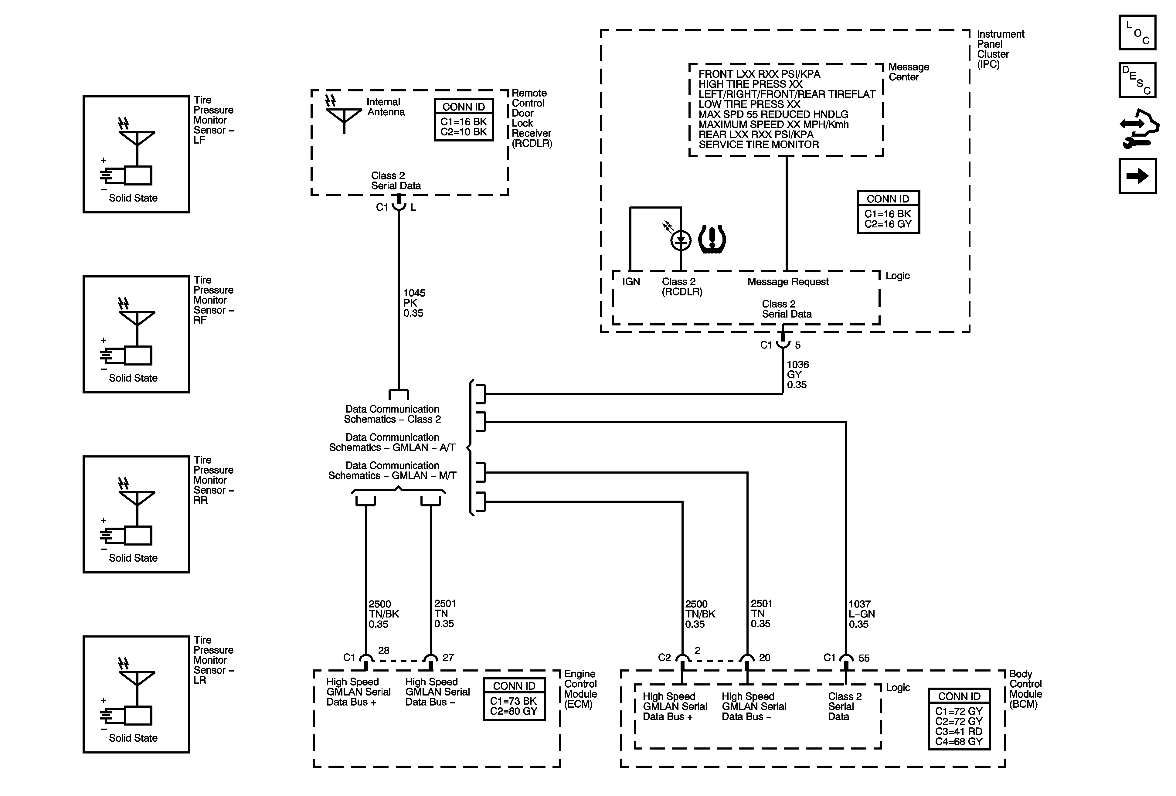
Figure
1:
UH3/UJ9
Master Electrical Component List
Tire Pressure Monitor Description and Operation
Control Module References
UJ6
Class 2
GMLAN - A/T
GMLAN - M/T
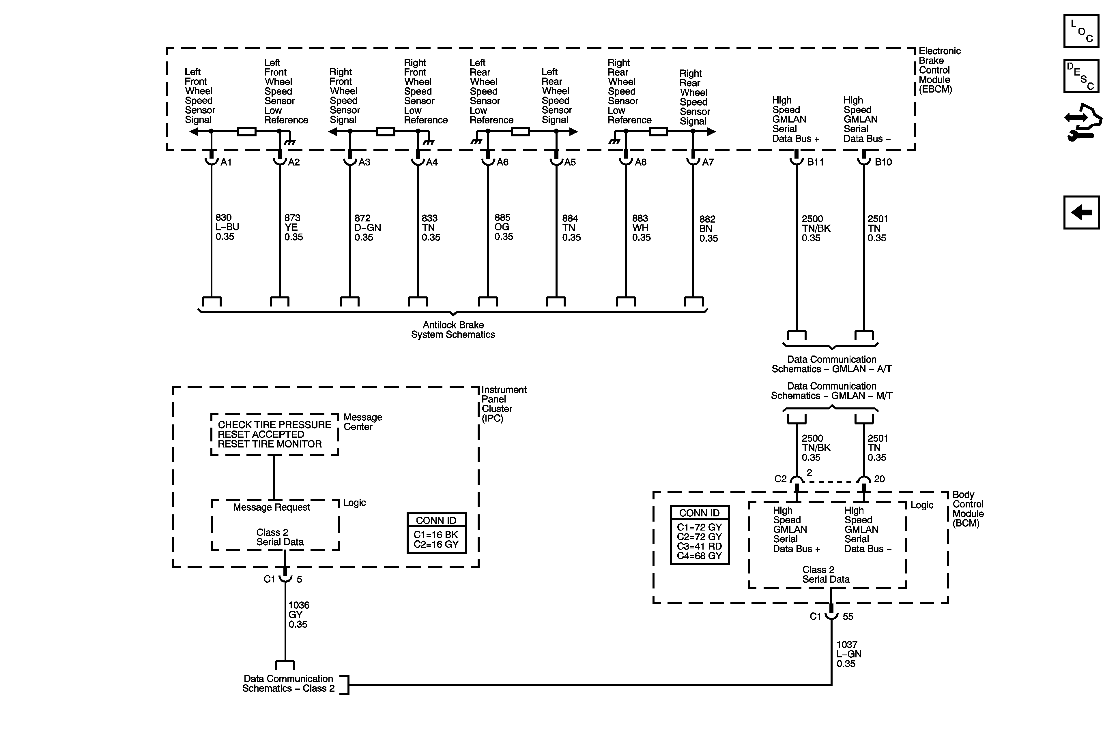
Figure
2:
UJ6
Master Electrical Component List
Tire Pressure Monitor Description and Operation
Control Module References
UH3/UJ9
Wheel Speed Sensors
GMLAN - A/T
GMLAN - M/T
Class 2