GM Service Manual Online
For 1990-2009 cars only

Tool Required

    • DT-47596 Bearing Cup Remover
    • J 25070 Heat Gun - 500-750F
    • J 41623-B Cooler Quick Connect Tool
    • J 42155 Getrag Axle Differential Housing Lifting Tool
    • J 42173 Getrag Axle Ring Gear Holder
    • J-42173-10 Fixture Modification Template
    • J 45124 Removal Bridge

    Object Number: 1756580  Size: SH
  1. Remove the drain plug and washer (1) and allow the fluid to drain.

  2. Object Number: 1491407  Size: SH
  3. To drain the fluid from models equipped with a pump and cooler, perform the following steps:
  4. 2.1. Remove the bolt (1) retaining the lower inlet pipe clamp.
    2.2. Using a bent tip screwdriver, remove the quick connect fitting retaining ring (3) from the quick connect fitting (4), and discard the retaining ring.
    2.3. Drain the fluid by pulling the lower inlet pipe (2) straight out of the quick connect fitting.

    Object Number: 1491411  Size: SH
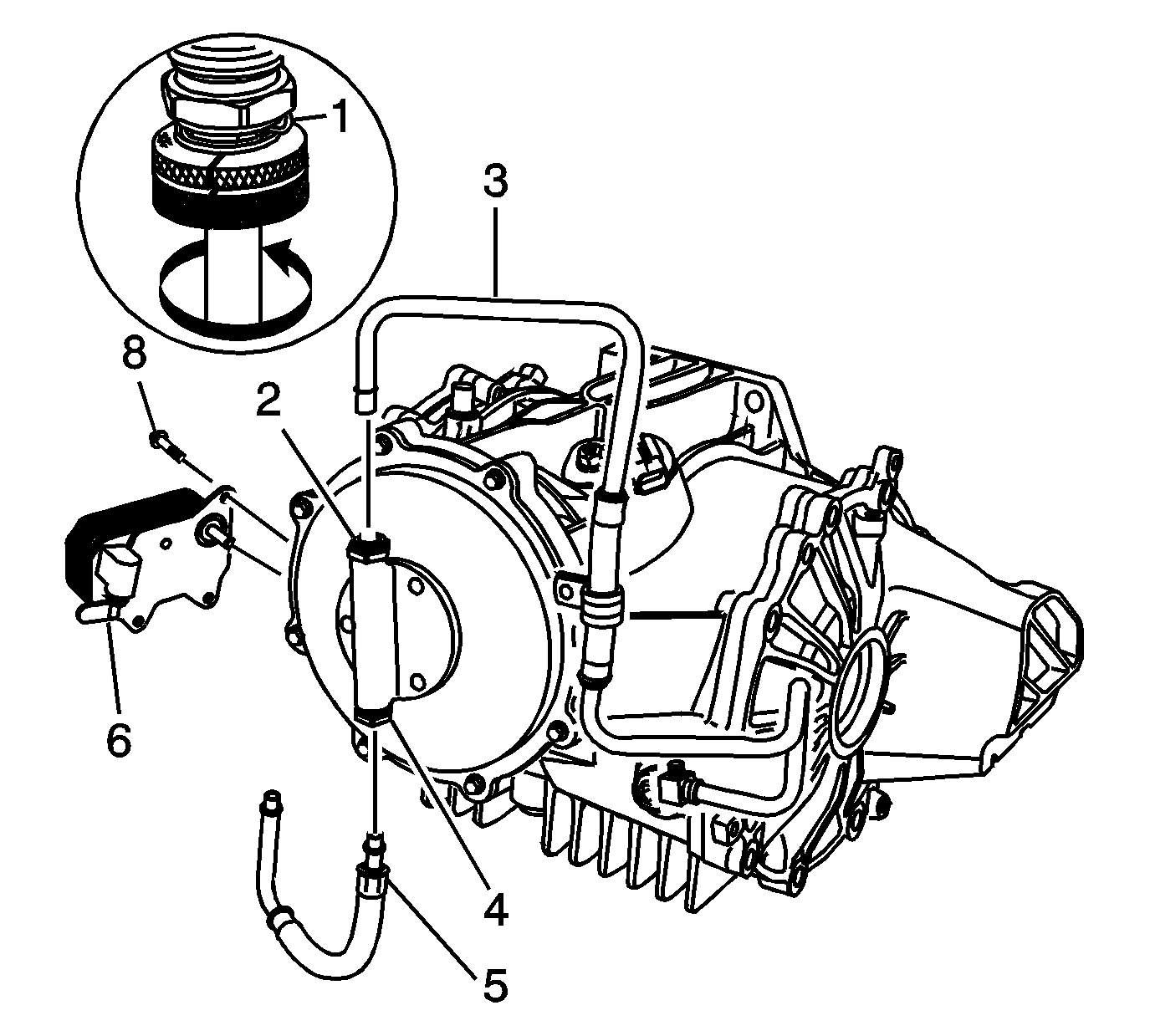
  5. For models equipped with a pump and cooler, perform the following steps to remove the cooler and pipes:
  6. 3.1. Using the J 41623-B , remove the inlet and outlet pipes by aligning notches on the J 41623-B with quick connect fittings (2, 4, 6) and rotating the tool to release pipes (3 and 5) from the quick connect fittings.
    3.2. Remove the 3 cooler retaining bolts (8).
    3.3. Remove the cooler (7).

    Object Number: 1756585  Size: SH
  7. Remove the fill plug and washer (1).

  8. Object Number: 1456299  Size: SH
  9. Remove the vehicle speed sensor and bolt, if equipped.

  10. Object Number: 1654287  Size: SH
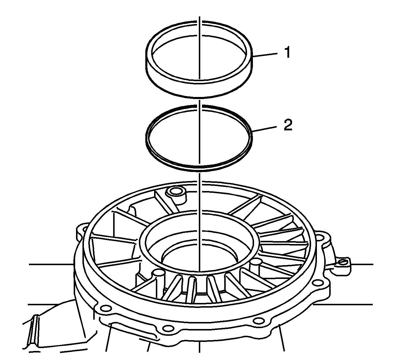
  11. Remove the left cover (3) and bolts (2).
  12. Remove the O-ring (4) and oil seal (1) from the cover.
  13. Remove the magnet (5) and dowel (6) from the carrier.
  14. Remove the oil trough (7).

  15. Object Number: 1456307  Size: SH
  16. Install the differential assembly (1) onto the J 42173  (2).
  17. Notice: Refer to Fastener Notice in the Preface section.

  18. Install 4 M8 x 1.25 bolts (3).
  19. Tighten
    Tighten the bolts to 30 N·m (22 lb ft).


    Object Number: 1654307  Size: SH

    Important: Z06 models require the modification of J 42173 , using J-42173-10 .

  20. Install the differential assembly (1) onto the J 42173  (2).
  21. Install 2 M8 x 1.25 bolts (3).
  22. Tighten
    Tighten the bolts to 30 N·m (22 lb ft).


    Object Number: 1456314  Size: SH
  23. Using a punch, remove the cover alignment pin.

  24. Object Number: 1456318  Size: SH
  25. Remove the right cover (3) and bolts (2) from the differential.
  26. Remove the O-ring (4) and oil seal (1) from the cover.

  27. Object Number: 1696853  Size: SH
  28. Remove the rear cover (2), bolts (3), and gasket (1), or pump - some models (4).

  29. Object Number: 1456324  Size: SH
  30. Install 2 M10 x 1.5 nuts onto the transmission stud. Remove the stud from the differential, if equipped.

  31. Object Number: 1456353  Size: SH
  32. Remove the C-clip from the output shaft.

  33. Object Number: 1456356  Size: SH
  34. Install the J 42155 into the groove of the output shaft in order to remove the differential case assembly.

  35. Object Number: 1456362  Size: SH
  36. Remove the pinion housing/cage bolts.

  37. Object Number: 1456366  Size: SH
  38. Using the J 25070 , heat the differential housing around the pinion housing. Heating the housing will ease in pinion removal.
  39. Remove the pinion housing/cage assembly (1) and shims (2) from the differential housing. Mark or tag the shims for assembly.
  40. Locate 2 screwdrivers or pry bars to the flange area of the pinion housing/cage to ease in removal.


    Object Number: 1491415  Size: SH
  41. Install the DT-47596  (2) into the right cover. Tighten securely into the bearing cup.
  42. Place J 45124  (1) over DT-47596  (2). Adjust legs for best fit. Install supplied bolt, nut, thrust bearing and washer. Hold the bolt and tighten the nut to remove the bearing cup and shim.

  43. Object Number: 1456375  Size: SH
  44. Remove the bearing cup (1) and shim (2). Mark or tag the shims for assembly.

  45. Object Number: 1456378  Size: SH
  46. Install the DT-47596  (2) into the differential housing, behind the left bearing cup. Tighten securely into the bearing cup.
  47. Place J 45124  (1) over DT-47596  (2). Adjust legs for best fit. Install supplied bolt, nut, thrust bearing and washer. Hold the bolt and tighten the nut to remove the bearing cup and shim.
  48. Remove the cup (2) and shim (1) from the differential housing. Mark or tag the shims for assembly.