GM Service Manual Online
For 1990-2009 cars only

Removal Procedure

  1. Raise and support the vehicle. Refer to Lifting and Jacking the Vehicle.
  2. Install a drain pan under the vehicle.

  3. Object Number: 1503871  Size: SH
  4. Disconnect the upper transmission oil cooler line from the upper intermediate line. Refer to Transmission Fluid Cooler Hose/Pipe Quick-Connect Fitting Disconnection and Connection .
  5. Disconnect the lower transmission oil cooler line from the lower intermediate line. Refer to Transmission Fluid Cooler Hose/Pipe Quick-Connect Fitting Disconnection and Connection .

  6. Object Number: 1503873  Size: SH
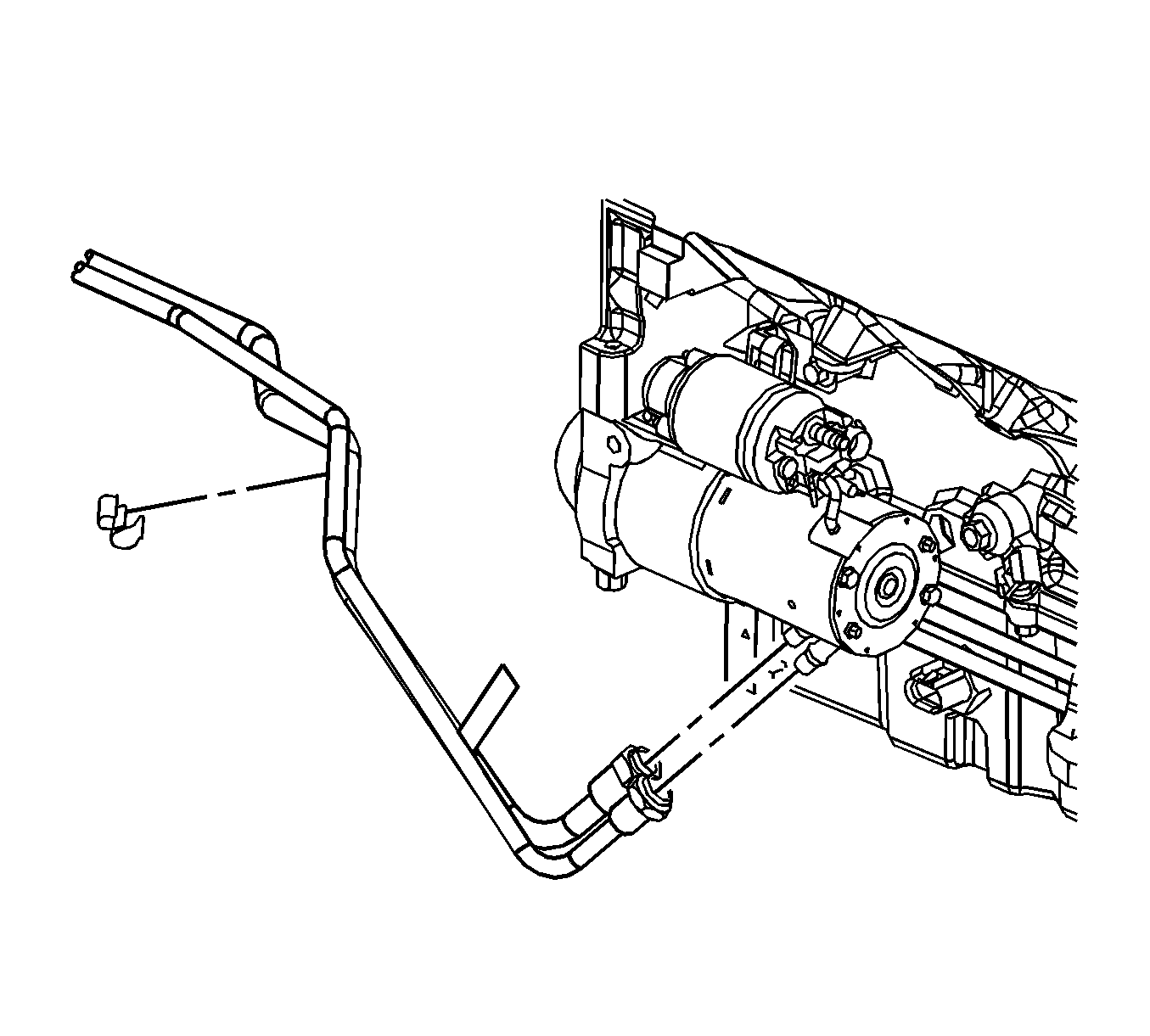
  7. Remove the clip holding the front upper and lower transmission lines.

  8. Object Number: 1503922  Size: SH
  9. Disconnect the upper transmission oil cooler line from the radiator. Refer to Transmission Fluid Cooler Hose/Pipe Quick-Connect Fitting Disconnection and Connection .
  10. Disconnect the upper transmission oil cooler line from the radiator. Refer to Transmission Fluid Cooler Hose/Pipe Quick-Connect Fitting Disconnection and Connection .
  11. Remove the engine mount. Refer to Engine Mount Replacement - Right Side for the 6.0L engine or Engine Mount Replacement - Right Side for the 7.0L engine.

  12. Object Number: 1503860  Size: SH
  13. Remove the front transmission oil cooler line bolts.
  14. Remove the front transmission oil cooler lines from the vehicle.

Installation Procedure


    Object Number: 1503922  Size: SH
  1. Install the front transmission oil cooler lines to the vehicle.
  2. Connect the upper transmission oil cooler line to the radiator. Refer to Transmission Fluid Cooler Hose/Pipe Quick-Connect Fitting Disconnection and Connection .
  3. Connect the lower transmission oil cooler line to the radiator. Refer to Transmission Fluid Cooler Hose/Pipe Quick-Connect Fitting Disconnection and Connection .

  4. Object Number: 1503871  Size: SH
  5. Connect the upper transmission oil cooler line to the upper intermediate line. Refer to Transmission Fluid Cooler Hose/Pipe Quick-Connect Fitting Disconnection and Connection .
  6. Connect the lower transmission oil cooler line to the lower intermediate line. Refer to Transmission Fluid Cooler Hose/Pipe Quick-Connect Fitting Disconnection and Connection .
  7. Remove the drain pan from under the vehicle.

  8. Object Number: 1503873  Size: SH
  9. Install the clip holding the front upper and lower transmission lines.
  10. Install the engine mount. Refer to Engine Mount Replacement - Right Side for the 6.0L engine or Engine Mount Replacement - Right Side for the 7.0L engine.
  11. Notice: Refer to Fastener Notice in the Preface section.


    Object Number: 1503860  Size: SH
  12. Install the front transmission oil cooler line bolts.
  13. Tighten
    Tighten the bolts to 12 N·m (106 lb in).

  14. Inspect the transmission fluid level, add if necessary. Refer to Transmission Fluid Level Inspection .