GM Service Manual Online
For 1990-2009 cars only

Removal Procedure

  1. Remove the air distribution duct. Refer to Air Distributor Duct Replacement .

  2. Object Number: 943433  Size: SH
  3. Remove the retainers from the side window upper defogger duct.
  4. Disconnect and remove the defogger upper outlet duct.

  5. Object Number: 1224615  Size: SH
  6. Disconnect the head-up display (HUD) electrical connector.
  7. Remove the HUD retaining nuts.
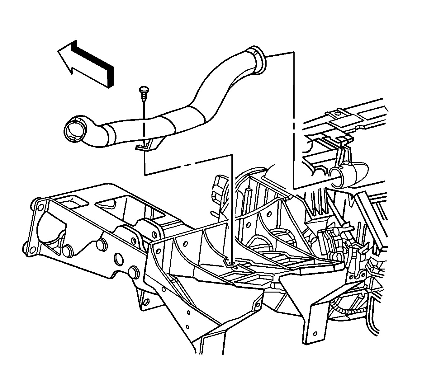
  8. Remove the screw that secures the HUD to the steering column bracket.

  9. Object Number: 943424  Size: SH
  10. Remove the defogger lower outlet duct retainer.
  11. Disconnect and remove the defogger lower outlet duct from the defroster duct.

Installation Procedure


    Object Number: 943424  Size: SH
  1. Install the defogger lower outlet duct.
  2. Connect the defogger lower outlet duct to the defroster duct.
  3. Install the retainer to the defogger lower outlet duct.
  4. Notice: Refer to Fastener Notice in the Preface section.

  5. Install the screw that secures the HUD to the steering column bracket.
  6. Tighten
    Tighten the screw to 3 N·m (27 lb in).

  7. Install the HUD retaining nuts.
  8. Tighten
    Tighten the nuts to 5 N·m (44 lb in).


    Object Number: 1224615  Size: SH
  9. Connect the HUD electrical connector.

  10. Object Number: 943433  Size: SH
  11. Install and connect the defogger upper outlet duct to the defogger lower outlet duct.
  12. Install the retainers to the upper defogger duct.
  13. Install the air distribution duct. Refer to Air Distributor Duct Replacement .