GM Service Manual Online
For 1990-2009 cars only

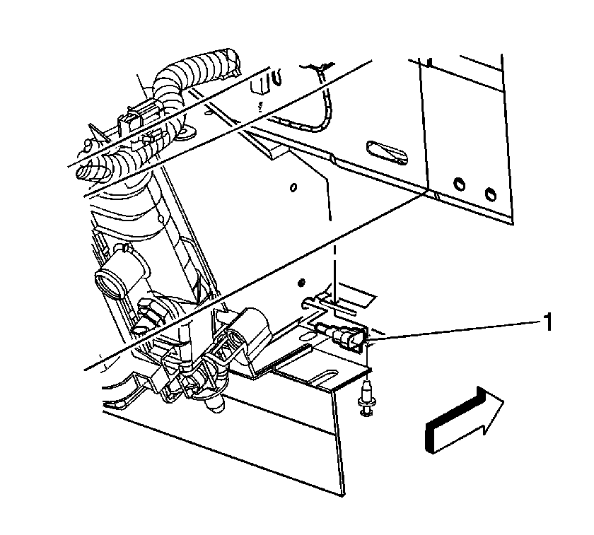
Removal Procedure


    Object Number: 922612  Size: SH
  1. Raise and support the vehicle. Refer to Lifting and Jacking the Vehicle .
  2. Disconnect the ambient air temperature sensor electrical connector.
  3. Remove the push-in retainer securing the ambient air temperature sensor to the lower RH side of the radiator support.
  4. Remove the ambient air temperature sensor from the radiator support.

Installation Procedure


    Object Number: 922612  Size: SH

    Important: The ambient air temperature sensor must be orientated so that the sensor probe end is inboard and the electrical connector is outboard.

  1. Install the ambient air temperature sensor to the lower radiator support.
  2. Install the push-in retainer to secure the ambient air temperature sensor to the radiator support.
  3. Connect the ambient air temperature sensor electrical connector.