GM Service Manual Online
For 1990-2009 cars only
Makes
🢒
Chevrolet
🢒
2007
🢒
Corvette
🢒 Actuators
Actuators
Actuators
Master Electrical Component List
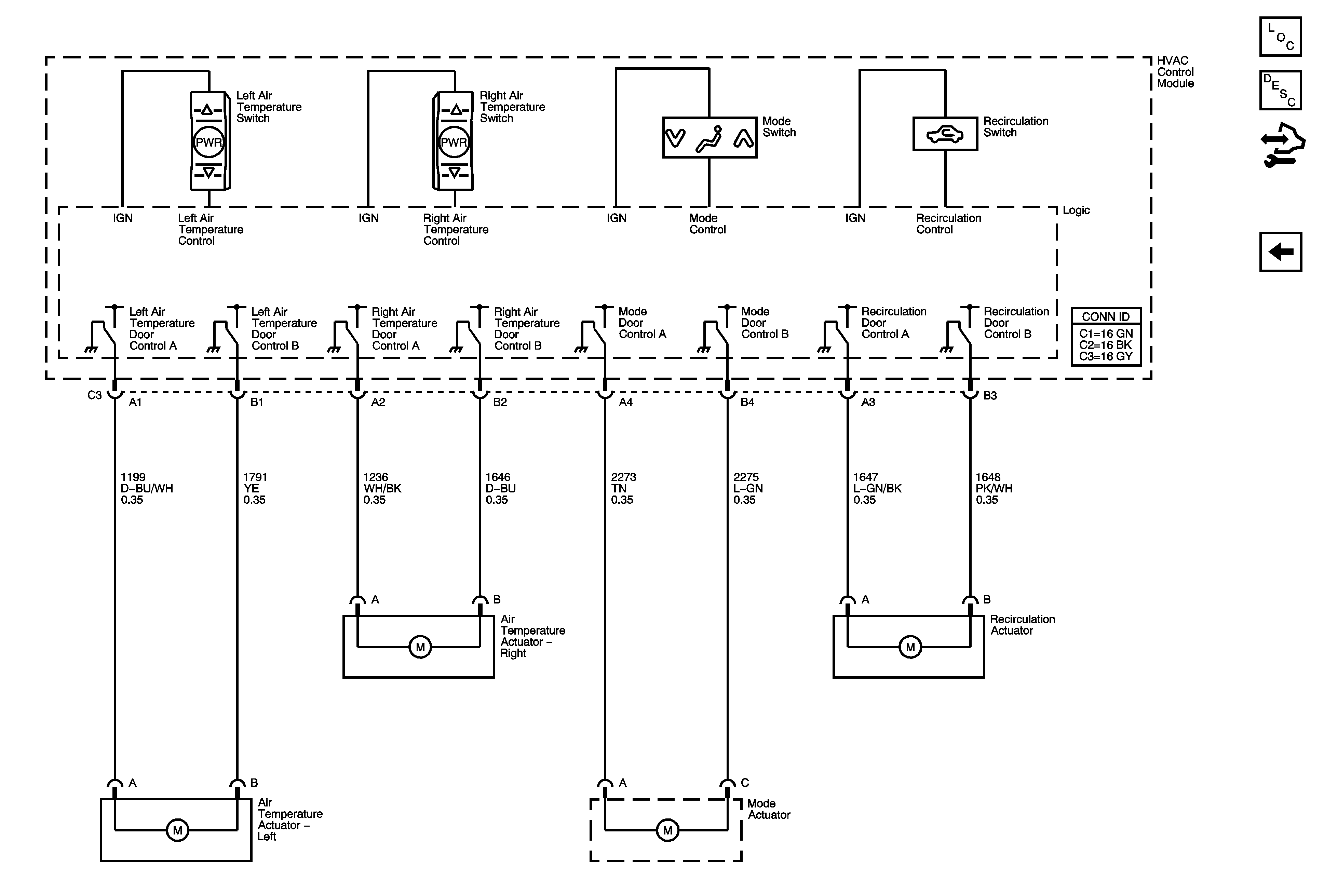
Air Delivery Description and Operation
Control Module References
Temperature Controls