GM Service Manual Online
For 1990-2009 cars only
Makes
🢒
Chevrolet
🢒
2007
🢒
Corvette
🢒 Headlamps
Headlamps
Headlamps
Master Electrical Component List
Exterior Lighting Systems Description and Operation
Control Module References
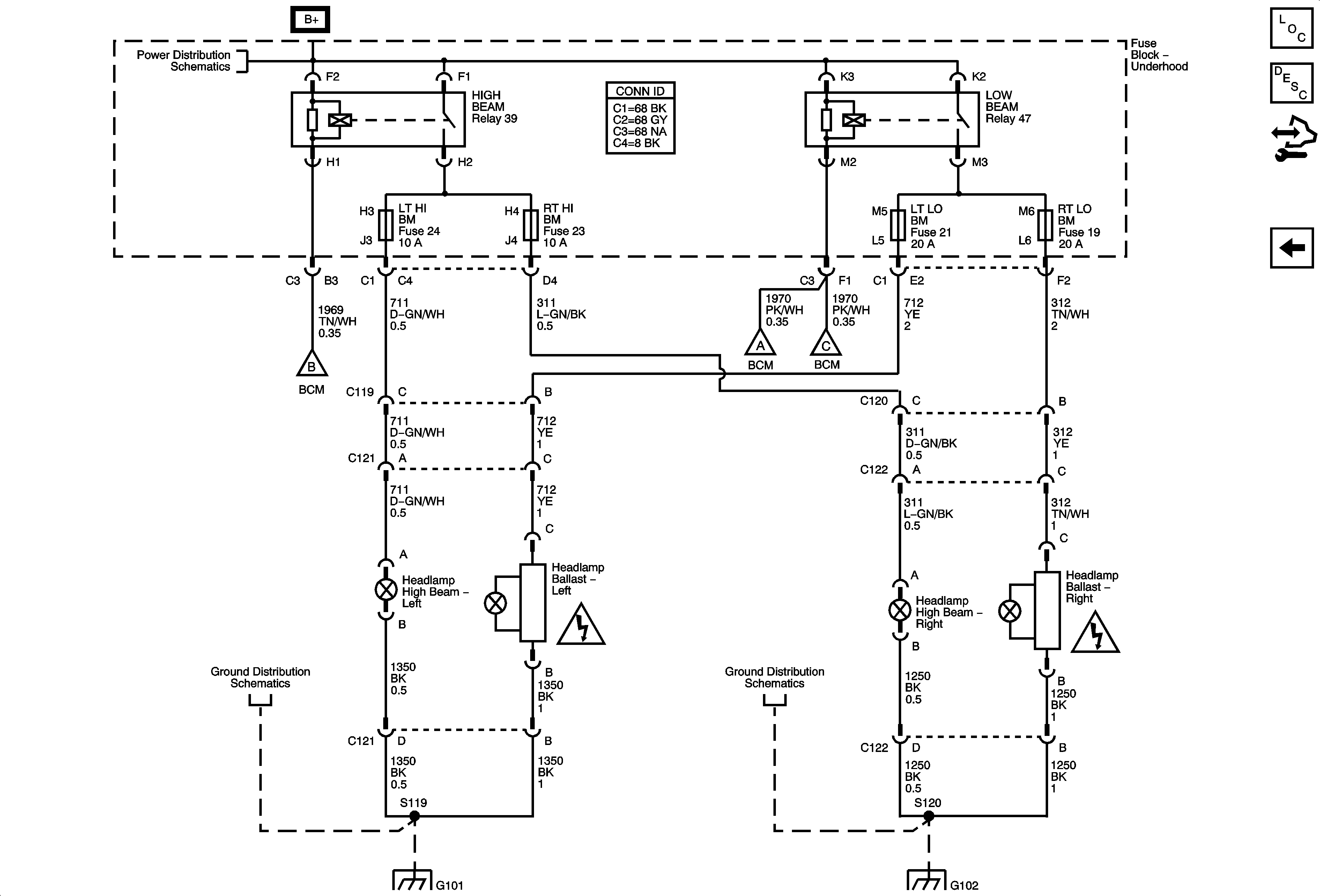
Headlamp/DRL Controls
Fuse Block - Underhood Bussing
Headlamp/DRL Controls
Headlamp/DRL Controls
G101
Lighting Systems Schematic Icons
G101
G102
Lighting Systems Schematic Icons
G102