GM Service Manual Online
For 1990-2009 cars only
Makes
🢒
Chevrolet
🢒
2007
🢒
Corvette
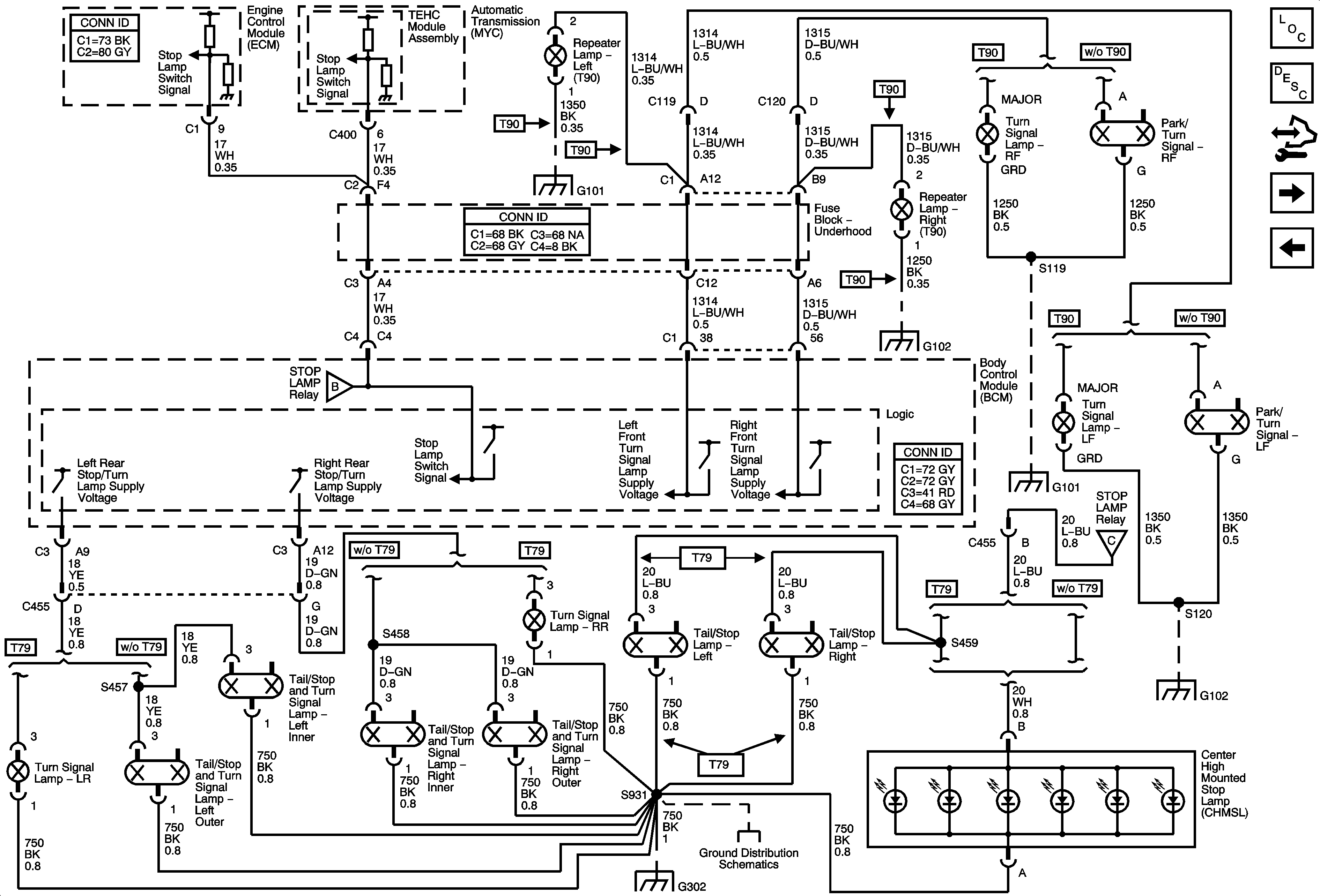
🢒 Hazard, Stop Lamps, and Turn Signal Outputs (Y07/Y67)
Hazard, Stop Lamps, and Turn Signal Outputs (Y07/Y67)
Hazard, Stop Lamps, and Turn Signal Outputs (Y07/Y67)
Master Electrical Component List
Exterior Lighting Systems Description and Operation
Control Module References
Hazard, Stop Lamps, and Turn Signal Outputs (Y87
Hazard, Stop Lamps, and Turn Signal Inputs
G101
G102
Hazard, Stop Lamps, and Turn Signal Inputs
G101
Hazard, Stop Lamps, and Turn Signal Inputs
G102
G302, G401, and G402