GM Service Manual Online
For 1990-2009 cars only
Makes
🢒
Chevrolet
🢒
2007
🢒
Corvette
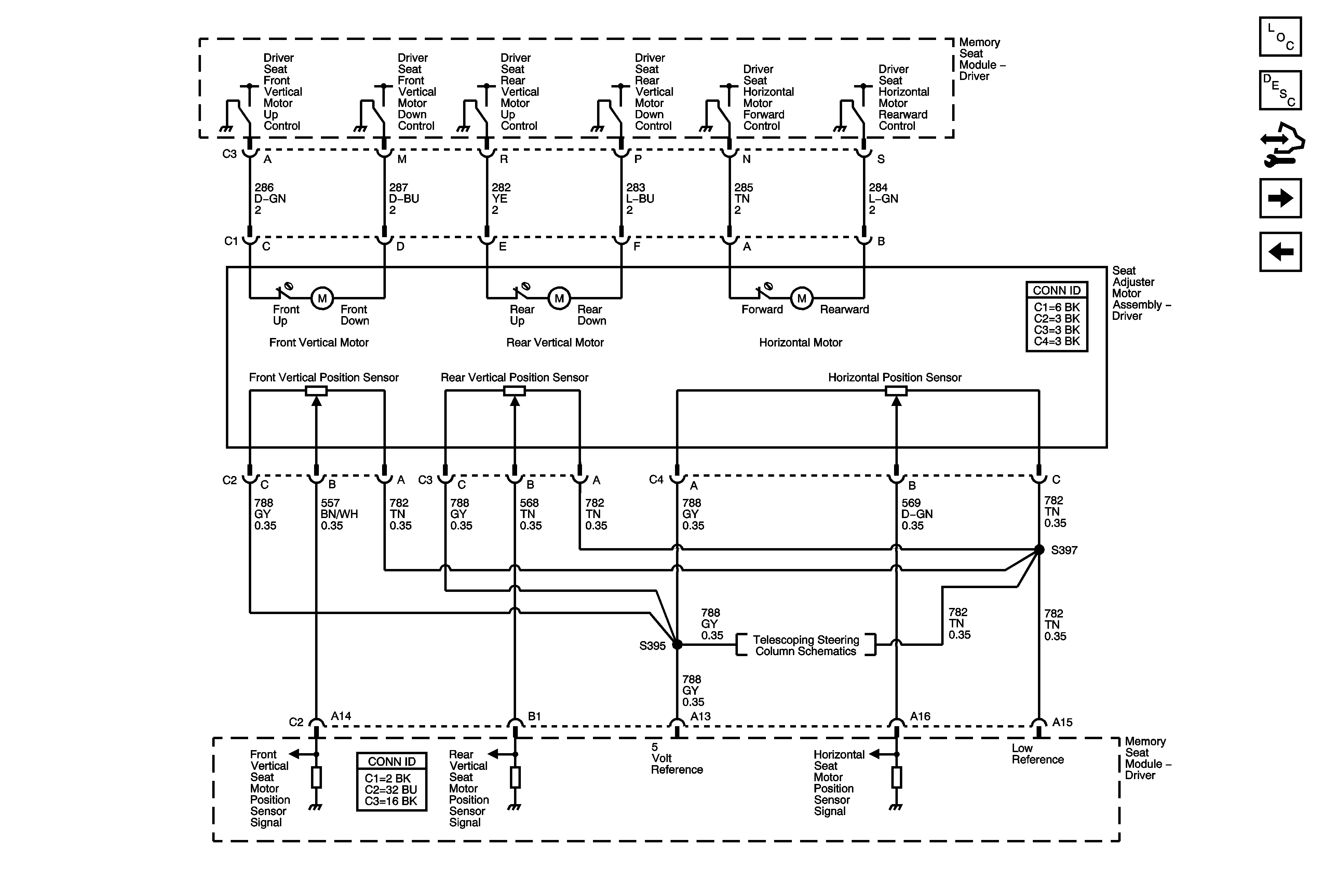
🢒 Memory Seat (AAB) 2 of 2
Memory Seat (AAB) 2 of 2
Memory Seat (AAB) 2 of 2
Master Electrical Component List
Power Seats System Description and Operation
Control Module References
Lumbar Support
Memory Seat (AAB) 1 of 2
Tilt/Telescoping Steering Column Schematics (N37/NP7)