GM Service Manual Online
For 1990-2009 cars only

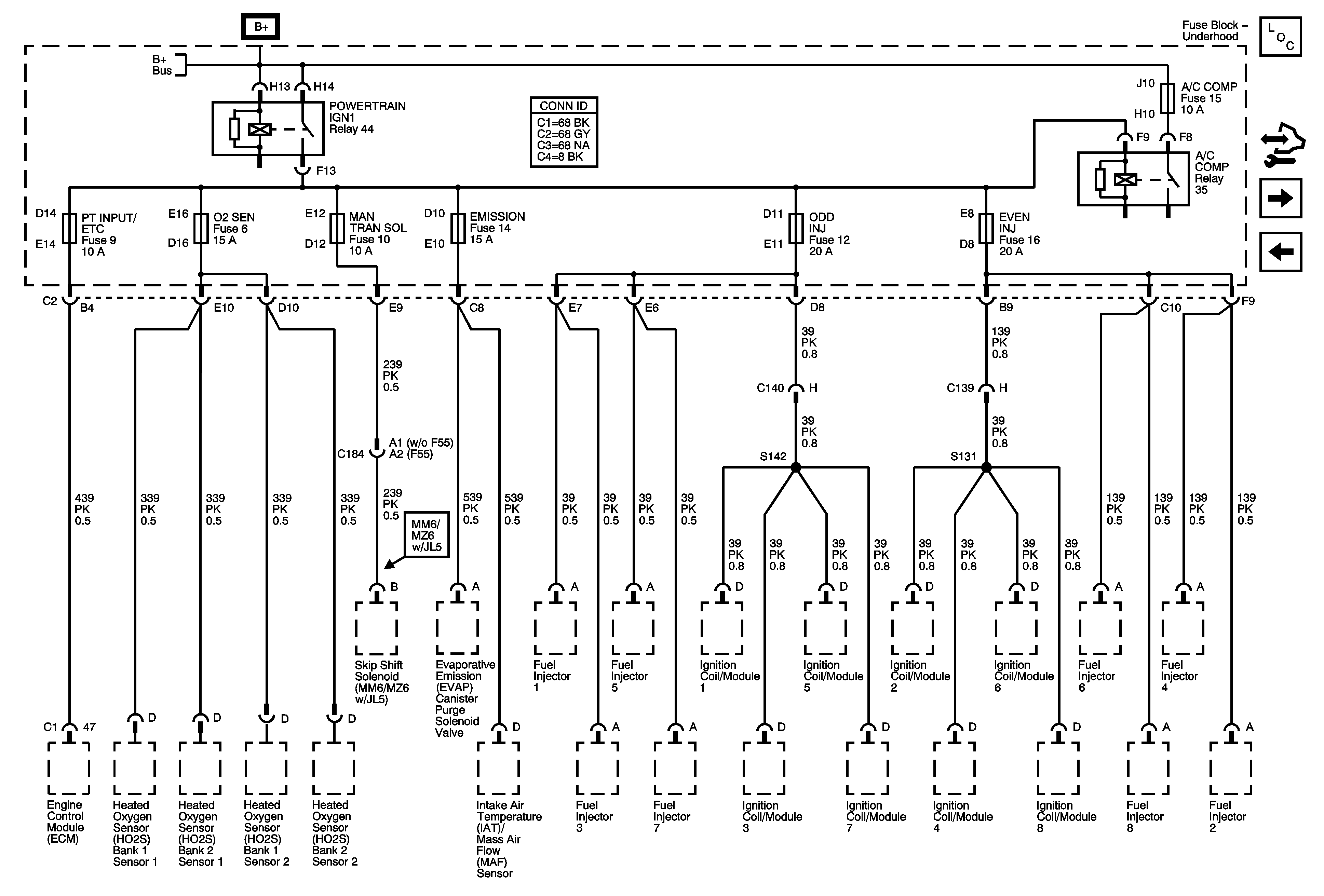
Fuse Block - Underhood A/C COMP, EMISSION, EVEN INJ, MAN TRAN SOL, O2 SEN, ODD INJ, and PT INPUT/ETC Fuses, A/C COMP and POWERTRAIN IGN1, Relays

Fuse Block - Underhood A/C COMP, EMISSION, EVEN INJ, MAN TRAN SOL, 02 SEN, ODD INJ, and PT INPUT/ETC Fuses, A/C COMP and POWERTRAIN IGN1 Relays


Object Number: 1861464  Size: FS
Master Electrical Component List
Control Module References
Fuse Block - Underhood LT HI BM, LT LO BM, RT HI BM, RT LO BM, WIPER and W/S WAS Fuses, HIGH BEAM, LOW BEAM, WIPER HI/LO, WIPER ON/OFF, WIPER RUN/ACC and W/S WASH Relays, Fuse Block-I/P WPR DWELL and
BCM Fuses: ECM, HTD SEAT/WPR Relays, GM LAN RUN/CRNK, and SDM/AOS AIRBAG, Fuse Block - Underhood ABS/MRRTD and TCM/TRANS Fuses and WIPER RUN/ACC Relay
Fuse Block - Underhood Bussing