GM Service Manual Online
For 1990-2009 cars only
Makes
🢒
Chevrolet
🢒
2007
🢒
Corvette
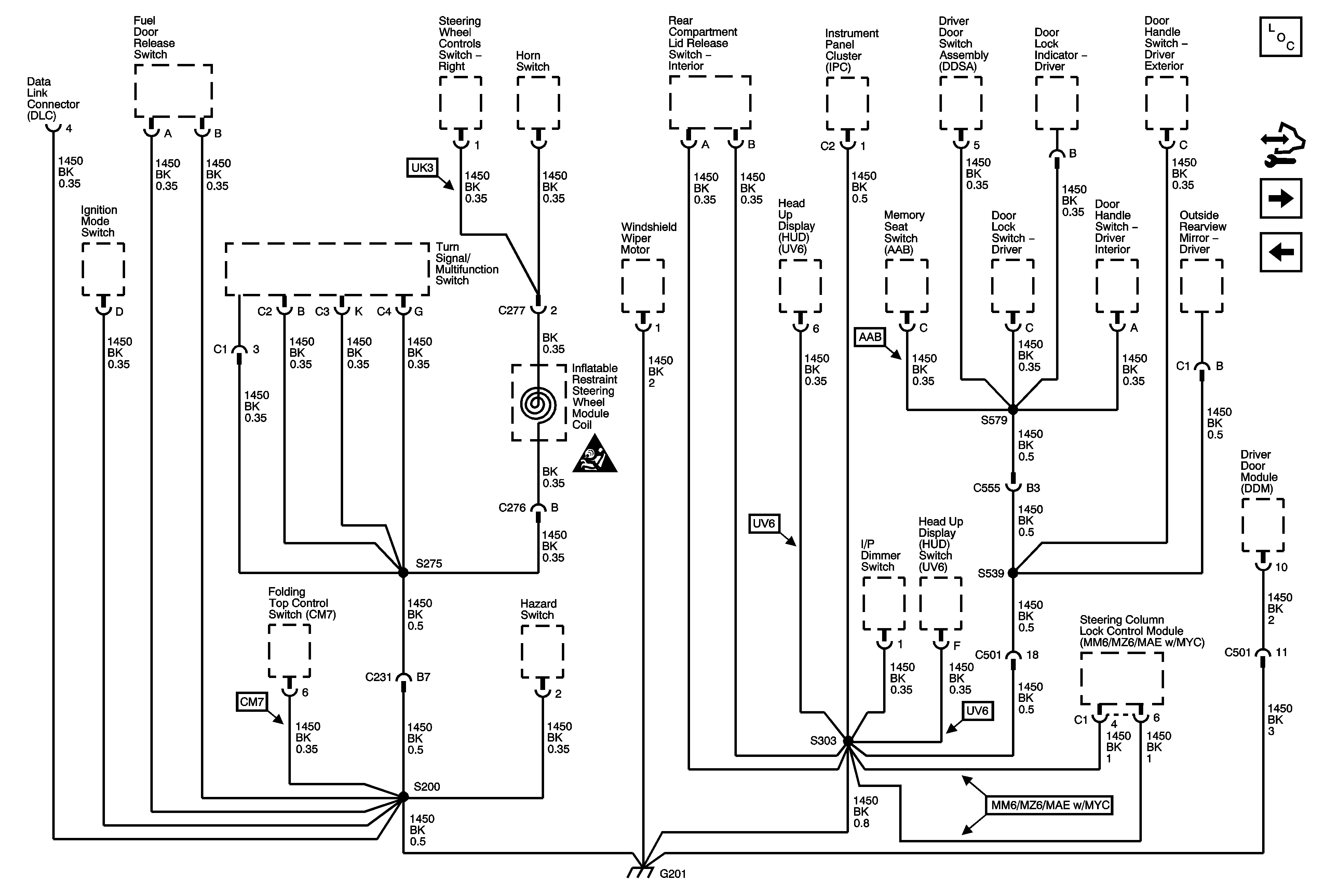
🢒 G201
G201
G201
Master Electrical Component List
Control Module References
G202, 1 of 2
G202, 1 of 2
SIR Caution for Zoning