GM Service Manual Online
For 1990-2009 cars only
Makes
🢒
Chevrolet
🢒
2007
🢒
Corvette
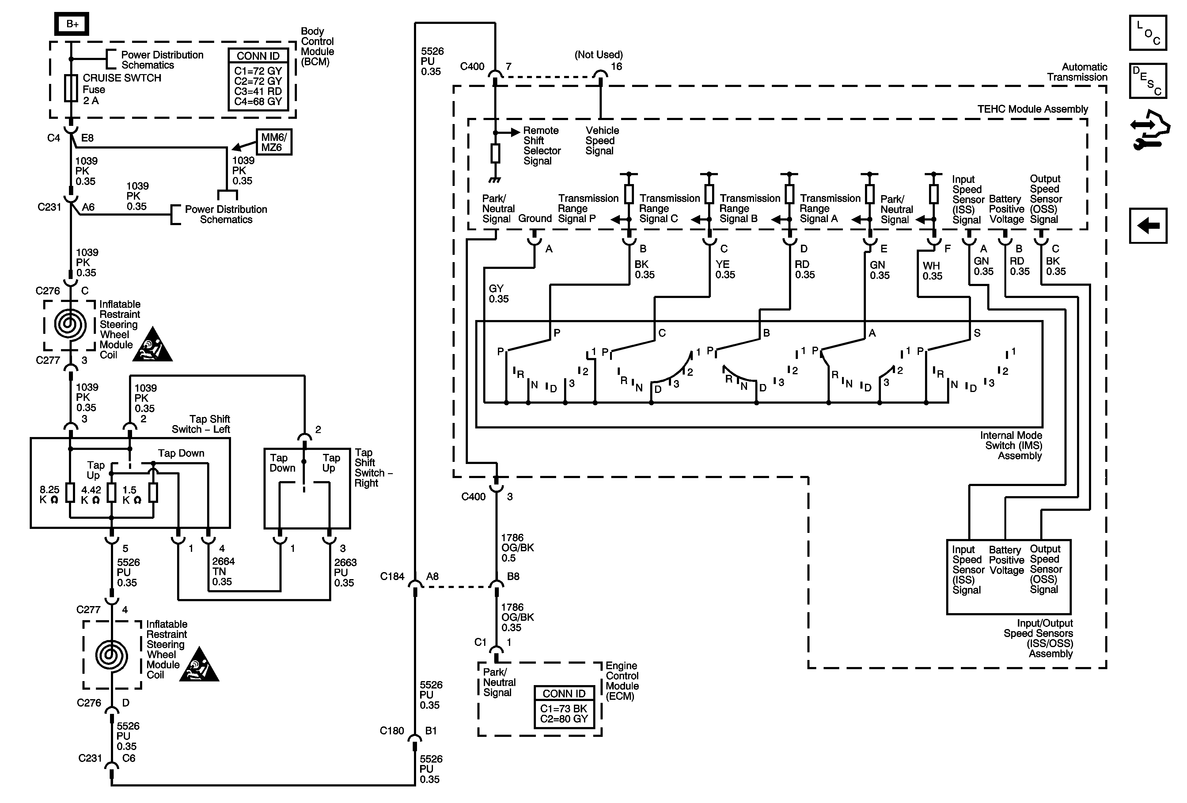
🢒 Input/Output Speed Sensors (ISS/OSS), Internal Mode Switch (IMS), and TAP Shift Switches
Input/Output Speed Sensors (ISS/OSS), Internal Mode Switch (IMS), and TAP Shift Switches
Input/Output Speed Sensors (ISS/OSS), Internal Mode Switch (IMS), and TAP Shift Switches
Master Electrical Component List
Transmission General Description
Control Module References
DLC, Ground, Power, and Stop Lamp Signal
BCM Fuses: CLSTR/HUD, CRUISE SWTCH, CTSY/LAMP, DR LCK, EXH MDL, HVAC/PWR SND, ISRVM/HVAC and RUN CRNK Relay
BCM Fuses: CLSTR/HUD, CRUISE SWTCH, CTSY/LAMP, DR LCK, EXH MDL, HVAC/PWR SND, ISRVM/HVAC and RUN CRNK Relay
SIR Caution for Zoning
SIR Caution for Zoning