GM Service Manual Online
For 1990-2009 cars only
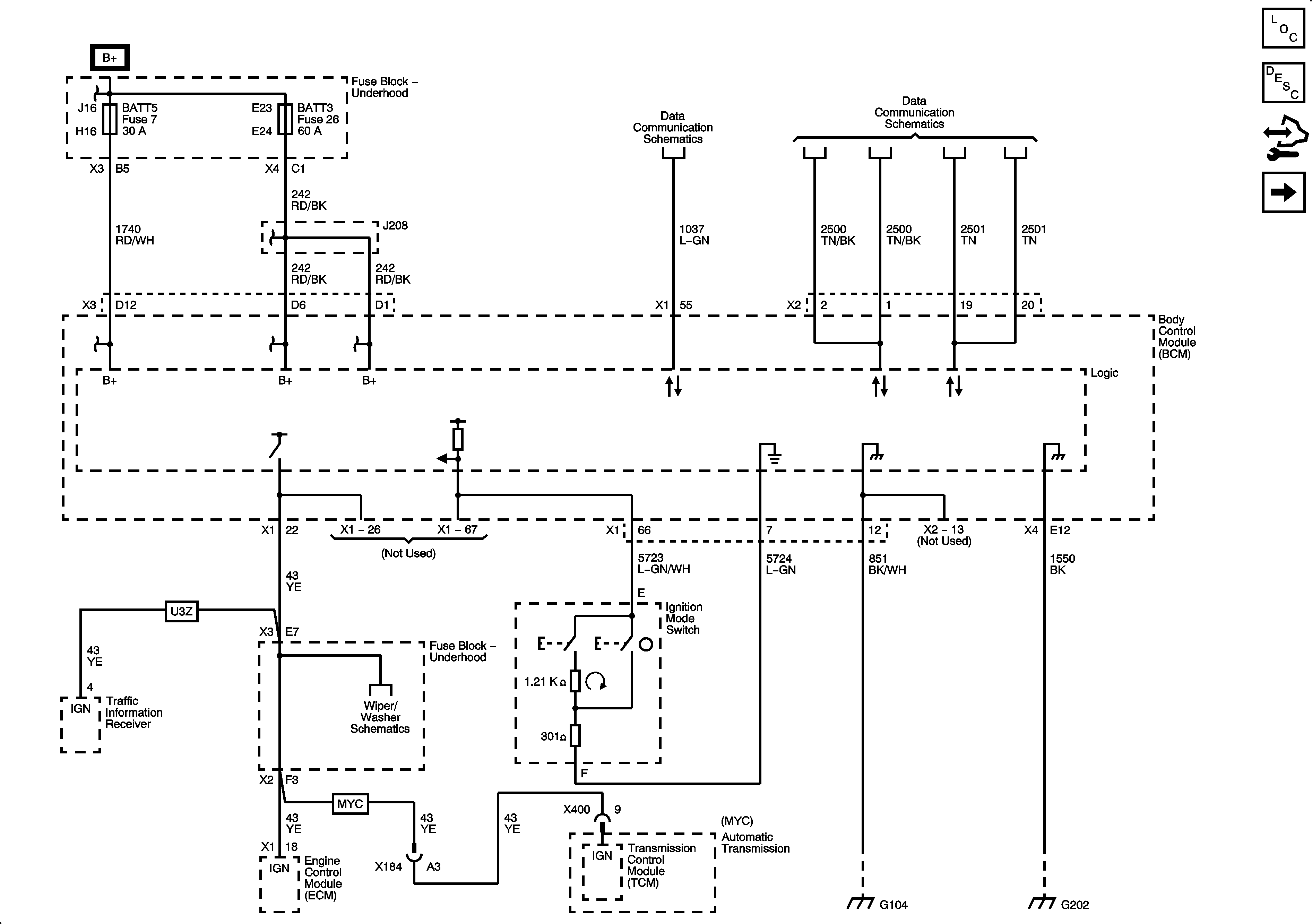
Figure 1:

Power, Ground, and Serial Data


Object Number: 1893254  Size: FS
Master Electrical Component List
Body Control System Description and Operation
Control Module References
Lighting References (! of 2)
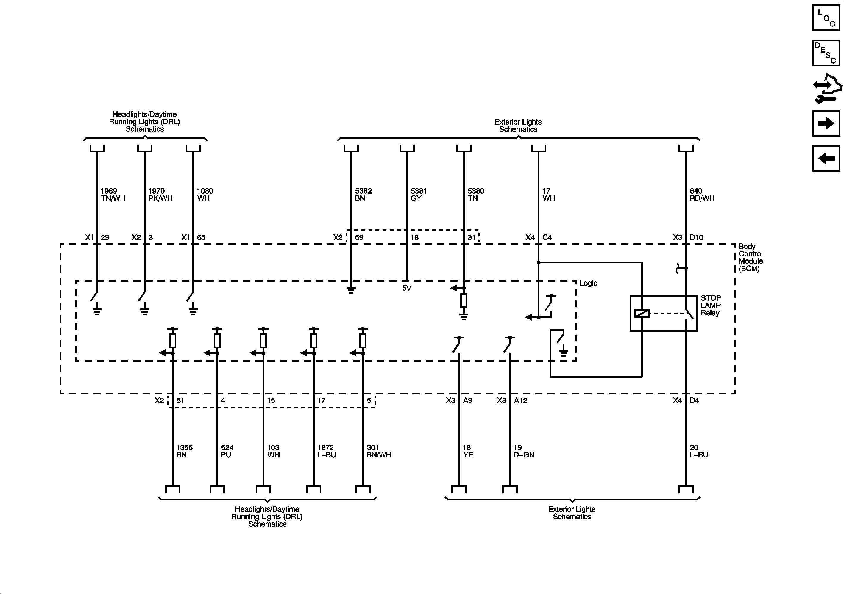
Figure 2:

Lighting References 1 of 2


Object Number: 1893257  Size: FS
Master Electrical Component List
Body Control System Description and Operation
Control Module References
Lighting References (2 of 2)
Power, Ground, and Serial Data
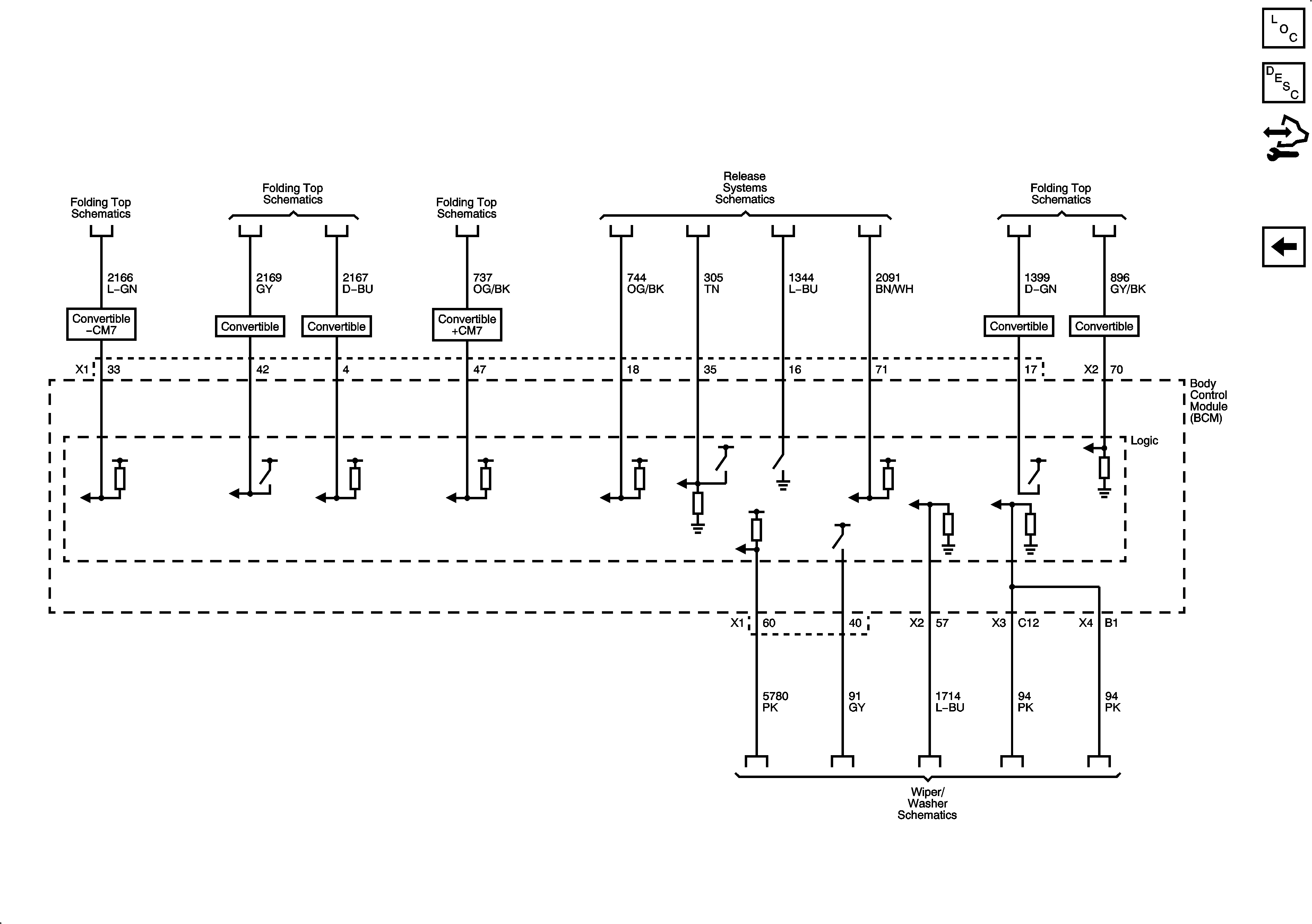
Figure 3:

Lighting References 2 of 2


Object Number: 1893259  Size: FS
Master Electrical Component List
Body Control System Description and Operation
Control Module References
Subsystem References (1 of 2)
Lighting References (! of 2)
Figure 4:

Subsystem References 1 of 2


Object Number: 1893261  Size: FS
Master Electrical Component List
Body Control System Description and Operation
Control Module References
Subsystem References (2 of 2)
Lighting References (2 of 2)
Figure 5:

Subsystem References 2 of 2


Object Number: 1893262  Size: FS
Master Electrical Component List
Body Control System Description and Operation
Control Module References
Subsystem References (1 of 2)