GM Service Manual Online
For 1990-2009 cars only
Makes
🢒
Chevrolet
🢒
2008
🢒
Corvette
🢒
Safety and Security
🢒
Supplemental Inflatable Restraints
🢒 SIR Schematics
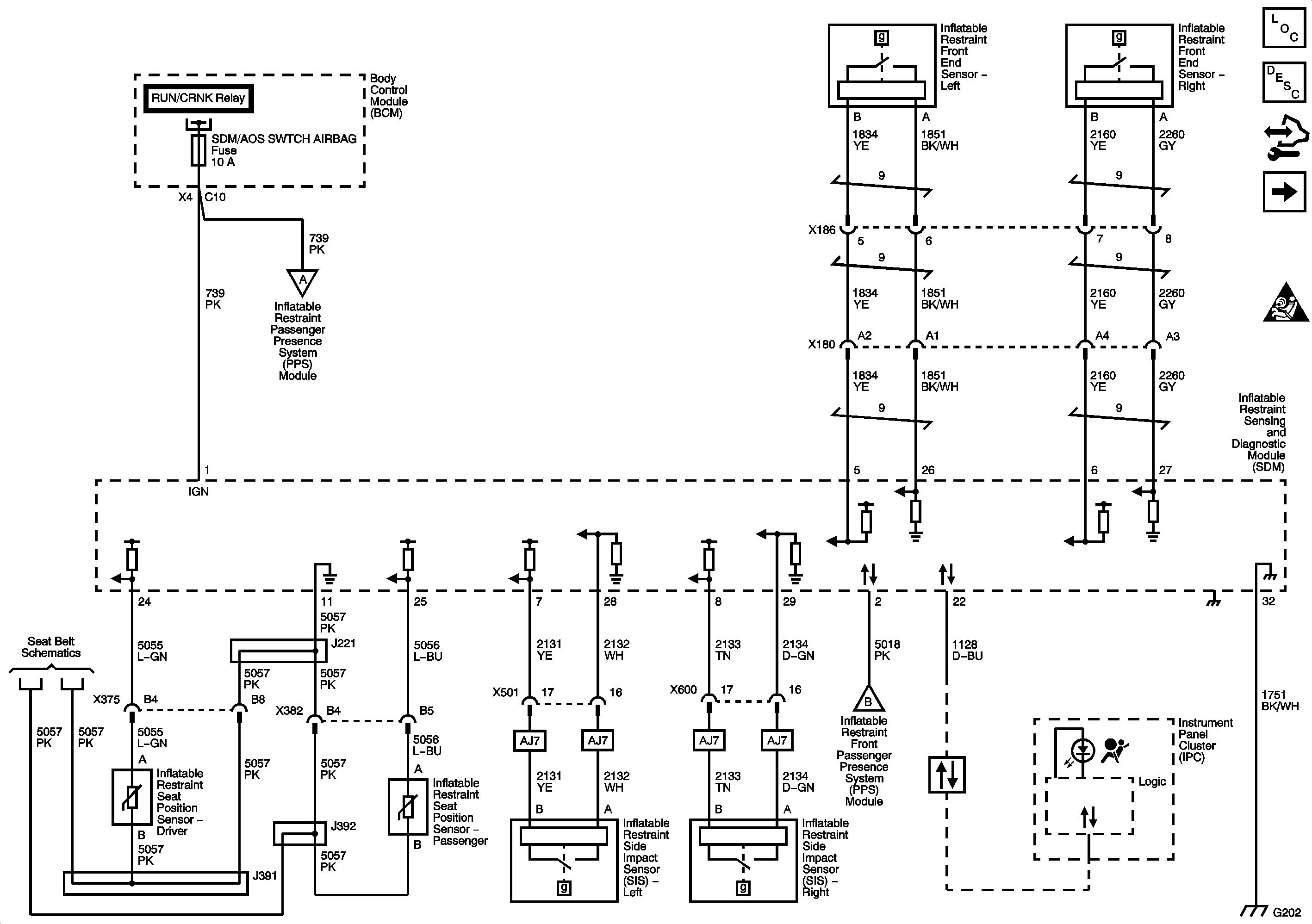
Figure
1:
Power, Ground, Indicators, Sensors, and Switches
Master Electrical Component List
SIR System Description and Operation
Control Module References
Deployment Loops
Figure
2:
Deployment Loops
Master Electrical Component List
SIR System Description and Operation
Control Module References
Passenger Presence System (PPS)
Power, Ground, Indicator, Sensors, and Switches
Figure
3:
Passenger Presence System (PPS)
Master Electrical Component List
SIR System Description and Operation
Control Module References
Deployment Loops