GM Service Manual Online
For 1990-2009 cars only
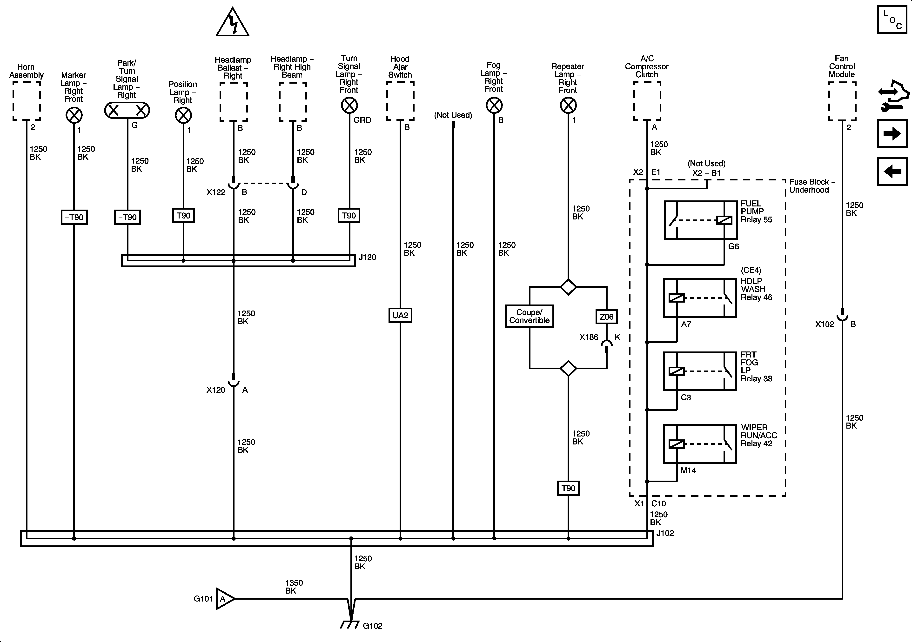
Figure 1:

G101


Object Number: 2053214  Size: FS
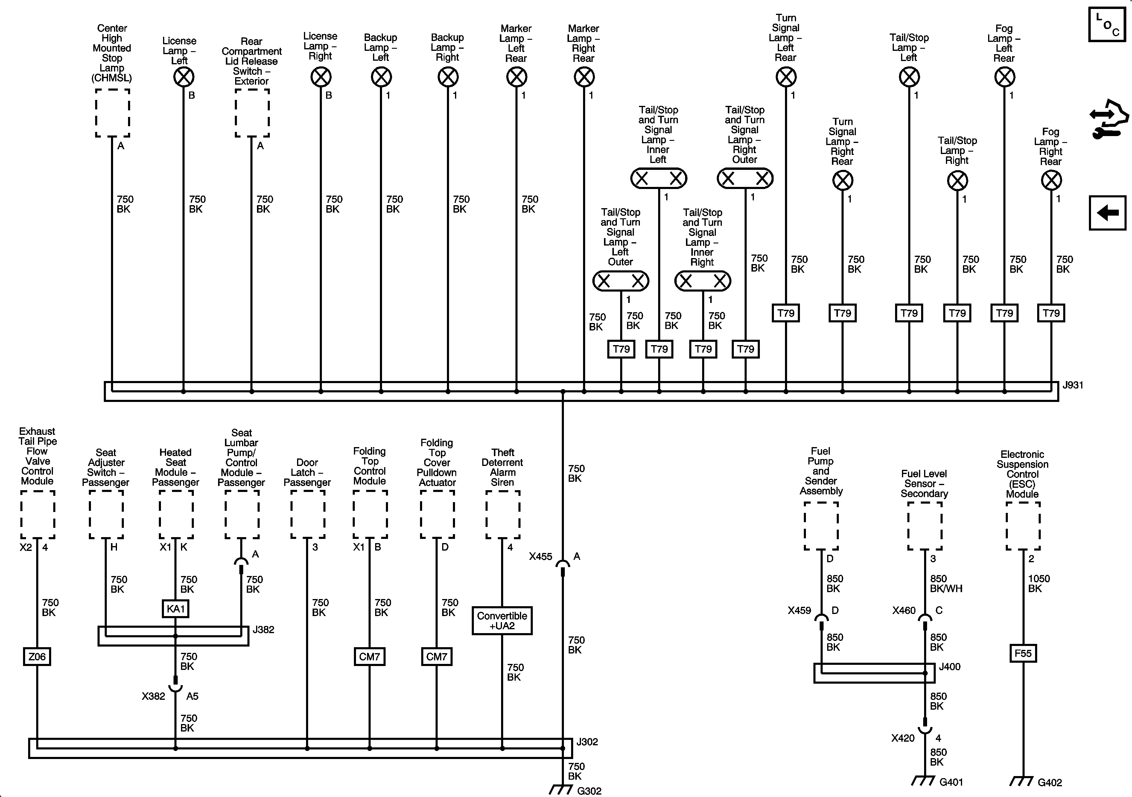
Figure 2:

G102


Object Number: 2053218  Size: FS
Figure 3:

G104, G106, and G303


Object Number: 2053225  Size: FS
Figure 4:

G104


Object Number: 2159196  Size: FS
Figure 5:

G105 and G107


Object Number: 2053231  Size: FS
Figure 6:

G201


Object Number: 2053237  Size: FS
Figure 7:

G202 (1 of 2)


Object Number: 2053241  Size: FS
Figure 8:

G202 (2 of 2)


Object Number: 2053247  Size: FS
Figure 9:

G301


Object Number: 2053249  Size: FS
Figure 10:

G302, G401, and G402


Object Number: 2053254  Size: FS