GM Service Manual Online
For 1990-2009 cars only

Engine Front Cover Installation without Camshaft Position Actuator

Special Tools

    • EN-48853 Front Cover Alignment Tool
    • J 41480 Front and Rear Cover Alignment

For equivalent regional tools, refer to Special Tools


    Object Number: 2038350  Size: SH
  1. Measure the alignment tab distance on the front cover.
  2. For 2009 model year, the engine front cover may have either a 141 mm (5.55 in) dimension (a) or 159 mm (6.26 in) dimension (b) alignment tab distance. Front cover alignment tool EN-48853 tool is designed to properly align both front covers. For the 141 mm (5.55 in) cover, adapters EN 48853-2 must be used.

    Caution: Refer to Fastener Caution in the Preface section.


    Object Number: 1704624  Size: SH

    Note: 

       • Do not use the crankshaft oil seal or the engine front cover gasket again.
       • Do not apply any type of sealant to the front cover gasket, unless specified.
       • The special tools in this procedure are used to properly align the engine front cover at the oil pan surface and to center the crankshaft front oil seal.
          - All gasket surfaces should be free of oil or other foreign material during assembly.
          - The crankshaft front oil seal MUST be centered in relation to the crankshaft.
          - The oil pan sealing surface at the front cover and engine block MUST be aligned within specifications.
          - An improperly aligned front cover may cause premature front oil seal wear and/or engine assembly oil leaks.

  3. Install the front cover gasket (3), front cover (2), and bolts (1).
  4. Tighten the cover bolts finger tight. Do not overtighten.

  5. Object Number: 2038351  Size: SH

    Note: Start the tool-to-front cover bolts. Do not tighten the bolts at this time.

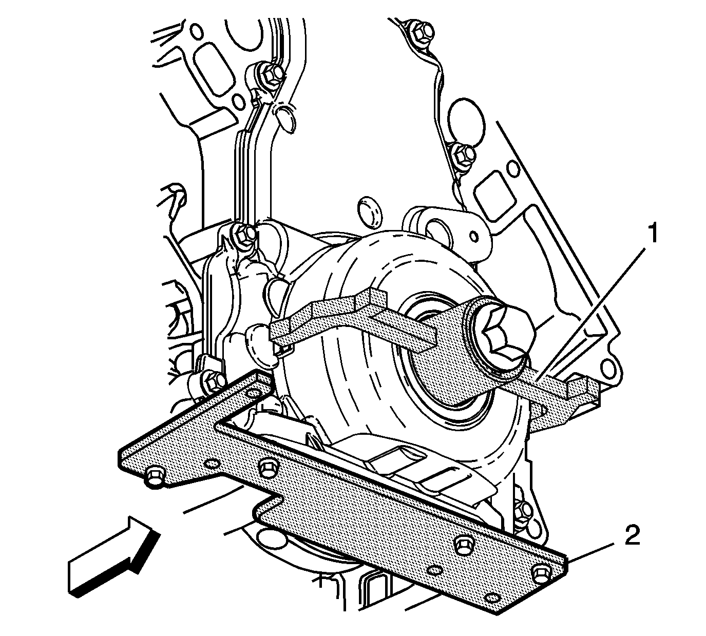
  6. Install the J 41480 cover alignment and tighten the tool-to-engine block bolts to 25 N·m (18 lb ft).

  7. Object Number: 2037005  Size: SH
  8. Install the EN 48853-2 adapters as required for usage on the 141 mm (5.55 in) dimension (a) front cover. Position the adapters against the legs of the EN-48853 tool with the words "cover side" (1) facing away from the tool.

  9. Object Number: 2038352  Size: SH

    Note: Align the tapered legs of the tool with the machined alignment surfaces on the front cover.

  10. Install the EN-48853 tool  (1).
  11. Install the crankshaft balancer bolt.
  12. Tighten the crankshaft balancer bolt by hand until snug. Do not overtighten.
  13. Tighten the J 41480 alignment  (2).
  14. Tighten the engine front cover bolts to 25 N·m (18 lb ft).
  15. Remove the tools.

  16. Object Number: 1402104  Size: SH
  17. Measure the oil pan surface flatness, front cover-to-engine block.
  18. 12.1. Place a straight edge across the engine block and front cover oil pan sealing surfaces.

    Avoid contact with the portion of the gasket that protrudes into the oil pan surface.

    12.2. Insert a feeler gage between the front cover and the straight edge tool. The cover must be flush with the oil pan surface or no greater than 0.5 mm (0.02 in) (a) below flush.
  19. If the front cover-to-engine block oil pan surface alignment is not within specifications, repeat the cover alignment procedure.
  20. If the correct front cover-to-engine block alignment cannot be obtained, replace the front cover.

  21. Object Number: 1704625  Size: SH
  22. Inspect the camshaft position (CMP) sensor O-ring seal (3) for cuts or damage. If the seal is not cut or damaged, it may be used again.
  23. Lubricate the O-ring seal with clean engine oil.
  24. Install the O-ring seal onto the sensor (2).
  25. Install the sensor to the cover.
  26. Install the CMP sensor wire harness (5) and bolts (1, 6).

Engine Front Cover Installation 6.2L LS9

Special Tools

    • EN-48853 Front Cover Alignment Tool
    • J 41480 Front and Rear Cover Alignment

    Object Number: 1552543  Size: SH

    Note: 

       • Do not use the crankshaft oil seal or the engine front cover gasket again.
       • Do not apply any type of sealant to the front cover gasket, unless specified.
       • The special tools in this procedure are used to properly align the engine front cover at the oil pan surface and to center the crankshaft front oil seal.
          - All gasket surfaces should be free of oil or other foreign material during assembly.
          - The crankshaft front oil seal MUST be centered in relation to the crankshaft.
          - The oil pan sealing surface at the front cover, and the engine block, MUST be aligned within specifications.
          - An improperly aligned front cover may cause premature front oil seal wear and/or engine assembly oil leaks.

  1. Install the front cover gasket (503), front cover (502), and bolts (501).
  2. Tighten the cover bolts finger tight. Do not overtighten.
  3. Caution: Refer to Fastener Caution in the Preface section.


    Object Number: 1552561  Size: SH

    Note: Start the tool-to-front cover bolts. Do not tighten the bolts at this time.

  4. Install the J 41480 Cover .
  5. Tighten the tool-to-engine block bolts to 25 N·m (18 lb ft).

  6. Object Number: 2054441  Size: SH

    Note: Align the tapered legs of the tool with the machined alignment surfaces on the front cover.

  7. Install the EN-48853 Tool  (1).
  8. Install the crankshaft balancer bolt.
  9. Tighten the crankshaft balancer bolt by hand until snug. Do not overtighten.
  10. Tighten the J 41480 cover alignment  (2).
  11. Tighten the engine front cover bolts to 30 N·m (22 lb ft).
  12. Remove the tools.

  13. Object Number: 1552563  Size: SH
  14. Measure the oil pan surface flatness, front cover-to-engine block.
  15. 11.1. Place a straight edge across the engine block and front cover oil pan sealing surfaces.

    Avoid contact with the portion of the gasket that protrudes into the oil pan surface.

    11.2. Insert a feeler gage between the front cover and the straight edge tool. The cover must be flush with the oil pan surface, or no greater than 0.5 mm (0.02 in) (a) below flush.
  16. If the front cover-to-engine block oil pan surface alignment is not within specifications, repeat the cover alignment procedure.
  17. If the correct front cover-to-engine block alignment cannot be obtained, replace the front cover.

  18. Object Number: 1552459  Size: SH
  19. Inspect the camshaft position (CMP) sensor O-ring seal (704) for cuts or damage. If the seal is not cut or damaged, it may be used again.
  20. Lubricate the O-ring seal with clean engine oil.
  21. Install the O-ring seal onto the sensor (703).
  22. Install the sensor to the cover.
  23. Install the CMP bolt (705) and tighten to 12 N·m (106 lb in).

  24. Object Number: 1669841  Size: SH
  25. Install the CMP sensor wire harness (737).

Engine Front Cover Installation 7.0L

Special Tools

    • EN-48853 Front Cover Alignment Tool
    • J 41480 Front and Rear Cover Alignment

For equivalent regional tools, refer to Special Tools


    Object Number: 1552543  Size: SH

    Note: 

       • Do not use the crankshaft oil seal or the engine front cover gasket again.
       • Do not apply any type of sealant to the front cover gasket, unless specified.
       • The special tools in this procedure are used to properly align the engine front cover at the oil pan surface and to center the crankshaft front oil seal.
          - All gasket surfaces should be free of oil or other foreign material during assembly.
          - The crankshaft front oil seal MUST be centered in relation to the crankshaft.
          - The oil pan sealing surface at the front cover, and the engine block, MUST be aligned within specifications.
          - An improperly aligned front cover may cause premature front oil seal wear and/or engine assembly oil leaks.

  1. Install the front cover gasket (503), front cover (502), and bolts (501).
  2. Tighten the cover bolts finger tight. Do not overtighten.
  3. Caution: Refer to Fastener Caution in the Preface section.


    Object Number: 1552561  Size: SH

    Note: Start the tool-to-front cover bolts. Do not tighten the bolts at this time.

  4. Install the J 41480 cover alignment . Tighten the tool-to-engine block bolts to 25 N·m (18 lb ft).

  5. Object Number: 2054441  Size: SH

    Note: Align the tapered legs of the tool with the machined alignment surfaces on the front cover.

  6. Install the EN-48853 alignment tool  (1).
  7. Install the crankshaft balancer bolt.
  8. • Tighten the crankshaft balancer bolt by hand until snug. Do not overtighten.
    • Tighten the J 41480 cover alignment  (2).
    • Tighten the engine front cover bolts to 25 N·m (18 lb ft).
  9. Remove the tools

  10. Object Number: 1552563  Size: SH
  11. Measure the oil pan surface flatness, front cover-to-engine block.
  12. 7.1. Place a straight edge across the engine block and front cover oil pan sealing surfaces.

    Avoid contact with the portion of the gasket that protrudes into the oil pan surface.

    7.2. Insert a feeler gage between the front cover and the straight edge tool. The cover must be flush with the oil pan surface, or no greater than 0.5 mm (0.02 in) (a) below flush.
  13. If the front cover-to-engine block oil pan surface alignment is not within specifications, repeat the cover alignment procedure.
  14. If the correct front cover-to-engine block alignment cannot be obtained, replace the front cover.

  15. Object Number: 1552459  Size: SH
  16. Inspect the camshaft position (CMP) sensor O-ring seal (704) for cuts or damage. If the seal is not cut or damaged, it may be used again.
  17. Lubricate the O-ring seal with clean engine oil.
  18. Install the O-ring seal onto the sensor (703).
  19. Install the sensor to the cover.
  20. Install the CMP bolt (705) and tighten to 12 N·m (106 lb in).

  21. Object Number: 1669841  Size: SH
  22. Install the CMP sensor wire harness (737).