GM Service Manual Online
For 1990-2009 cars only

Fuel Rail and Injectors Installation 6.2L LS3

    Warning: Refer to Fuel Rail Stop Bracket Installation Warning in the Preface section.


    Object Number: 1552482  Size: SH

    Note: DO NOT use the fuel injector O-ring seals again. Install NEW fuel injector O-ring seals during assembly.

  1. Lubricate the NEW fuel injector O-ring seals (532 and 534) with clean engine oil.
  2. Install the O-ring seals to the fuel injectors.
  3. Install the fuel injectors (533) and retainers (521).

  4. Object Number: 1876001  Size: SH
  5. Install the fuel rail assembly (510) to the manifold. Push firmly on both sides of the rail until all injectors have entered their bores.
  6. Apply a 5 mm (0.2 in) band of threadlock GM P/N 12345382 (Canadian P/N 10953489), or equivalent, to the threads of the fuel rail bolts. Refer to Adhesives, Fluids, Lubricants, and Sealers.
  7. Caution: Refer to Fastener Caution in the Preface section.

  8. Install the fuel rail bolts (511 and 512) and fuel rail ground strap (557). Tighten the fuel rail bolts to 10 N·m (89 lb in).

  9. Object Number: 1876000  Size: SH
  10. Inspect the fuel rail ground strap (557) for proper installation.

Fuel Rail and Injectors Installation 6.2L LS9


    Object Number: 2054132  Size: SH

    Note: DO NOT use the fuel injector O-ring seals again. Install NEW fuel injector O-ring seals during assembly.

  1. Lubricate the NEW fuel injector O-ring seals (2) with clean engine oil.
  2. Install the O-ring seals to the fuel injectors.
  3. Install the fuel injectors (3) and retainers (1).

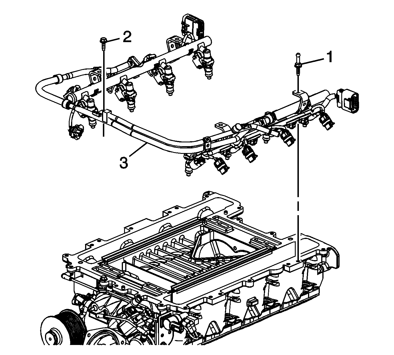
  4. Object Number: 2054131  Size: SH
  5. Install the wiring harnesses (2) and (3) onto the fuel rail (1).

  6. Object Number: 2054130  Size: SH
  7. Install the fuel rail assembly (3). Install the left side first, then install the right side with flex hose until all injectors have entered their bores.
  8. Apply a 5 mm (0.2 in) band of threadlock GM P/N 12345382 (Canadian P/N 10953489), or equivalent, to the threads of the fuel rail studs and bolt. Refer to Adhesives, Fluids, Lubricants, and Sealers.
  9. Caution: Refer to Fastener Caution in the Preface section.

  10. Install the fuel rail studs (1) and bolt (2) and tighten to 10 N·m (89 lb in).

  11. Object Number: 2054129  Size: SH
  12. Install the supercharger cover seal (3).
  13. Install the supercharger cover bolts (1) and the supercharger cover (2).

  14. Object Number: 2085707  Size: SH
  15. Install the cover bolts (1).
  16. 10.1. Tighten the bolts a first pass in sequence to 5 N·m (44 lb ft).
    10.2. Tighten the bolts a final pass in sequence to 10 N·m (89 lb ft).

Fuel Rail and Injectors Installation 7.0L

    Warning: Refer to Fuel Rail Stop Bracket Installation Warning in the Preface section.


    Object Number: 1552482  Size: SH

    Note: DO NOT use the fuel injector O-ring seals again. Install NEW fuel injector O-ring seals during assembly.

  1. Lubricate the NEW fuel injector O-ring seals (532, 534) with clean engine oil.
  2. Install the O-ring seals to the fuel injectors.
  3. Install the fuel injectors (533) and retainers (521).

  4. Object Number: 1552480  Size: SH
  5. Install the fuel rail assembly (510) to the manifold. Push firmly on both sides of the rail until all injectors have entered their bores.
  6. Apply a 5 mm (0.2 in) band of threadlock GM P/N 12345382 (Canadian P/N 10953489), or equivalent, to the threads of the fuel rail bolts. Refer to Adhesives, Fluids, Lubricants, and Sealers.
  7. Caution: Refer to Fastener Caution in the Preface section.

  8. Install the fuel rail bolts (511, 512) and fuel rail ground strap (557). Tighten the fuel rail bolts to 10 N·m (89 lb in).

  9. Object Number: 1552479  Size: SH
  10. Inspect the fuel rail ground strap (557) for proper installation.