GM Service Manual Online
For 1990-2009 cars only
Figure 1:

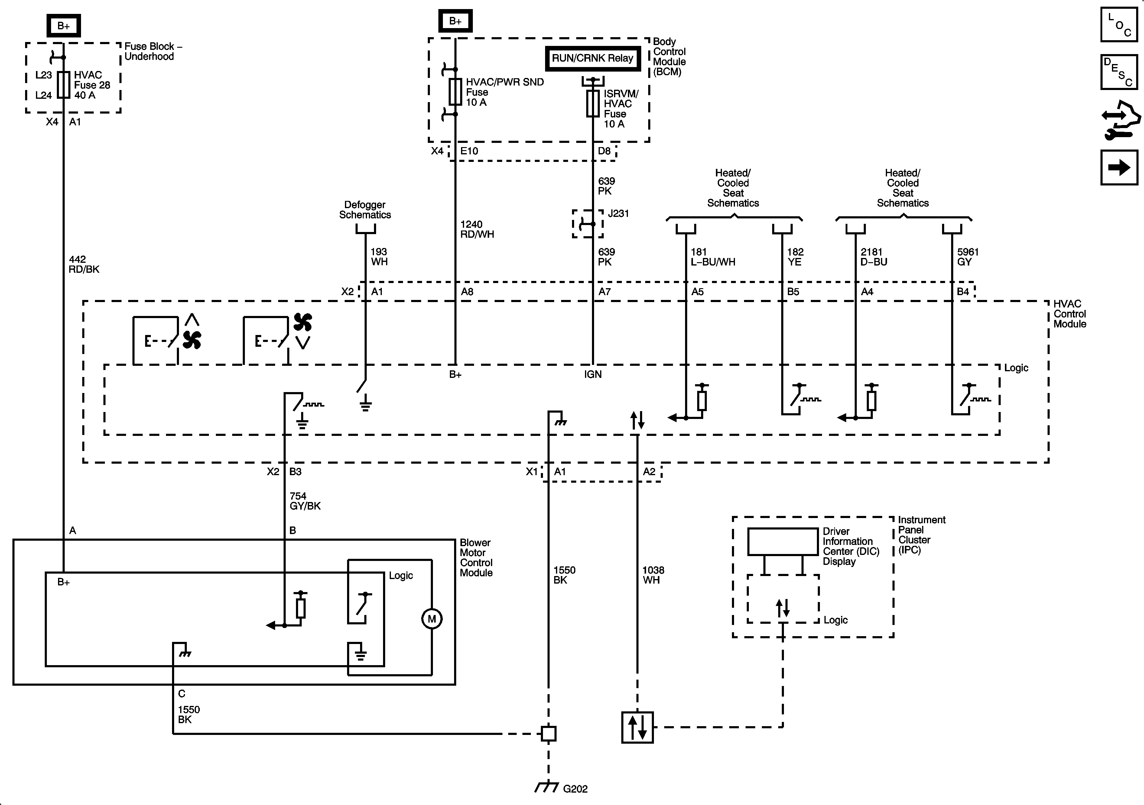
Power, Ground, Blower Motor Control, and Subsystem References


Object Number: 2053563  Size: FS
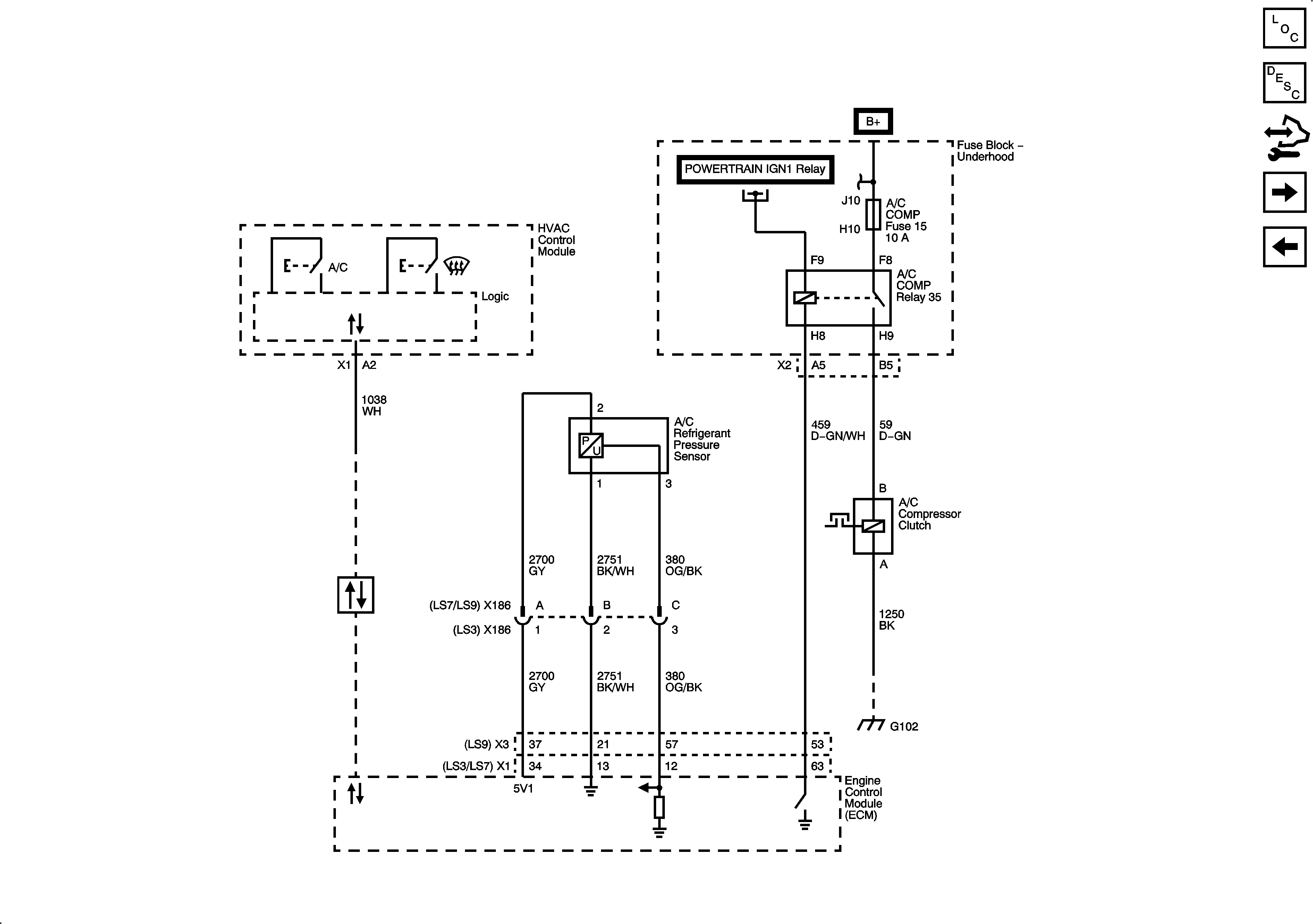
Figure 2:

A/C Compressor Controls


Object Number: 2053567  Size: FS
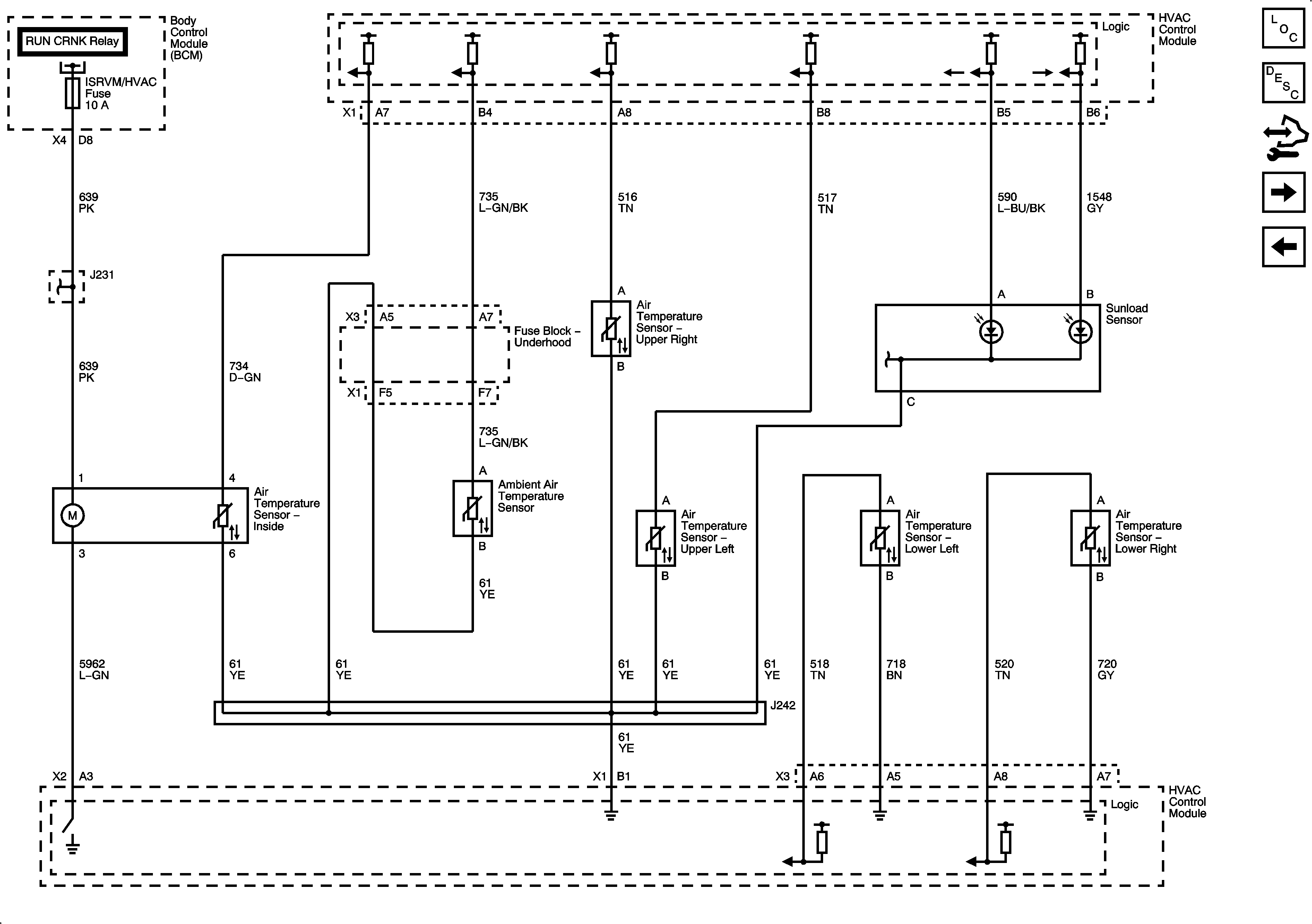
Figure 3:

Air Temperature Sensors


Object Number: 2053570  Size: FS
Figure 4:

Mode and Air Temperature Controls


Object Number: 2053572  Size: FS