GM Service Manual Online
For 1990-2009 cars only
Figure 1:

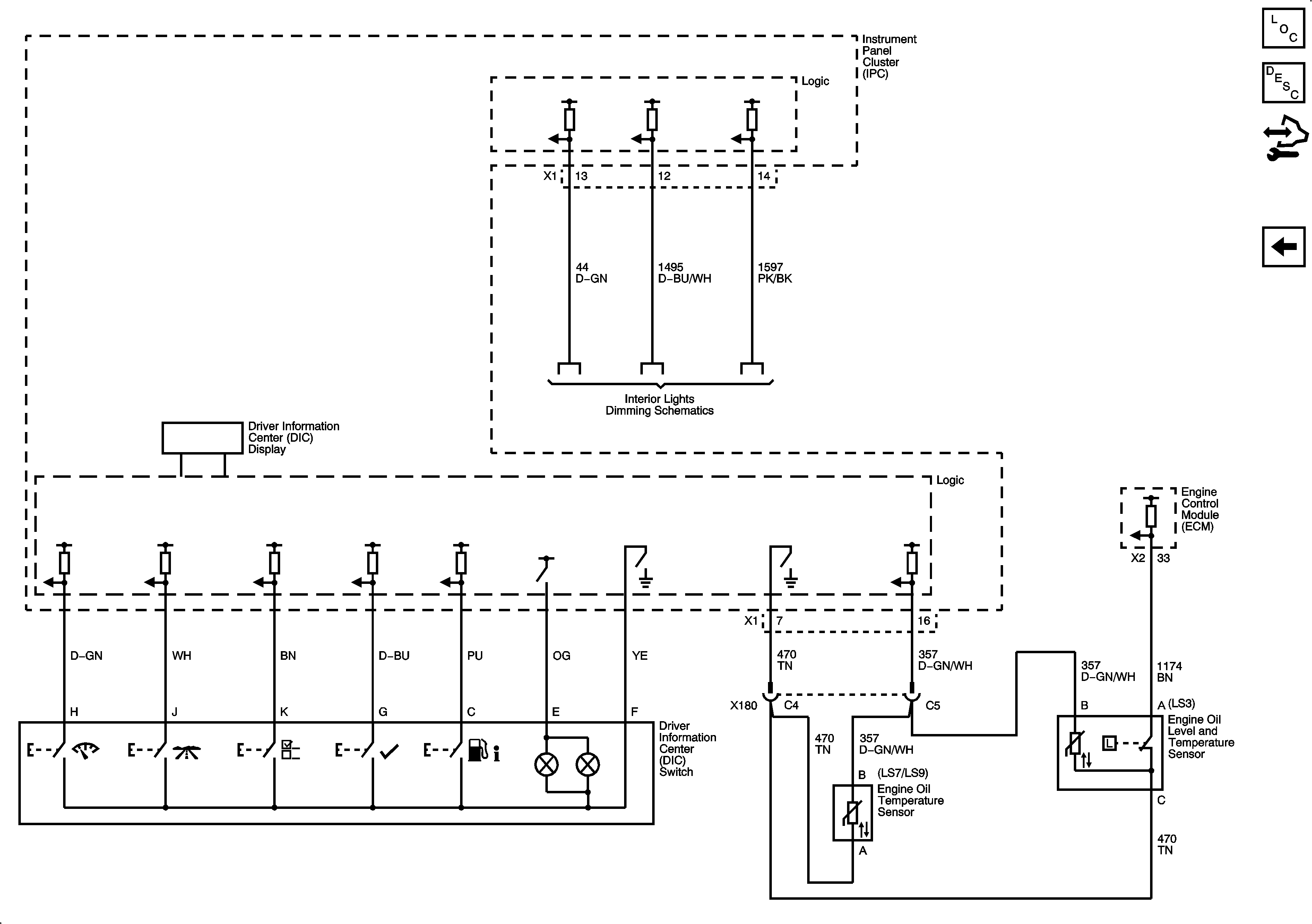
Power, Ground, Indicators, and Serial Data


Object Number: 2053654  Size: FS
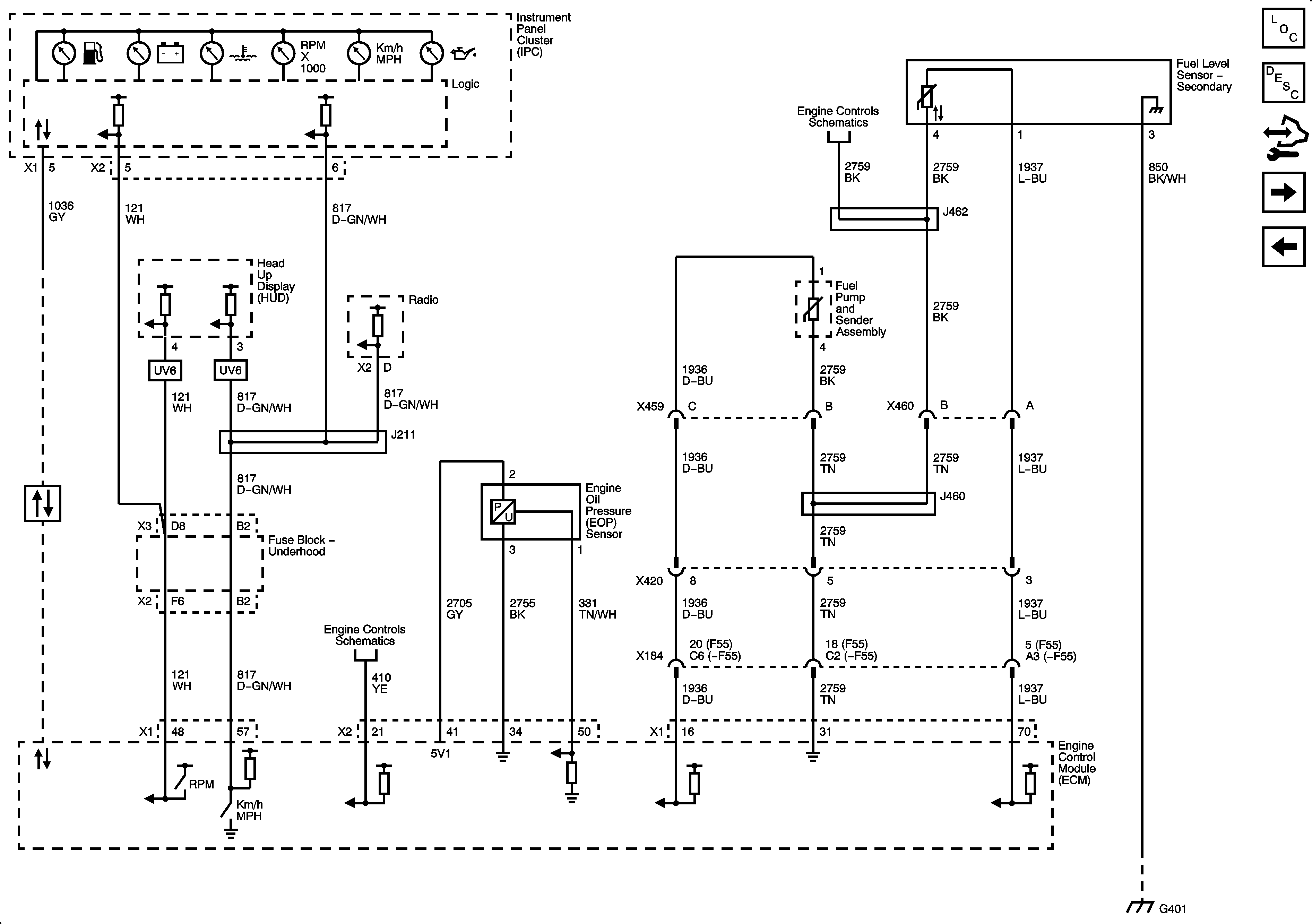
Figure 2:

Gages


Object Number: 2053663  Size: FS
Figure 3:

Gages


Object Number: 2193528  Size: FS
Figure 4:

Messages


Object Number: 2053673  Size: FS