GM Service Manual Online
For 1990-2009 cars only
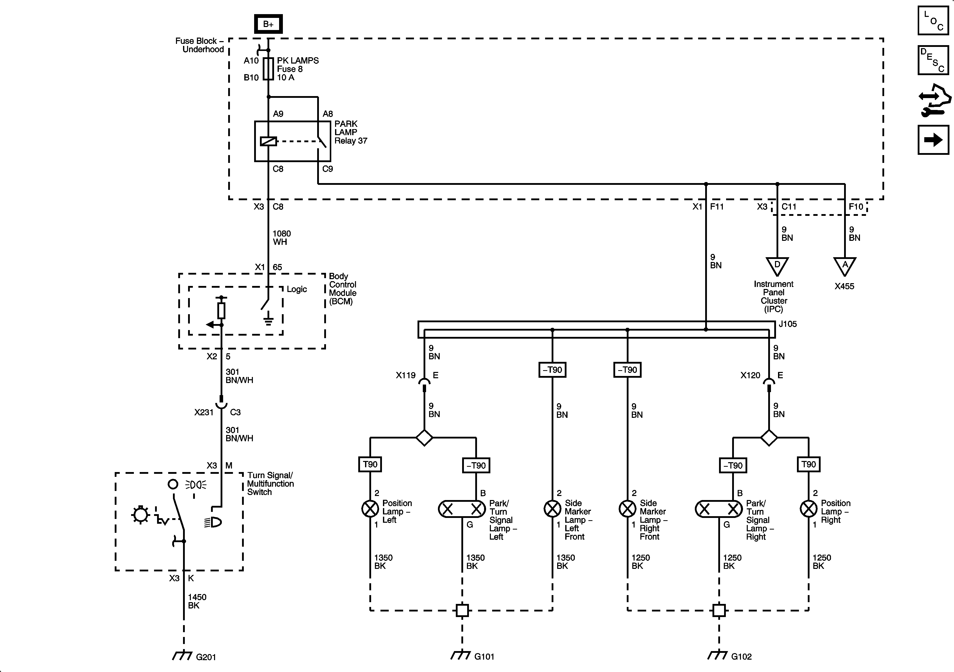
Figure 1:

Park Lamp Control, and Front Park Lamps


Object Number: 2053817  Size: FS
Figure 2:

Rear Park and License Lamps


Object Number: 2053820  Size: FS
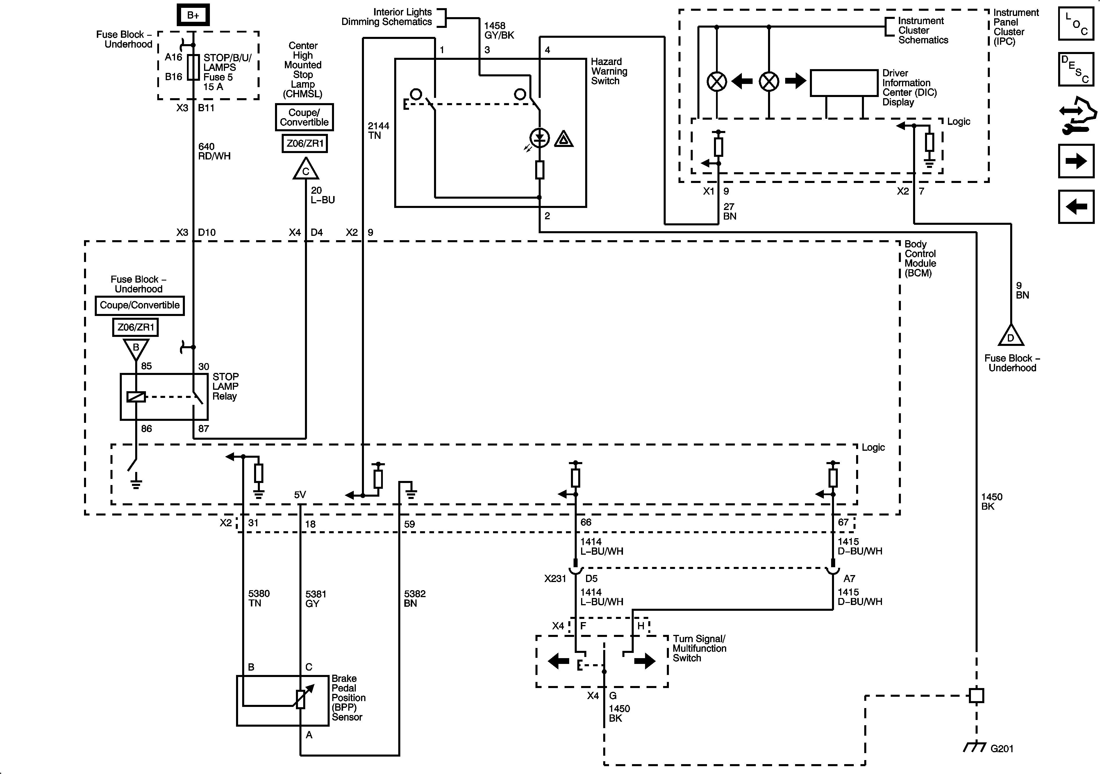
Figure 3:

Hazard, Stop Lamps, and Turn Signal Inputs


Object Number: 2053823  Size: FS
Figure 4:

Hazard, Stop Lamps, and Turn Signal Outputs (Coupe/Convertible)


Object Number: 2053828  Size: FS
Figure 5:

Hazard, Stop Lamps, and Turn Signal Outputs (ZO6)


Object Number: 2053839  Size: FS
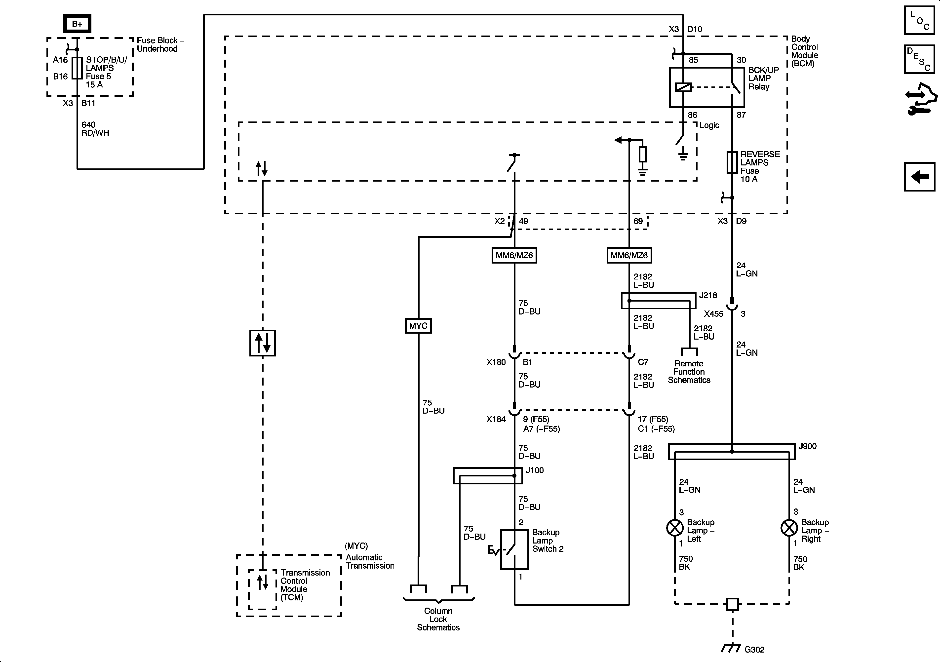
Figure 6:

Backup Lamps


Object Number: 2053931  Size: FS